
Čo je to kotol na nepriame vykurovanie a aké sú to?
Ohrievač vody alebo kotol na nepriamu výmenu je nádrž na vodu, v ktorej je umiestnený výmenník tepla (cievka alebo, podobne ako vodný plášť, valec vo valci). Výmenník tepla je pripojený k vykurovaciemu kotlu alebo k akémukoľvek inému systému, v ktorom cirkuluje teplá voda alebo iný nosič tepla.
Vykurovanie je jednoduché: teplá voda z kotla prechádza cez výmenník tepla, ohrieva steny výmenníka tepla a oni zase prenášajú teplo do vody v nádrži. Pretože vykurovanie neprebieha priamo, takýto ohrievač vody sa nazýva “nepriame vykurovanie”. Vyhrievaná voda sa spotrebúva podľa potreby pre potreby domácnosti.

Zariadenie kotla na nepriame vykurovanie
Jednou z dôležitých drobností v tomto dizajne je horčíková anóda. Znižuje intenzitu koróznych procesov – nádrž vydrží dlhšie.
Čo je to nepriamy vykurovací kotol
Aby sme pochopili zariadenie nepriameho vykurovacieho kotla, musíme si predstaviť veľkú nádrž naplnenú vodou, vo vnútri ktorej je zabudovaný výmenník tepla. Vykuruje sa vykurovacím kotlom, ktorý má schopnosť pripojenia k vodnému okruhu.

Voda ohrievaná kotlom cirkuluje cez cievku a odovzdáva teplo cez steny do vody, ktorá sa naleje do nádrže. Kotol je navrhnutý tak, že keď sa spotrebuje voda, naplní sa novou časťou a proces pokračuje. Kotol sa nazýva “nepriamy”, pretože dodávka teplej vody je v tomto prípade “bočným” alebo “nepriamym” účinkom výmenníka tepla kotla, ktorého hlavnou úlohou je vykurovať miestnosť.
Dôležité. Na ochranu stien nádrže pred koróziou je v nej namontovaná horčíková anóda. Stroj s touto časťou vydrží oveľa dlhšie..
Všeobecné požiadavky
Aby potrubný systém jednokruhového kotla s kotlom fungoval normálne, bez prerušenia a núdzových situácií, musia byť splnené nasledujúce požiadavky:
- Na výstupe z kotla je inštalovaná expanzná nádrž s objemom najmenej 10 percent kotla. (nemožno zamieňať s expanznou nádržou na vykurovanie). Pôsobí ako neutralizátor tepelnej rozťažnosti vody.
- Nezabudnite prerezať guľové ventily na všetkých potrubiach, ktoré vedú do nádrže. Budú potrebné na opravu alebo preventívnu údržbu obehových čerpadiel, trojcestného ventilu alebo iných prvkov systému..
- Prevádzka kotla je bezpečnejšia, ak je vybavený termostatom, ktorý zabraňuje nadmernému prehriatiu. V základnej konfigurácii sú tieto ohrievače vody vybavené poistnými ventilmi, ktoré uvoľňujú paru z horúcej vody a zabraňujú prasknutiu telesa nádrže..

Z bezpečnostných dôvodov nesmie byť na prívodnom potrubí vody do kotla nainštalovaný spätný ventil, aby sa zabránilo spätnému toku..
Zariadenie s riadiacou jednotkou
Dnes existujú dve možnosti pre kotly – jednoduché (lacnejšie) a so vstavanou riadiacou jednotkou. Malo by sa pamätať na to, že takáto jednotka je povinná, ak hlavné vykurovacie zariadenie, napríklad plynový kotol, nemá riadiacu funkciu..

Vo vstavanej riadiacej jednotke je často nainštalovaný teplotný snímač. Je tiež možné zastaviť alebo zapnúť prívod vody do výmenníka tepla. Zariadenie môže pracovať v automatickom režime. Na pripojenie zariadenia musíte vykonať nasledujúce kroky:
- pripojte vstupné a výstupné potrubia na štartovanie vody z kotla;
- pripojte hadicu a zapnite prívod studenej vody;
- nainštalujte kolektor na distribúciu horúcej vody na výstupe.
Potom zostáva len spustiť systém, po ktorom sa voda začne zahrievať a prúdiť v požadovanom smere. Potrubie recirkulačného kotla je možné vykonať niekoľkými spôsobmi..

Mnoho ľudí si myslí, že pomocou riadiacej jednotky je možné nastaviť teplotu vody v kotle. Tento názor je nesprávny. Maximálna dosiahnuteľná teplota je stupeň samotného tepelného nosiča, ktorý je dodávaný priamo z kotla. Kvapalina sa zvyčajne zahreje o 1-2 stupne menej. Ak potrebujete vodu s vyššou teplotou, potom je lepšie vybrať si model so vstavaným vykurovacím telesom. Obvykle je takáto schéma potrebná v prítomnosti nízkoteplotného kotla..
Je lepšie kúpiť také jednotky spolu s kotlom na tuhé palivá. Aj keď drevo vyhorí, vždy tu bude prístup k horúcej vode na dlhý čas..
Výhody, nevýhody, typy zariadení
Na čo je taký kotol dobrý? A čo je najdôležitejšie, vodu v nej je možné ohriať bez ďalších nákladov. To znamená, že nebudete musieť platiť za elektrinu alebo plyn, na rozdiel od rovnakých kotlov s priamym ohrevom, ktoré majú vo svojom dizajne špeciálne vykurovacie prvky, ako sú horáky. Kotol KN používa hotový zdroj vykurovacieho systému v dome.
Tento aspekt nám tiež umožňuje hovoriť o zníženom zaťažení elektrickej siete v dome. Výkon kotla je zároveň pomerne vysoký, je bezpečný a môže slúžiť mnoho rokov bez sťažností, pretože jeho vnútorná časť je dokonca chránená pred kontaktom s tečúcou vodou. Voda z takého kotla sa dodáva spotrebiteľovi hneď, ako je to potrebné..
Zariadenie má samozrejme nevýhody. V prvom rade ide o vysoké náklady – je to drahšie ako kotol na priame vykurovanie. Tiež stojí za to pochopiť, že voda v nej sa zahrieva dlhšie, ale zostane horúca dlhšie. Áno, a taký kotol zaberá veľa miesta, je lepšie ho dať úplne do samostatnej miestnosti. A ešte jedna hlavná nevýhoda – na ohrev vody v lete budete musieť spustiť vykurovací kotol.
Pri vybavovaní systému zásobovania teplou vodou v súkromnom dome sa vlastník často musí rozhodnúť, čo je lepšie – kotol na nepriame vykurovanie alebo dvojokruhový kotol
Na poznámku! Existuje niekoľko typov nepriamych vykurovacích kotlov. Pozrime sa, ako sa navzájom líšia..
Tabuľka. Typy kotlov KN.
Typ Popis
| So vstavanými ovládacími prvkami | Takéto ohrievače sú pripojené k kotlom bez ovládania. Obvykle sú vybavené špeciálnym snímačom, ktorý vám umožňuje ovládať teplotu vody, a tiež vám umožňuje presne ovládať zapínanie a vypínanie prívodu kvapaliny do takzvanej cievky – do okruhu chladiacej kvapaliny. Pripojenie takého kotla je jednoduché – stačí pripojiť prívod a návrat vody z vykurovania domu, ako aj pripojiť prívod chladenej kvapaliny a rozvod ohriatej horúcej vody.. |
| Žiadne vstavané ovládanie | Takéto nádrže sú spravidla pripojené k systému vybavenému automatizovaným kotlom. Pri inštalácii je dôležité premýšľať o inštalácii snímača teploty a nainštalovať ho do puzdra a potom ho pripojiť k kotlu. |
| Stena | Ako môžete hádať, takýto kotol je namontovaný na stenu. Väčšinou má malú veľkosť, aby sa v ňom nezahrialo veľa vody. Je dôležité pochopiť, že kotol nie je jednoduchá konštrukcia a stena, na ktorú bude namontovaný, musí byť silná.. |
| Poschodie | Táto možnosť je namontovaná na podlahe a dodáva sa v rôznych veľkostiach a kapacitách. V obytných budovách sa používa len zriedka – takýto kotol je často možné vidieť v priemyselných priestoroch. Dali ho do oddelenej miestnosti. |
| Vertikálne | Najbežnejšia možnosť, pretože vám umožňuje inteligentne ušetriť miesto v miestnosti. Ale taký kotol nemá veľkú kapacitu.. |
| Horizontálne | Obvykle je to dostatočne veľký kotol, ktorý pojme veľa vody. Často sa používa v továrňach. |
Na poznámku! Je dôležité pochopiť, že čím menší je kotol, tým rýchlejšie sa v ňom voda zahreje. Napriek tomu, že moderné konštrukcie niekedy umožňujú zahriať veľký objem vody vo veľmi krátkom čase.
Vlastnosti dizajnu a princíp činnosti
Čo znamená nepriame vykurovanie? Zariadenia s funkciou priameho ohrevu pripojením na elektrickú energiu alebo plynový horák má BKN iný zdroj tepla. Voda sa ohrieva pripojením k prívodu teplej vody, to znamená, že sa ukazuje, že zdrojom je nosič tepla – horúca voda (alebo jej náhrada).

Navonok sa BKN podobá štandardnému ohrievaču vody – to znamená, že má sudovitý tvar, aj keď moderné modely sú ergonomickejšie. Na uľahčenie použitia a inštalácie majú obdĺžnikovú konfiguráciu.
Ak vezmeme do úvahy nové modely známych značiek, všimneme si, že plynové kotly a kotly KH majú často rovnaký dizajn. Sú namontované vedľa seba alebo pod sebou – týmto spôsobom môžete ušetriť na mieste umiestnenia.
Hlavným prvkom, ktorý vykonáva funkciu vykurovania, je oceľový alebo mosadzný výmenník tepla (cievka) s veľkým povrchom, ktorý je umiestnený vo vnútri kovovej nádrže pokrytej ochrannou vrstvou smaltu. Aby sa zabránilo chladeniu vodou príliš rýchlo, zvonku je puzdro obklopené vrstvou tepelnej izolácie a niektorých modelov – a plášťom.

Ak chcete, aby sa voda v kotle rýchlo zahriala, zvoľte model s niekoľkými výmenníkmi tepla a pomaly chladnite – s kvalitnou tepelnou izoláciou
Dôležitou súčasťou, ktorá je teraz vybavená väčšinou vykurovacích zariadení, je horčíková anóda. Tyč upevnená v hornej časti zariadenia chráni kovové časti pred koróziou, v dôsledku čoho ohrievač vody vydrží oveľa dlhšie.
Vysokotlakové bariéry sú poistný ventil a vstavaný termostat. Ak nádrž nie je vybavená bezpečnostnou skupinou, inštaluje sa samostatne pri usporiadaní potrubia.
Voda cirkulujúca vo vykurovacom systéme často nepresahuje 65-70 ° C. Mnohí spochybnili jeho účinnosť, keď v BKN funguje ako zdroj tepla na vykurovanie. Uvedená teplota je v skutočnosti dostačujúca, pretože rýchlosť a množstvo prenosu tepla do značnej miery závisí od oblasti (pomerne veľkej) kontaktu cievky s vodou.
Ako prebieha proces zahrievania? Studená voda na vykurovanie vstupuje samostatným otvorom a vypĺňa celú nádobu. Voda tiež prúdi z kotla do výmenníka tepla, ale už je zahriata. Horúce cievkové steny prenášajú teplo do studenej vody, ktorá má na výstupe už teplotu vhodnú na sprchovanie alebo umývanie riadu.
Výhody kontrolovaného zariadenia
Ovládateľnosť je charakteristika, ktorá ovplyvňuje montáž celého systému ohrevu vody. Existujú dva typy BKN: jednoduché (lacnejšie) a so vstavanou funkciou ovládania..

Riadenie procesu vykurovania je povinné, ak hlavné vykurovacie zariadenie – napríklad plynový kotol alebo kotol na tuhé palivo – nemá riadiacu jednotku
Charakteristickou črtou kontrolovaných modelov je dodatočné vybavenie s teplotným snímačom a schopnosťou dodávať / zastavovať prívod vody do výmenníka tepla. Takéto zariadenie pracuje v automatickom režime..
Ak chcete začať, musíte sa pripojiť:
- vstup / výstup pre horúcu vodu z prívodu teplej vody;
- prívod studenej vody do nádrže;
- rozdeľovač na distribúciu ohriatej kvapaliny na výstupe.
Potom môžete spustiť kotol – voda sa začne ohrievať.

Ak kotol pracuje v automatickom režime, nie je potrebné kotol ovládať. Stále je však lepšie vybaviť ho snímačom teploty, pretože v kufri je miesto
Proces pripojenia a potrubia nepriameho vykurovacieho kotla prebieha jedným zo spôsobov (popis – nižšie).
Ako môže manažment ovplyvniť teplotu vody? Takmer nič. Maximálna hodnota, ktorú môže výstupná teplota dosiahnuť, nepresahuje parametre chladiacej kvapaliny v systéme TÚV. S najväčšou pravdepodobnosťou bude nižšia o 1-2 ° С.
Ak je potrebné intenzívnejšie vykurovanie (to sa môže stať, ak kotol zvyčajne pracuje v nízkoteplotnom režime), potom je lepšie zvoliť model so vstavaným vykurovacím telesom.
Odporúča sa kúpiť takéto zariadenie spolu s kotlami na tuhé palivá (voda zostáva horúca aj po vychladnutí kotla).
Čo sú to kotly
Nepriame vykurovacie kotly sú dvoch typov:
- so vstavaným systémom riadenia ohrevu teplej vody;
- bez automatizácie.
So vstavaným ovládaním vyzerá pripojenie nepriameho vykurovacieho kotla k kotlu jednoducho: z kotla je dodávka (výkon) teplej vody dodávaná do cievky, studená voda je dodávaná do nádrže a odbočné potrubie pre výstup ohriatej vody na distribúciu je umiestnený v hornej časti. Zostáva len naplniť kotol vodou a „civilizácia“ môže byť použitá. Takéto zariadenia majú svoje vlastné snímače teploty a autonómne ovládanie, ktoré otvára alebo zatvára prietok vody z kotla do výmenníka tepla. Vykurovanie kotlom sa v zásade vypláca z finančného hľadiska..
Existujú možnosti, keď je kotol spárovaný s automatizovaným kotlom. Na určitom mieste je nainštalovaný teplotný snímač, ktorý je pripojený k vykurovacej jednotke. Potom je kotol napojený na nepriamy vykurovací kotol podľa schémy. V tomto prípade by mal potrubie kotla na nepriame vykurovanie vykonať skúsený odborník. K energeticky nezávislým kotlom je možné pripojiť ohrievače vody.

Na trhu sú kotly vyrobené z rôznych materiálov: nehrdzavejúca oceľ, oceľ so špeciálnym smaltovaným povlakom. Medzi najnovšími modelmi ohrievačov vody sa dobre osvedčili hliníkové nádrže. Nemajú švy a môžu odolávať korózii.
Je dôležité si uvedomiť: teplotu vody v kotle nie je možné ohriať nad teplotu chladiacej kvapaliny špirály. Ak je teda vykurovacia jednotka nastavená na 45 stupňov, voda v kotle sa nezahreje nad tento prah..
Túto miernu nepríjemnosť je možné obísť inštaláciou kombinovaného ohrievača vody so vstavaným vykurovacím telesom. V tomto prípade bude hlavný ohrev vody spôsobený cievkou z kotla a elektrický ohrievač teplotu upraví. Takýto systém sa ukázal dobre, ak sa ako hlavný zdroj tepla používa kotol na tuhé palivá: voda zostane teplá, keď je palivo vyhorené. Kotol na kotol na tuhé palivá je ideálnou možnosťou, ako pohodlne získať teplú vodu.
Názory
Existujú dva typy nepriamych vykurovacích kotlov: so vstavaným ovládaním a bez neho. Nepriame vykurovacie kotly so vstavaným ovládaním sú napojené na vykurovací systém napájaný kotlami bez regulácie. Majú vstavaný snímač teploty, vlastné ovládanie, ktoré zapína / vypína prívod horúcej vody do cievky. Pri pripájaní zariadení tohto typu stačí uviesť prívod a návrat z vykurovania na zodpovedajúce vstupy, pripojiť prívod studenej vody a k hornému výstupu pripojiť výdajník teplej vody. To je všetko, môžete naplniť nádrž a začať ju ohrievať.
Konvenčné nepriame kotly pracujú hlavne s automatizovanými kotlami. Pri inštalácii je potrebné nainštalovať snímač teploty na konkrétne miesto (v telese je otvor) a pripojiť ho ku konkrétnemu vstupu kotla. Ďalej je potrubie kotla na nepriame vykurovanie vyrobené v súlade s jednou zo schém. Môžete ich pripojiť k energeticky nezávislým kotlom, ale to vyžaduje špeciálne obvody (nižšie).
Je potrebné pamätať na to, že vodu v kotle na nepriame vykurovanie je možné ohriať mierne pod teplotu chladiacej kvapaliny cirkulujúcej v cievke. Ak teda váš kotol pracuje v nízkoteplotnom režime a produkuje povedzme + 40 ° C, maximálna teplota vody v nádrži bude presne taká. Už nemôžete zahriať. Aby ste toto obmedzenie obišli, existujú kombinované ohrievače vody. Majú cievku a vstavané vykurovacie teleso. Hlavné vykurovanie je v tomto prípade spôsobené cievkou (nepriame zahrievanie) a vykurovacie teleso privádza teplotu iba na nastavenú teplotu. Také systémy sú dobré aj v spojení s kotlami na tuhé palivá – voda bude teplá, aj keď je palivo vyhorené..
Čo ešte môžete povedať o funkciách dizajnu? Vo veľkých objemoch je nainštalovaných niekoľko výmenníkov tepla – to skracuje čas na ohrev vody. Na skrátenie doby ohrevu vody a pomalšie chladenie nádrže je lepšie zvoliť modely s tepelnou izoláciou.
Tečie
Flow-through-kompaktná nádrž so štvorcovým tvarom tena, ktorá je napojená na prívod studenej vody. Po zapnutí sa voda zahreje takmer okamžite. Výkon takýchto ohrievačov je 6 – 10 kW, takže zaťažujú elektrickú sieť..
Charakteristiky a typy

Flexibilná hadica na pripojenie vodovodných potrubí je hadica rôznych dĺžok vyrobená z netoxického syntetického kaučuku. Vďaka pružnosti a mäkkosti materiálu ľahko zaujme požadovanú polohu a umožňuje inštaláciu na ťažko dostupných miestach. Na ochranu flexibilnej hadice je navrhnutá horná výstužná vrstva vo forme opletu, ktorá je vyrobená z nasledujúcich materiálov:
- Hliník. Takéto modely vydržia nie viac ako +80 ° C a zostanú funkčné 3 roky. Pri vysokej vlhkosti je hliníkový oplet náchylný na hrdzu.
- Z nehrdzavejúcej ocele. Vďaka tejto výstužnej vrstve je životnosť flexibilnej vodnej hadice najmenej 10 rokov a maximálna teplota prepravovaného média je +95 ° C..
- Nylon. Tento oplet sa používa na výrobu vystužených modelov, ktoré odolávajú teplotám až do +110 ° C a sú určené na intenzívne používanie 15 rokov..
Ako spojovacie prvky sa používajú páry matice a matice a matice, ktoré sú vyrobené z mosadze alebo nehrdzavejúcej ocele. Zariadenia s rôznymi prípustnými teplotami sa líšia farbou vrkoča. Modré sa používajú na pripojenie k potrubiu so studenou vodou a červené s horúcou vodou.
Pri výbere očnej linky do vody musíte venovať pozornosť jej pružnosti, spoľahlivosti spojovacích prvkov a účelu. Je tiež povinné mať certifikát, ktorý vylučuje emisie toxických zložiek gumou počas prevádzky.
Odrody zariadení s ďalšími funkciami
Nádrže s jednoduchým dizajnom sú len časťou sortimentu na trhu zariadení na ohrev vody. Existuje mnoho modelov kotlov, ktorých funkcie sú veľmi užitočné pre integráciu do systému TÚV..
Napríklad jedným z účelov drahších modelov je akumulácia tepla. Ak sú pravdepodobné výpadky prúdu alebo príliš vysoká denná spotreba, režim akumulácie bude veľmi užitočný. Konštrukčné vlastnosti takýchto modelov sú vylepšená tepelná izolácia a zvýšený objem nádrže (300 litrov alebo viac).
Ďalšou možnosťou, ktorá implementuje najrýchlejšiu dodávku teplej vody do kohútikov, je recirkulačný kotol. Na rozdiel od konvenčného dizajnu je tento vybavený tromi odbočkami pre komunikáciu so systémom zásobovania teplou vodou. Teplá voda je dodávaná v dvoch, studená voda v jednej. Zásobovanie vodou sa vykonáva pomocou čerpadla.
Pri použití modelu s recirkuláciou môžete vybaviť ďalší užitočný obvod, napríklad na inštaláciu vyhrievaného držiaka na uteráky.

Menej časté ako modely s cievkami sú modely tank-in-tank. Nádoba s vodou na zahriatie je vo vnútri, vykurovací okruh je vonku
Voda v takejto nádrži sa zahrieva rýchlejšie ako v jednotkách s výmenníkom tepla, ale jej cena je tiež vyššia.
Veľkosť a význam nádrže
Cylindrické a kubické nádrže sa líšia svojimi rozmermi. Ich objem je uvedený v litroch: existujú malé modely s objemom 80-100 litrov, ale existujú aj objemné, ktoré môžu pojať až 1 400-1 500 litrov. Veľkosť sa vyberá na základe potreby rodiny na teplú vodu.
Pri inštalácii sú dôležité rozmery. Na montáž na stenu sú vhodné iba ľahké modely – do 200 litrov, všetky ostatné sú stojace. Horizontálne aj vertikálne nástenné zariadenia v súprave majú špeciálne držiaky, stojace zariadenia sú vybavené nohami alebo malým stojanom.

Dýzy potrebné na pripojenie vody a tepelného nosiča sa zvyčajne vyberajú zozadu a zhora, takže je pohodlnejšie pripojiť nádrž k rúrkam. Predný panel radu modelov je vybavený snímačom teploty (relé) a technickým otvorom
Obdĺžnikové jednotky zaberajú o niečo menej miesta ako valcové, pretože tesne priliehajú k rúrkam.
Výpočet výkonu a výber zariadenia
Na výber schémy BKNsR a výberu zariadenia je najskôr potrebné vypočítať tepelné zaťaženie dodávky teplej vody pre konkrétneho spotrebiteľa. Nesprávny spôsob pripojenia povedie k neúčinnosti systému recirkulácie TÚV alebo k poruche hlavného a čerpacieho zariadenia.
Napríklad, aby sa vykonal výpočet, pre rodinu 4 osôb vezmite normy teplej vody podľa SNiP 2.04.01-85 „Vnútorné zásobovanie vodou a kanalizácia budov“.
Jednoduché výpočty ukazujú, že umývanie riadu bude vyžadovať 336 l / týždeň, sprcha – 1280 l / týždeň, pri malých akciách ďalších 280 l / týždeň, celkom 2856 l / týždeň alebo 17 l / hod..
Vzorec výkonu:
17×0,0375 = 0,637kW
Vypočítané parametre ohrievača:
- Minimálna spotreba vody 1,5 l / min.
- Objem nádrže – viac ako 100 l.
- Doba ohrevu vody až 2 hodiny.
- Tepelnoizolačný materiál polyuretánová pena alebo minerálna vlna.
- Ochranné prvky: ventily, snímače teploty a tlaku a poistky.
- Životnosť – od 10 do 12 rokov.
Čo sa stane, keď je kotol v prevádzke?
Schéma práce je neuveriteľne jednoduchá. Studená kvapalina vstupuje do nádrže vstupom, chladiaca kvapalina cirkuluje cievkou alebo medzi stenami nádrží, v závislosti od konštrukcie jednotky, privádza kvapalinu na požadovanú teplotu a potom ju udržuje v tomto stave. Chladiaca kvapalina sa ohrieva vykurovacím zariadením.

Konštrukcia navyše poskytuje vstupné a výstupné dýzy, ktoré zabezpečujú dodávku do plynového alebo iného kotla a priamo do miest spotreby. Termostat reguluje teplotu vykurovacieho média. Hneď ako klesne pod normál, toto zariadenie vydá vhodné signály.
Elektrické a naftové generátory tepla
Pripojenie kotla na naftu k chladiacemu systému sa vykonáva identicky s potrubím plynových zariadení. Dôvod: dieselová jednotka pracuje na podobnom princípe – elektronicky riadený horák ohrieva výmenník tepla plameňom, pričom udržuje nastavenú teplotu chladiacej kvapaliny.

Na vykurovanie sú priamo napojené aj elektrické kotly, v ktorých sa voda ohrieva vykurovacími telesami, indukčným jadrom alebo v dôsledku elektrolýzy solí. Za udržiavanie teploty a bezpečnosti zodpovedá automatizácia umiestnená v elektrickej skrini pripojenej k sieti podľa danej schémy zapojenia. Ďalšie možnosti pripojenia sú uvedené v samostatnej publikácii o inštalácii elektrických vykurovacích kotlov..
Nástenné mini kotolne vybavené rúrkovými ohrievačmi sú určené iba pre uzavreté vykurovacie systémy. Na prácu s gravitačným zapojením budete potrebovať elektródu alebo indukčnú jednotku, ktorá je viazaná podľa štandardnej schémy:

Ak sa na to pozriete, obtok tu nie je potrebný – kotol nebude fungovať ani bez elektriny.
Príjem vody pri vypnutom prívode
Väčšina zásobníkových ohrievačov vody je uzavretého typu a neodvádzajú vodu samospádom. Existuje však množstvo prídavných potrubí, ktoré umožňujú čerpať vodu bez tlaku. Tieto doplnky najľahšie vyprázdňujú nádrž, ak ju vyberiete z prevádzky..
Po prvé, teória: horúca odbočná rúrka nádrže dosahuje samotný vrchol nádrže, studená je umiestnená v spodnej časti pod krytom difuzéra. Voda je odvádzaná studenou tryskou a vzduch je nasávaný do nádrže dlhou horúcou výstupnou rúrkou..
Najjednoduchším riešením je vložiť odpalisko do horúceho kolena do bodu, kde je nainštalovaný guľový ventil. Pomocou týchto dvoch kohútikov môžete nádrži poskytnúť nasávanie vzduchu a použiť horúcu vodu zo „studeného“ potrubia. Tento prístup však nie je úplne bezpečný: ak zabudnete vypnúť ventil prívodu vzduchu, riskujete zaplavenie svojho domu, keď sa v systéme dodávky studenej vody objaví tlak..
Problém je vyriešený dvoma spôsobmi. Prvým je inštalácia spätného ventilu na ventil prívodu vzduchu na horúcom vstupe. Problém je v tom, že vo vysokej trubici naplnenej nádrže je takmer vždy malé množstvo vody, takže systém nefunguje veľmi stabilne – vodný stĺpec bráni otvoreniu ventilu, aj keď je v nádrži relatívne vákuum. Pri prvom otvorení systému musíte vodu z trubice vypustiť ručne.
Je tiež možné nainštalovať spätný ventil obchádzajúci uzatvárací ventil studeného prívodu. V tomto prípade je ventil inštalovaný oproti normálnemu prietoku vody a pri pôsobení tlaku blokuje jeho vstup do nádrže. Rovnako ako predtým je možné túto úlohu vyriešiť ešte menším počtom 3-cestných ventilov..
Na ktoré vykurovacie jednotky je možné pripojiť
Pre kotol na tuhé palivá je vhodný nepriamy vykurovací kotol, pričom voda zostáva dlho teplá. Kotol je vhodný pre plynové, elektrické alebo olejové vykurovacie telesá. Na druh paliva nie sú žiadne obmedzenia. To znamená, že inštalácia nepriameho vykurovacieho kotla sa vykonáva v tandeme s akýmkoľvek kotlom, ktorý má výstup do vodného okruhu. Kombinovaný typ vyrieši problém, keď je vykurovanie hlavného výmenníka tepla vypnuté.

Inštalácia závisí od zvoleného modelu: s autonómnym systémom riadenia ohrevu vody alebo nie. Autonómny riadiaci systém je oveľa pohodlnejší. V druhom prípade budete musieť premyslieť systém regulácie teploty. Pripojenie nepriameho vykurovacieho kotla k jednokruhovému kotlu je zodpovedný proces, ku ktorému je potrebné pristupovať vopred. V každom prípade, ak je v dome jednokruhový kotol, potom je kotol považovaný za najlepšie riešenie pre organizáciu dodávky teplej vody..
Rada. Ak majú kotly veľký objem, má zmysel nainštalovať niekoľko výmenníkov tepla, aby sa skrátil čas ohrevu vody. Na ten istý účel, ako aj na to, aby voda dlho udržiavala teplotu, sú kotly vyrobené s tepelnou izoláciou.
Na ktoré kotly je možné pripojiť
Nepriame kotly je možné prevádzkovať s akýmkoľvek zdrojom teplej vody. Vhodný je akýkoľvek teplovodný kotol – na tuhé palivo – na drevo, uhlie, brikety, pelety. Je možné ho pripojiť k akémukoľvek typu plynového kotla, elektrického alebo olejového.

Schéma pripojenia k plynovému kotlu so špeciálnym výstupom pre kotol na nepriame vykurovanie
Proste, ako už bolo uvedené vyššie, existujú modely s vlastným ovládaním a potom je ich inštalácia a pripútanie jednoduchšou úlohou. Ak je model jednoduchý, musíte premyslieť systém regulácie teploty a prepnúť kotol z vykurovacích telies na ohrev teplej vody.
Tvary nádrží a spôsoby inštalácie
Nepriamy vykurovací kotol je možné nainštalovať na podlahu, zavesiť na stenu. Nástenné verzie majú objem maximálne 200 litrov a stojanové verzie môžu mať objem až 1 500 litrov. V oboch prípadoch ide o horizontálne a vertikálne modely. Pri inštalácii nástennej verzie je upevnenie štandardné – konzoly, ktoré sú namontované na vhodnom type hmoždinky.
Ak hovoríme o tvare, potom sú tieto zariadenia najčastejšie vyrobené vo forme valca. Takmer vo všetkých modeloch sú všetky pracovné výstupy (pripojovacie dýzy) vyvedené zozadu. Je jednoduchšie sa pripojiť a vzhľad je lepší. Na prednej strane panelu sú miesta na inštaláciu teplotného senzora alebo tepelného relé, v niektorých modeloch je možné nainštalovať vykurovacie teleso – na dodatočné ohrev vody v prípade nedostatku vykurovacieho výkonu.

Podľa typu inštalácie sú nástenné a podlahové s objemom od 50 litrov do 1500 litrov.
Pri inštalácii systému stojí za to pamätať, že systém bude fungovať efektívne iba vtedy, ak je výkon kotla dostatočný..
Nuansy páskovacieho zariadenia
Je jednoduchšie vykonať zapojenie a potrubie, ak je kotol KN inštalovaný spolu s kotlom, čerpadlami a iným zariadením zapojeným do montáže systému TÚV. Vstavanie ďalšieho zariadenia do existujúcej siete je oveľa ťažšie..
V každom prípade pre normálnu prevádzku zariadení budete musieť dodržiavať niekoľko pravidiel:
- vyberte správne miesto na inštaláciu – čo najbližšie k kotlu;
- poskytnúť rovný povrch na inštaláciu kotla;
- na ochranu pred tepelnou rozťažnosťou nainštalujte membránový akumulátor (na výstupe ohriatej vody), ktorého objem je najmenej 1/10 objemu BKN;
- vybavte každý okruh guľovým ventilom – pre pohodlnú a bezpečnú údržbu zariadení (napríklad trojcestný ventil, čerpadlo alebo samotný kotol);
- na ochranu proti spätnému toku na vodovodných potrubiach nainštalujte spätné ventily;
- zlepšiť kvalitu vody vložením filtrov;
- správne umiestnite čerpadlo (alebo niekoľko čerpadiel) – os motora musí byť v horizontálnej polohe.
Z bezpečnostných dôvodov sa nepokúšajte zaistiť ťažké zariadenia na sadrokartónové dosky alebo tenké drevené priečky. Vhodné sú betónové a tehlové steny. Konzoly alebo iné typy držiakov sú upevnené konzolami, kotvami, hmoždinkami.

Bez ohľadu na typ zariadenia – podlaha alebo stena – pokiaľ je to možné, je namontovaný nad úrovňou, na ktorej je kotol inštalovaný, alebo na rovnakej úrovni. Na podlahu môžete vytvoriť podstavec alebo pevný stojan vysoký až 1 m
Pri inštalácii sú dýzy nasmerované na kotol (aj keď sú maskované vzadu alebo za falošnou stenou). Nepoužívajte nespoľahlivé zariadenia, ako sú vlnité hadice, ktoré nevydržia tlak a tlak vody.
Zásada prioritného pripojenia
Pred inštaláciou kotla na nepriamy ohrev v systéme TÚV je potrebné zvoliť princíp jeho pripojenia: s prioritou alebo bez nej. V prvom prípade, keď je potrebné rýchlo získať veľké množstvo horúcej vody, sa celý objem chladiacej kvapaliny čerpá cez cievku BKN, v dôsledku čoho sa voda ohrieva oveľa rýchlejšie.
Potom, čo teplota vody dosiahne požadovanú úroveň (meranú termostatom), existuje spôsob, ako presmerovať prietok do radiátorov.
Pripojenie bez priority neumožňuje prejsť celým objemom chladiacej kvapaliny a kotol slúži iba časti celkového prietoku. S vybavením takejto schémy sa voda zahrieva dlhšie.

Schéma pripojenia BKN bez priority: ku kotlu je pripojený samostatný okruh, preto nie je možné prerušiť radiátory (alebo iné vykurovacie zariadenia)
Prioritná schéma je efektívnejšia, pretože umožňuje rýchlo ohriať požadované množstvo vody bez ohrozenia ohrevu. Ak sú vykurovacie zariadenia vypnuté na 30-50 minút, je nepravdepodobné, že by teplota v miestnostiach v takom krátkom časovom období klesla, ale postačí ohriata voda.
Potrebuje kotol expanznú nádrž?
Nepriamy kotol obsahuje veľký objem vody, ktorá sa v dôsledku zahrievania rozširuje. Aby sa kompenzoval nárast objemu, musí byť do systému vyrezaná expanzná nádrž. V opačnom prípade bude „prebytočná“ voda vypustená cez pretlakový poistný ventil. Veľkosť expanznej nádrže sa volí v pomere 10-12% objemu kotla. Expanzné nádoby pre vykurovacie systémy nesmú byť umiestnené na horúcu vodu. Líšia sa vo výkone a veľmi rýchlo zlyhajú..
Ako si vybrať kotol na nepriame vykurovanie
V zásade je výber BKN veľmi podobný výberu konvenčného skladovacieho kotla. ale stručne zrekapitulujte hlavné body.
Hlasitosť je úplne prvá vec, ktorú si vyberiete. Zjednodušime si úlohu: v priemere 1 člen rodiny by mal mať 40-80 litrov vody. S výberom modelu vhodnej kapacity nebudú žiadne problémy. Dnes sú na trhu kotlov na nepriame vykurovanie predstavené modely s objemom 200 l až 1500 l..
Prietok vody vykurovacím okruhom – túto charakteristiku si pozrite z technického listu modelu.
Hodnota tejto charakteristiky by nemala byť väčšia ako 40% z celkového objemu vody, ktorá prechádza vykurovacím kotlom..
Materiál nádrže a tepelná izolácia – viete, najlepšou voľbou pre nádrž je nehrdzavejúca oceľ. Ako izoláciu je lepšie zvoliť polyuretánovú penu alebo minerálnu vlnu – majú najlepšie tepelnoizolačné vlastnosti..
Odborníci neodporúčajú vyberať modely s penovou izoláciou. Veľmi dobre neudržiava teplo.
Výpočet objemu skladovacej nádrže
Na približný výpočet objemu akumulačnej nádrže môžete použiť jednoduché odčítanie vodomeru. Keď do domu neustále prichádza rovnaký počet ľudí, denná spotreba bude mať rovnaké údaje..
Presnejší výpočet objemu je založený na spočítaní bodov vody s prihliadnutím na ich účel a počet žijúcich členov rodiny. Aby sme neprešli do zložitých vzorcov, spotrebu teplej vody odoberáme z tabuľky..
Schémy pripojenia k vykurovaciemu systému
Pri výbere schémy pripojenia pre nepriamy kotol na ohrev vody vezmite do úvahy umiestnenie zariadenia v dome, ako aj vlastnosti zapojenia vykurovacieho systému.
Jednoduchá a často používaná schéma je založená na pripojení nepriameho zariadenia cez trojcestný ventil. V dôsledku toho sa vytvoria dva vykurovacie okruhy: vykurovanie a teplá voda. Za kotlom sa pred ventil rozreže obehové čerpadlo.
Ak je dopyt po teplej vode malý, je vhodný systém s dvoma čerpadlami. Nepriamy ohrievač vody a kotol tvoria dva paralelné vykurovacie okruhy. Každý riadok má svoje vlastné čerpadlo. Schéma je vhodná pre vidiecke domy, kde sa zriedka používa teplá voda.
Schéma pripojenia je komplikovanejšia, ak je v dome nainštalovaný systém “teplá podlaha” spolu s radiátormi. Na distribúciu tlaku pozdĺž všetkých potrubí a spolu s nepriamym kotlom budú tri z nich, je nainštalovaný hydraulický rozdeľovač. Jednotka normalizuje cirkuláciu vody cez „teplú podlahu“, ohrievač vody a radiátory. Čerpacie zariadenie bez distribútora zlyhá.
Pri spotrebičoch na nepriamy ohrev vody s recirkuláciou vychádzajú z tela tri odbočné potrubia. Na pripojenie k vykurovaciemu systému sa tradične používajú dva výstupy. Z tretieho odbočného potrubia vedie slučková slučka.
Ak zariadenie na nepriame ohrev vody nemá tretiu odbočku a je potrebné vykonať recirkuláciu, potom je okruh spätného potrubia pripojený k potrubiu studenej vody a recirkulačné čerpadlo je dodatočne zapnuté.
Recirkulácia vám umožňuje získať horúcu vodu na výstupe z kohútika ešte predtým, ako sa kvapalina v akumulačnej nádrži kotla úplne zahreje.
Výkon výmenníka tepla
Tento parameter sa vyberá na základe toho, či bude vykurovací systém pripojený k tomuto zariadeniu, koľko ľudí žije v rodine. Voľba výkonu zariadenia závisí aj od plochy domu a od počtu miest príjmu vody.
Dôležité vlastnosti

Okrem výberu geometrických a tepelných charakteristík BKN je potrebné vziať do úvahy mnoho parametrov, aby bola tepelná schéma na pripojenie nepriameho vykurovacieho kotla k plynovému kotlu čo najefektívnejšia..
Na to musí používateľ splniť určité podmienky:
- Vyberte optimálne umiestnenie, odborníci tvrdia, že umiestnenie BKN by malo byť čo najbližšie ku kotlu.
- Zaistite ochranu pred tepelným predĺžením konštrukcie, na tento účel integrujte membránový akumulátor s objemom 10% pracovného objemu kotla do okruhu BKN na výstupe prívodu teplej vody zo zariadenia.
- Pred pripojením kotla vybavte každé vstupné / výstupné potrubie pre vykurovacie a vykurovacie médium guľovými ventilmi.
- Aby bola zaistená ochrana proti spätnému toku, je na vodovodnú vodu nainštalovaný spätný ventil..
- Pred dodávkou vody z vodovodu do BKN vykonajte čistenie vody inštaláciou filtra.
- Inštalácia stenovej konštrukcie BKN sa vykonáva na pevných stenách s predbežným ošetrením protipožiarnymi materiálmi.
- Inštalácia BKN sa vykonáva nad úrovňou kotlovej jednotky alebo na rovnakej úrovni s ňou.
Kritériá pre bezchybnú inštaláciu zariadenia
Medzi hlavné body inštalácie, na ktoré by sme sa mali zamerať, aby sme neurobili chyby, je zhoda priemerov potrubí s ohľadom na vstupné armatúry, ako aj prierez kábla, ktorý napája elektrický ohrievač kotol..
Priemer prívodných potrubí musí zaisťovať voľný tok vody pozdĺž vstupných / výstupných potrubí. Preto je stále prípustný väčší priemer hadíc s prechodom na veľkosť armatúr, ale prierez potrubí menší ako vstupné potrubia kotla je už považovaný za hrubú chybu.

Živý príklad vybavenia inštalácie kotla elektrickým vykurovaním všetkým potrebným príslušenstvom. Tu je potrebné poznamenať, že izolácia všetkých prichádzajúcich a odchádzajúcich vedení je vysoko kvalitná (bez chýb).
Na priereze napájacieho kábla je obrázok podobný. Nie je zakázané používať kábel väčšieho prierezu a kábel menšieho prierezu je prísne zakázaný..
Je pravda, že kábel s prierezom zvýšeným oproti norme spôsobuje problémy pri kladení do kanálov a zaberá viac voľného miesta. Tu sa zdá logické byť presné v závislosti od zaťažovacieho prúdu.
Zásuvka je obvykle namontovaná priamo na zariadení. Výška montáže zásuvky od úrovne podlahy nie je menšia ako 1,5 m. Domáce kotly sú určené na napájanie jednofázovým striedavým prúdom 220-250 W. Aktuálne zaťaženie spravidla nie je menšie ako 10 A..

Pripojenie kotlového systému podľa elektrickej schémy. Túto verziu spojení je možné považovať za vytvorenú bez chyby. Prierez vodiča zodpovedá prierezu uvedenému v dokumentácii, je prítomný uzemňovací obvod
Presná hodnota je určená výkonom ohrievača a je uvedená v technickej dokumentácii. Práve pre uvedenú hodnotu prúdu je potrebné vybrať istič.
Pre prietokové ohrievače (tabuľka) sú napríklad relevantné nasledujúce súčasné normy prerušenia pre automatické stroje:
| Výkon kotla (prietokový okruh), kW | Vypínací prúd stroja, A |
| 3.5 | dvadsať |
| 5.5 | 25 |
| 6.5 | tridsať |
V návode na kotol sú spravidla stanovené všetky požadované parametre pripojení. Používateľská príručka vysvetľuje presne všetky body inštalácie. Dokumenty, ktoré sú súčasťou balenia zariadenia, sa preto odporúča pred inštaláciou starostlivo preštudovať..
Prečo inštalovať malé ohrievače vody
Existuje niekoľko dôvodov pre inštaláciu takéhoto zariadenia, výber vhodného modelu do značnej miery závisí od nich..
- V prípade úplného nedostatku dodávky teplej vody. V takýchto miestnostiach môže byť inštalovaný nielen ohrievač vody pod malým drezom, ale aj veľkoobjemový skladovací kotol na kúpeľ..
- Na použitie v letnej sezóne. V mnohých mestách v lete je teplá voda bežne vypínaná na diagnostiku a opravy vodovodných potrubí. Aby nemali problémy s neustálym ohrevom vody pre domáce potreby, mnohí inštalujú tento typ zariadenia do svojich bytov..
- V prípade náhleho núdzového vypnutia teplej vody, keď sa v dome môžu vykonávať stavebné práce alebo výmena potrubia. V tomto prípade sa odporúča používať zariadenia s malým objemom. Desaťlitrový ohrievač vody sa ľahko zmestí pod umývadlo aj na stenu a nespôsobí žiadne problémy. Okrem toho je potrebné poznamenať, že najčastejšie sa vyrábajú v klasických farbách, ktoré nepokazia estetický vzhľad priestoru..

Významné vlastnosti a vybavenie
Elektrické ohrievače sú rozdelené na prietokové a akumulačné. Na dodávku teplej vody sa často používajú prietokové modely, na vykurovanie je potrebný akumulačný kotol (kotol).
S kotlom na viactarifové platby za energie môžete ušetriť: väčšinou bude kotol fungovať v nočnej zóne, keď je elektrina lacnejšia.
Odborníci odporúčajú vypočítať objem pohonu na základe pomeru 25 litrov na kilowatt výkonu. Základná požiadavka na kotol: dobrá tepelná izolácia stien.
Požadovaný výkon kotla sa vypočíta ako 1 kilowatt na desať metrov plochy plus korekčný faktor.
V regiónoch s miernym podnebím stačí pridať 15 percent k vypočítanej kapacite, v severných oblastiach – zvýšiť ho o jeden a pol až dvakrát. V prípade dvojokruhového kotla pripočítajte k výslednej hodnote najmenej štvrtinu na TÚV.
Vykurovacie teleso, bez ohľadu na jeho typ, je umiestnené v nádrži výmenníka tepla. Samotná nádrž je vybavená dýzami na pripojenie prívodného potrubia a spiatočky.
Medzi ovládacie zariadenia nevyhnutne patrí:
- tlakomer;
- snímač teploty s poistným ventilom;
- odvzdušňovací ventil;
- manuálny alebo autoregulátor;
- elektrický uzol na pripojenie k sieti.
Ovládanie výkonu je možné stupňovité a plynulé (ak je v riadiacom systéme zabudovaný reostat).
Vysoko kvalitný importovaný model je spravidla vybavený ďalšími funkciami: plynulé spustenie, displej z tekutých kryštálov, možnosť naprogramovať nastavenia.
Ako zvoliť veľkosť kotla pre drez
Na inštaláciu pod drez je vhodný ako malokapacitný zásobníkový ohrievač vody, napríklad séria Thermex Hit na 10 alebo 15 litrov, tak aj zariadenie s prietokovým princípom činnosti. V prípade inštalácie druhej možnosti bude samozrejme viac voľného miesta, ale nie každá kabeláž môže odolať svojmu silnému vykurovaciemu prvku a použitie takéhoto zariadenia bude mať väčší vplyv na účty za elektrinu..
Pokiaľ ide o kotly, ktoré je možné nainštalovať pod umývadlo, líšia sa objemom zásobníka vody..
- Desaťlitrová verzia je vhodná pre malú rodinu s maximálne dvoma ľuďmi. Na jednu osobu sa môže taká zásoba vody dokonca zdať prehnaná, ale v tomto prípade môžete ušetriť peniaze za plytvanie elektrickou energiou. Stojí za zmienku, že ak sa nádrž nevypne po každom použití, potom môžete v účtoch vidieť znateľný rozdiel. Ak plánujete nainštalovať nádrž pre jednu osobu, potom je ako najlepšia možnosť prietok.
- Pätnásťlitrová verzia je ideálna pre súkromný dom alebo byt, kde má rodina jedno dieťa v strednom veku. Ak je dieťa stále malé, starostlivosť o neho bude vyžadovať viac vody a v takom prípade sa nádrž nemusí vyrovnať s ťažkým nákladom..
- Dnes je 20-litrový model považovaný za jeden z najoptimálnejších a najžiadanejších. Ak budete vodné zásoby používať opatrne, môžete sa dokonca bez väčších ťažkostí osprchovať pre dvoch dospelých, čo je mimoriadne dôležité, ak rodina žije v súkromnom dome. V takej kuchyni môžete bezpečne robiť všetky potrebné veci, pretože za každú cenu bude dostatok vody, dokonca aj najpôsobivejšej. Podľa odborníkov tento objem stačí na to, aby ste po širokej hostine pre päť ľudí umyli všetky riady..
Ak to znamená aktívne používanie ohrievača vody pre veľký počet ľudí a neexistuje spôsob, ako nainštalovať kapacitné zariadenie, potom je lepšie nainštalovať prietokovú verziu pod umývadlo. Dokáže ohriať vodu v požadovanom objeme bez obmedzení. V tomto prípade by však malo byť zrejmé, že spotreba elektrickej energie sa môže niekoľkokrát zvýšiť. Všetko závisí od toho, ako efektívne sa bude používať..

Výrobcovia drezových ohrievačov vody
Pri nákupe sa odporúča venovať pozornosť krajine pôvodu. Čínska výroba sa spravidla javí ako najekonomickejšia, ale po krátkom čase bude potrebná výmena hlavných častí, čo povedie k dodatočným nákladom. Medzi tieto firmy patria výrobcovia Polaris, Ballu. Práve tieto ekonomické možnosti sú však dnes najžiadanejšie. Spoľahlivejšie sú modely nemeckej, švajčiarskej alebo domácej výroby, napríklad Thermex, Electrolux, AEG, Gorenje.
Rada:
- Na výpočet požadovaného objemu nádrže vezmite do úvahy spotrebu vody na osobu – až 90 litrov. Malo by sa tiež vziať do úvahy, že prietok chladiacej kvapaliny (vody) by nemal presiahnuť 35-38% z celkového objemu vody prechádzajúcej kotlom..
- Pretože kapacita BKN je obmedzená, v niektorých prípadoch môže byť potrebné použiť niekoľko vykurovacích nádrží, napríklad: jeden na vykurovanie, druhý na nepretržitú dodávku teplej vody.
- Niektoré modely kotla sú vybavené vykurovacími prvkami, ktoré umožňujú používať tieto zariadenia v teplej sezóne ako konvenčný elektrický zásobníkový ohrievač vody.

Schémy a funkcie pripojenia
Pre pripojenie nepriameho vykurovacieho kotla existujú dva princípy: s prioritou ohrevu teplej vody a bez nej. Pri prioritnom ohreve sa v prípade potreby čerpá celé vykurovacie médium cez výmenník tepla kotla. Zahrievanie trvá trochu času. Akonáhle teplota dosiahne nastavenú (riadenú snímačom, termostatickým ventilom alebo termostatom), všetok prietok je opäť smerovaný do radiátorov.
V schémach bez priority ohrevu vody je iba určitá časť toku chladiacej kvapaliny smerovaná na nepriamy ohrev vody. To vedie k tomu, že voda sa dlho ohrieva..

Pri pripájaní kotla na nepriame vykurovanie je lepšie zvoliť schému s prioritou – poskytuje teplú vodu v požadovanom množstve. Vykurovanie zároveň veľmi netrpí-20-40 minút zvyčajne stačí na zahriatie celého objemu vody a 3-8 minút na udržanie teploty na prietoku vo všeobecnosti. Za taký čas nemôže žiadny dom dostatočne vychladnúť, aby to cítil. Je to však za predpokladu, že kapacita kotla je porovnateľná s kapacitou kotla. V ideálnom prípade je kotol účinnejší s rezervou 25-30%.
Všeobecné pravidlá
Aby bola zaistená normálna prevádzka všetkých zariadení pripojených k teplovodnej koľajnici, je na výstupe z kotla (nie na vykurovanie) inštalovaná expanzná nádoba na teplú vodu. Jeho objem je 10% objemu nádrže. Je potrebná na neutralizáciu tepelnej rozťažnosti..

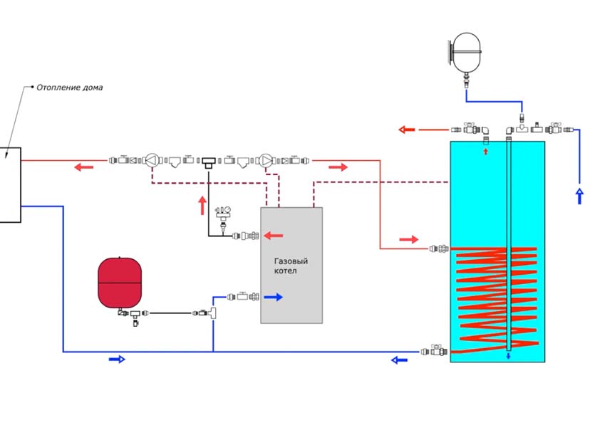
Podrobný diagram potrubia nepriameho vykurovacieho ohrievača vody
V každej vetve spojenia sú tiež nainštalované uzatváracie ventily (guľové ventily). Sú potrebné na to, aby bolo možné použiť každé zariadenie – trojcestný ventil, obehové čerpadlo atď. – v prípade potreby odpojte a vykonajte servis.
Na prívodných potrubiach sú spravidla inštalované aj spätné ventily. Sú nevyhnutné na vylúčenie možnosti protiprúdu. V tomto prípade bude pripojenie nepriameho vykurovacieho kotla bezpečné a ľahko sa udržiava..
Inštalácia vedľa kotla v systéme s núteným obehom (s 3-cestným ventilom)
Ak v systéme už je obehové čerpadlo a je nainštalované na prívode a kotol s núteným ohrevom je možné umiestniť vedľa kotla, je lepšie zorganizovať samostatný okruh, ktorý prechádza z vykurovacieho kotla. Toto pripojenie kotla na nepriame vykurovanie sa realizuje s väčšinou nástenných plynových alebo iných kotlov, v ktorých je na prívodnom potrubí nainštalované obehové čerpadlo. Pri tejto schéme pripojenia sa ukazuje, že ohrievač vody a vykurovací systém sú zapojené paralelne..

Ak je v prietokovom potrubí čerpadlo a ohrievač vody umiestnený vedľa kotla
Pri tomto spôsobe potrubia je za obehovým čerpadlom nainštalovaný trojcestný ventil ovládaný snímačom teploty (inštalovaným na kotle). Jeden z výstupov trojcestného ventilu je pripojený na odbočné potrubie kotla na pripojenie vykurovania. Pred vstupom do kotla je do spätného potrubia vyrezané odpalisko, do ktorého je pripojené odbočné potrubie na vypúšťanie vody z výmenníka tepla. V skutočnosti je zapojenie do vykurovacieho systému ukončené..
Postup pre túto schému je nasledujúci:
- Akonáhle snímač dostane informáciu, že teplota vody je nižšia ako nastavená, trojcestný ventil prepne chladiacu kvapalinu do kotla. Vykurovací systém sa vypne.
- Celý prietok chladiacej kvapaliny prechádza cez výmenník tepla, voda v nádrži sa ohrieva.
- Voda sa dostatočne zahreje, trojcestný ventil presmeruje chladiacu kvapalinu do vykurovacieho systému.
Čo robiť, ak je potrebná recirkulácia?
Často nastáva situácia, keď je v kúpeľni vyhrievaný vešiak na uteráky, cez ktorý musí voda neustále cirkulovať. Do tohto procesu môže byť zapojený kotol aj kotol..
V tomto prípade bude ohrievaná voda nepretržite cirkulovať v uzavretom kruhu pomocou čerpadla. Výhodou takejto schémy je, že voda z kohútika bude tiecť okamžite horúca (nemusíte ju vypúšťať).
Existuje však aj nevýhoda: spotreba paliva sa počas recirkulácie zvyšuje. Pohybom po vyhrievanom vešiaku na uteráky sa voda rýchlo ochladí, kotol bude musieť byť častejšie „rozptyľovaný“ prívodom teplej vody a súčasne spotrebovávať ďalšie palivo. Toto bude obzvlášť cítiť v schémach, kde sú zapojené kotly na tuhé palivá a kotly na nepriame vykurovanie..

Ale ani tento moment mnohých neodradí od používania tejto metódy. Počas recirkulácie sa vodné vrstvy zmiešajú a celková teplota ohrevu vody v okruhu TÚV klesá. V normálnom režime sa najskôr použije horná vrstva vody v nádrži a je teplejšia. Ale uteráky budú vždy suché..
Ako sa vyhnúť týmto nedostatkom? Existujú už špeciálne modely kotlov s nepriamym ohrevom vody s recirkuláciou. Vyhrievaná vešiak na uteráky je pripojená k rúrkam na to určeným na kotle. Zariadenia sú oveľa drahšie ako podobné možnosti pre ohrievače vody s rovnakým objemom, iba bez recirkulačného systému.
Pokyny na inštaláciu recirkulácie
Často sa stáva, že vodovodné armatúry sú umiestnené v dome v značnej vzdialenosti od kotla alebo v horných poschodiach. V tomto prípade majitelia budovy na získanie horúcej vody spravidla musia počkať, kým stagnujúci a chladený v potrubí odtečie z kohútikov v kúpeľniach. A to je samozrejme nepohodlné a nie obzvlášť ekonomické..
Túto situáciu je možné napraviť zostavením recirkulačného systému vo vidieckom dome. Inštalácia takejto siete je približne nasledovná:
- čo najbližšie k spotrebiteľovi je do prívodného potrubia horúcej vody vyrezané odpalisko;
- k odpalisku je pripojená rúrka požadovanej dĺžky;
- predĺžená linka je spojená s kotlom prostredníctvom recirkulačného potrubia;
- vedľa kotla pri odbočnom potrubí sa do okruhu preruší prídavné čerpadlo s nie príliš vysokým výkonom.
Pri použití takejto schémy voda v potrubiach medzi kotlom a spotrebiteľom po zapnutí čerpadla do elektrickej siete nebude stagnovať a podľa toho sa ochladí. To znamená, že obyvatelia domu budú môcť použiť horúcu vodu bezprostredne po odskrutkovaní kohútikov..
Užitočné vlastnosti
Objem zariadenia sa môže líšiť od 30 do 1500 litrov, závisí to od jeho účelu. Jednotky s objemom až 200 litrov sa vyrábajú nástenné, viac-stojace. 200 litrový kotol spravidla postačuje na splnenie potrieb teplej vody v jednej rodine. Účinnosť tohto zariadenia je vysoká a je asi 90%.
Moderné modely sú vybavené ďalšími elektrickými prvkami, vykurovacími prvkami alebo majú schopnosť ich pripojiť. To im umožňuje používať ich ako dodatočný zdroj ohrevu vody a počas horúcich mesiacov kotol vypnúť, čo výrazne zvyšuje životnosť kotla..
Schéma s dvoma obehovými čerpadlami
Pri inštalácii ohrievača vody do systému v obehovom čerpadle, ale nie vedľa neho, ale v určitej vzdialenosti, je lepšie nainštalovať obehové čerpadlo do okruhu na ohrievači vody. Pripojenie nepriameho vykurovacieho kotla je v tomto prípade znázornené na obrázku nižšie..

Schéma zapojenia kotla s automatickým ovládaním
Cirkulačné čerpadlo môže byť inštalované buď na prívodnom potrubí, alebo na opačnom konci. V tejto schéme nie je trojcestný ventil, obvod je pripojený prostredníctvom bežných odpalísk. Prepínanie toku chladiacej kvapaliny sa vykonáva zapnutím / vypnutím čerpadiel a je ovládané teplotným snímačom, ktorý má dva páry kontaktov.
Ak je voda v nádrži chladnejšia než voda nastavená na snímači, zapne sa výkonový obvod obehového čerpadla v okruhu kotla. Po dosiahnutí stanoveného stupňa zahrievania sú kontakty čerpadla zatvorené, čo poháňa chladiacu kvapalinu do vykurovacieho systému.
Schéma energeticky nezávislého kotla
V schéme s neprchavým kotlom je na zaistenie priority kotla žiaduce, aby bol vyšší ako radiátory. To znamená, že v tomto prípade je inštalácia stenových modelov žiaduca. V ideálnom prípade je spodok nepriameho ohrievača vody nad kotlom a radiátormi. Takéto usporiadanie však nie je vždy možné..
Okruhy budú fungovať aj vtedy, keď je kotol umiestnený na podlahe, ale voda sa bude ohrievať pomalšie a v spodnej časti nebude dostatočne horúca. Jeho teplota bude porovnateľná so stupňom zahrievania vratného potrubia, to znamená, že dodávka teplej vody bude menšia.
Pri neprchavom zahrievaní dochádza k pohybu chladiacej kvapaliny v dôsledku gravitačnej sily. V zásade je možné pripojiť nepriamy vykurovací kotol podľa tradičnej schémy – s obehovým čerpadlom v okruhu na jeho vykurovanie. Jednoducho v tomto prípade, keď je elektrina vypnutá, nebude teplá voda. Ak nie ste s týmto obratom spokojní, existuje niekoľko schém, ktoré budú fungovať s gravitačnými systémami..

Schéma pripojenia nepriameho ohrievača vody na gravitačný systém
Pri implementácii tejto schémy je okruh, ktorý prechádza do ohrievača vody, vyrobený s rúrkou s priemerom o 1 stupeň väčším ako je vykurovací. Práve to dáva prednosť.
V tejto schéme je po odbočke do vykurovacieho systému nainštalovaná termostatická hlavica s upínacím senzorom. Funguje na batérie a nevyžaduje externé napájanie. Na regulátore termostatu je nastavená požadovaná teplota ohrevu vody (nie vyššia ako teplota na napájaní kotla). Kým je voda v nádrži studená, termostat otvorí prívod do kotla, prietok chladiacej kvapaliny ide hlavne do kotla. Pri zahriatí na požadovaný stupeň je chladiaca kvapalina presmerovaná do vykurovacej vetvy.
Uzavretý typ s prirodzenou cirkuláciou
Tiež pomerne jednoduchá schéma potrubia s malým počtom spotrebičov tepla. Schéma je veľmi podobná otvorenému typu. Vyznačuje sa zahrnutím uzavretej expanznej nádrže s membránou, ktorá je inštalovaná na vratnom potrubí. Nezabudnite tiež na skupinu zabezpečenia. Niektoré modely sú ním už vybavené vo výrobe.
Pri viazaní vykurovacieho kotla na polypropylén je tu niekoľko dôležitých bodov. Odbočka z generátora tepla do bezpečnostnej skupiny je vyrobená z kovu, potom je položená z polypropylénu. Časť spätného potrubia s nainštalovaným trojcestným ventilom a snímačom je tiež kovová. Polypropylén má nízku tepelnú vodivosť. Ak je na ňom nainštalovaný trojcestný ventil, bude reagovať oneskorene na zvýšenie teploty a senzor poskytne informácie nesprávne..
Otvorený okruh
Existuje niekoľko spôsobov, ako pripútať zdroj tepla. Najbežnejšou je schéma pripojenia kotla na tuhé palivá k vykurovaciemu systému otvoreného typu. Medzi výhody takéhoto páskovania patrí:
- vysoký výkon;
- jednoduchosť montáže systému;
- bezpečnosť;
- nedostatok volatility;
- nízke náklady na vybavenie.
Medzi nevýhody patrí zložitosť regulácie teploty chladiacej kvapaliny. Vnikanie kyslíka do systému cez otvorenú expanznú nádobu vedie k korózii vnútorného povrchu potrubí.
Aby sa obmedzil prienik kyslíka do expanznej nádrže, musí sa pridať olejová kvapalina, aby sa po celej ploche chladiacej kvapaliny vytvoril film.
Pripojenie na nástenný jednokruhový kotol
Nástenné plynové kotly sú spravidla vybavené vstavaným obehovým čerpadlom a ventilom, ktorý je zodpovedný za prepínanie medzi vykurovaním a vykurovacím okruhom kotla. V tomto prípade nie je potrebná dodatočná inštalácia obehového čerpadla alebo trojcestného ventilu. Stačí pripojiť 2 potrubia – prívod a spiatočku, zakúpiť teplotný snímač pre kotol a používať plnohodnotný systém.

Príklad pripojenia kotla na nepriame vykurovanie na kotol Buderus Logamax U072. Všetky pripojenia sú bližšie k stene za kotlom.
Nosič tepla je dodávaný do hornej časti výmenníka tepla z kotla, prechádza cievkou a vracia sa potrubím do kotla. Tento princíp pripojenia kotla k nepriamo vykurovaciemu kotlu sa používa na zabezpečenie toho, aby pri vstupe vody do nádrže. Najprv sa začalo ohrievať relatívne studenou časťou výmenníka tepla a potom ohrievačom.

Schéma potrubia pre kotol na nepriame vykurovanie s nástenným jednokruhovým kotlom
Medzi dvoma systémami na prívode a na spiatočke musia byť uzatváracie ventily. Guľové ventily sú inštalované v blízkosti kotla alebo na vstupe a výstupe, priamo na ohrievač vody. Kotol je pripojený pomocou rýchleho konektora. Toto pripojenie slúži na jednoduchú údržbu alebo výmenu kotla v prípade potreby..
Ak je guľový ventil namontovaný v blízkosti kotla na vstupe a výstupe, potom sú medzi ventil a ohrievač vody nainštalované odnímateľné spojenia. Nástenné jednokruhové kotly sú napojené na nepriamy vykurovací kotol podľa rôznych schém-ak je k dispozícii iba jeden výstup, napríklad napájanie, potom je možné návratnosť zdieľať s vykurovacím systémom. Existujú 2 východy, a to ako pre dodávku, tak aj pre návrat. Niektoré elektrické kotly a plynové kotly nemajú vývod na potrubie kotla na nepriame vykurovanie. V takom prípade je potrebné zakúpiť súpravu na pripojenie kotla. Sada však musí obsahovať ventil a servomotor, ktoré by sa mali použiť na pripojenie k automatizácii kotla.
Vyzerá to ako príklad plynového kotla Baxi Ecofour:

Pripojenie k podlahovému jednokruhovému kotlu
Pripojenie k jednokruhovému kotlu prvého typu sa v zásade nelíši od druhého. Majú tiež prietok a spiatočku – tok je privádzaný zhora a spiatočka sa vracia zospodu. Jedinou výhradou je, že v hornej časti sa môže vytvoriť vzduchový uzáver. Aby sa tomu zabránilo, musí byť nainštalovaný automatický odvzdušňovací ventil..

Ako pripojiť kotol na nepriame vykurovanie k podlahovému kotlu? Podlahové kotly nemajú vstavané čerpadlo a trojcestný ventil, preto je potrebné dodatočne nainštalovať buď trojcestný ventil, alebo obehové čerpadlo. Pozrime sa podrobnejšie na diagram, ako viazať kotol na podlahový kotol s obehovým čerpadlom.
Návrat z kotla spájame priamo s podlahovým plynovým kotlom pomocou odpalísk. Na spätné vedenie alebo na prívod inštalujeme obehové čerpadlo. Nezabudnite na uzatváracie ventily – namontujeme guľový ventil pred a za čerpadlo, ako aj filter a spätný ventil. Pri pripájaní kotla inštalujeme odpojiteľné spojenia: guľový ventil inštalujeme iba na spätné potrubie, pretože guľový ventil je už nainštalovaný v blízkosti čerpadla na prívode. Pri tejto schéme pripojenia je čerpadlo riadené automatizáciou kotla – zapína a vypína sa v závislosti od toho, kedy je potrebné vykurovať kotol..
Pripojenie pomocou rozdeľovača alebo hydraulickej šípky

Pri druhej možnosti pripojenia je za hydraulickou šípkou zapojený prívod a spiatočka z kotla s vlastným samostatným čerpadlom. Po hydraulickej šípke je obvykle nainštalované kolektorové vedenie s vlastnými samostatnými čerpadlami, napríklad na vykurovaný podlahový okruh, na radiátorový okruh a je tam spojený vykurovací okruh kotla s vlastným samostatným čerpadlom. V tomto prípade bude potrebná ďalšia automatizácia, ktorá bude ovládať kotol a všetky čerpadlá, ktoré sú v tejto schéme prítomné..
Táto schéma pripojenia je vhodná pre veľké domy dvoch až troch úrovní. Z kotla ide napájanie do kolektora a tam je už distribuované na vykurovanie každého poschodia a do kotla na nepriame vykurovanie.
Zostáva vyriešiť iba jeden problém – pochopiť, kedy je potrebné ohriať nádrž. Za týmto účelom namontujte termostat s ponornou žiarovkou a pripojte ho k obehovému čerpadlu. Keď sa kotol ochladí, termostat signalizuje zapnutie čerpadla a naopak.
Prirodzene existujú aj ďalšie možnosti pripojenia kotla a kotla, ale hovorili sme o najbežnejších schémach pre dnešok.
Pripojenie hydraulického akumulátora
Zvážte pripojenie kotla podľa schémy dodávky teplej vody – ako nástenný plynový kotol pripojený k kotlu sa výmenník tepla zahrieva. Studená voda, stúpajúca potrubím, prechádza hrubým filtrom a potom ide pozdĺž steny, priamo do kotla. Pred pripojením potrubia studenej vody k kotlu je potrebné nainštalovať guľový ventil s odnímateľným pripojením, ktorý musí smerovať k nádrži. Potom by ste mali nainštalovať bezpečnostný spätný ventil, takzvaný dva v jednom. Potom nainštalujte odpalisko pre pripojenie hydraulického akumulátora (expanzná nádrž) a až potom pripojte potrubie studenej vody k kotlu..

Pri pripájaní studenej vody musíte presne dodržať vyššie uvedenú postupnosť:
- guľový ventil;
- bezpečnostný spätný ventil;
- expanzná nádoba;
- pripojenie na kotol.
Je vhodné vykonať také páskovanie pri vchode, to znamená vedľa kotla. Bezpečnostný spätný ventil pre kotol sa spravidla dodáva s ohrievačom vody. Ak nie je súčasťou súpravy alebo sa stratil, musíte si ju kúpiť. Poistný spätný ventil si môžete kúpiť hotový alebo samostatne, to znamená samostatný poistný ventil a samostatný spätný ventil a spojiť ich dohromady. Studená voda po guľovom ventile musí prechádzať spätným ventilom a potom cez poistný ventil a ísť do rozšírenej nádrže.

Pred kúpou bezpečnostného spätného ventilu sa musíte pozrieť do pasu kotla, aký tlak by mal fungovať. Do kotla sme teda dodávali studenú vodu, pretože sme všetko správne uviazali. Na výstup horúcej vody nám stačí nainštalovať guľový ventil s odpojiteľným pripojením, ktorý musí byť inštalovaný medzi kohútikom a kotlom. V prípade potreby je možné nainštalovať expanznú nádobu pre kotol a na výstup horúcej vody medzi kohútik a kotol je nainštalované odpalisko a je pripojená expanzná nádrž. Nádrže sú univerzálne, na prívod teplej alebo studenej vody, alebo len na prívod teplej vody. Hlavná vec je, že teplota vody funguje – až +70 stupňov.
Expanzné nádoby, ktoré sa používajú na vykurovanie, nie sú vhodné na dodávku teplej vody. Expanzné nádrže pre systémy TÚV sa vyberajú v závislosti od kapacity kotla. Spravidla nie menej ako 10% z celkového objemu.
Odporúča sa vybrať akumulátory s malou rezervou:
- 150 litrov – 18 -litrová nádrž;
- 200 litrov – 25 litrová nádrž.
Pripojenie niekoľkých kotlov do jedného systému
V regiónoch, kde sú nestabilné dodávky plynu alebo elektriny, sa uchýlia k inštalácii dvoch kotlov, napríklad na tuhé palivo a plyn. Tieto dve jednotky môžu fungovať rôznymi spôsobmi:
- Sériové pripojenie – medzi jednotkami je inštalovaný tepelný akumulátor, do ktorého je z kotla na tuhé palivo dodávaná vyhrievaná chladiaca kvapalina. Potom sa odošle do systému plynovým zariadením a potom sa odchýli k spotrebiteľom.
- Paralelné zapojenie – v tomto prípade je činnosť jednotky na tuhé palivá monitorovaná bezpečnostnými senzormi. Je nainštalovaný aj trojcestný ventil, pomocou ktorého môžete vypnúť ktorúkoľvek z jednotiek.
Ako pripojiť podlahové vykurovanie?
Kotol s výkonom 3 kW je možné prispôsobiť vykurovaciemu systému „teplá podlaha“. Vykurovať bude môcť plochu 30 m2. Optimálna teplota podlahy je 24 ° C. Na dosiahnutie tohto režimu je potrebná chladiaca kvapalina s teplotou asi 40 ° C..
Na podlahové vykurovanie budete potrebovať ohrievač vody s vývodmi pre teplé a studené okruhy. Optimálny priemer trysiek je 26 mm. K nim sú pripojené kovové rúrky, ktoré odvádzajú chladiacu kvapalinu do vykurovacieho systému..
- Na drsný podklad je položená tekutá linka. Na to môžete použiť rúry vyrobené z tepelne odolného plastu. Sú napojené na studený a horúci výstup na rozdeľovači rozdeľovača.
- Kovové potrubia sú vedené z rozvádzača do kotla.
- Na rozdeľovači je nainštalovaný trojcestný ventil s tepelnou hlavou. Reguluje teplotu „teplej podlahy“.
- Na horúcom okruhu je nainštalované obehové čerpadlo. Čerpá chladiacu kvapalinu do potrubia.
- Na odstránenie prebytočnej vody z vykurovacieho systému je k dispozícii expanzná nádrž. Je inštalovaný na studenom kovovom potrubí pri vchode do kotla. Pred ním vybavte trubicu na výstup vzduchu.
V ohrievači vody na podlahové vykurovanie chladiaca kvapalina dosiahne určitú teplotu a je vypúšťaná dýzou do horúceho okruhu. Voda vstupuje do hlavného potrubia pod tlakom. Hlavu zabezpečuje obehové čerpadlo.
Tekutina prúdi potrubím do podlahového okruhu. Chladená voda prúdi cez kolektor do vratného potrubia. Ak teplota chladiacej kvapaliny prekročí stanovenú normu, automatizácia na trojcestnom ventile uzavrie prístup k horúcej vode a otvorí výstup pre chladenú chladiacu kvapalinu; sú kombinované v zmiešavacej komore.
Teplota teplej vody postupne klesá. Keď sa chladiaca kvapalina ochladí, tepelná hlava zablokuje prístup chladenej kvapaliny a voda z kotla opäť vstúpi do systému..
Na ohrievači vody podlahového vykurovania a na kolektore sú nainštalované samostatné automatické zariadenia, ktoré regulujú teplotu vody. Tepelná hlava na rozdeľovači riadi činnosť tekutinového okruhu na podlahe. Termostat na kotle reguluje ohrev vody v kotle.

Odporúčame nákup akumulačných kotlov týchto značiek: Ariston, Timberk, Zanussi, Gorenje. Pre vybavenie nie je potrebné ísť do Moskvy. Ohrievače vody sa nakupujú prostredníctvom online obchodných platforiem v obchodoch s vykurovacími zariadeniami.
Vyberte si kotly s možnosťou pripojenia vedenia pre teplú podlahu alebo pre radiátorový vykurovací systém.
Inštalácia s elektrickou alebo plynovou jednotkou
Do jedného vykurovacieho systému je možné nainštalovať dva generátory tepla, z ktorých hlavným je jednotka na tuhé palivá a ďalším je plynový alebo elektrický kotol. Táto možnosť je výhodná, pretože v noci môžete zapnúť kotol, ktorý pracuje v automatickom režime. Plyn vo valcoch je nepohodlné používať ako hlavný nosič energie z dôvodu potreby starať sa o pravidelné dodávky paliva. Elektrická energia je najdrahším zdrojom energie a je najziskovejšie prevádzkovať takúto kotolňu iba v noci, ak má región systém lacných nočných taríf.
Ako pripojiť kotly na tuhé palivá a plyn do jedného systému na vykurovanie veľkého domu? Najjednoduchšou možnosťou je prepojiť dva generátory tepla paralelne prostredníctvom tepelného akumulátora, ktorý bude navyše fungovať ako zberač s nízkymi stratami.
Plynový kotol pracuje v pohotovostnom režime, zatiaľ čo voda v vyrovnávacej nádrži je ohrievaná jednotkou na tuhé palivo. Po vyhorení paliva sa chladiaca kvapalina začne ochladzovať a akonáhle snímač teploty vyšle príslušný signál do ovládača plynovej jednotky, automaticky sa zapne. Keď sa generátor tepla na tuhé palivo opäť spustí, dôjde k opačnému procesu – zahriatie chladiacej kvapaliny nad určitú teplotu povedie k vypnutiu plynového horáka.
Systém s elektrickým kotlom vo veľkých domoch je namontovaný podľa podobného princípu. Ale pre malé súkromné domy je relevantná jednoduchšia a lacnejšia možnosť pripojenia TT a elektrického kotla (pozri diagram).

Schéma zapojenia kotla na tuhé palivo a elektrického kotla
Kotlové jednotky sú zapojené paralelne s inštaláciou spätných ventilov na každom výstupe. Elektrický kotol je vybavený vstavaným obehovým čerpadlom, ktoré sa nedá vypnúť, preto je pre generátor tepla na tuhé palivo potrebné zvoliť výkonnejšie čerpadlo, aby mal kotol TT výhodu oproti elektrickému, keď pracovať spolu.
Systém je doplnený:
- termostat, ktorý po ochladení chladiacej kvapaliny vypne obehové čerpadlo kotla TT;
- snímač izbovej teploty, ktorý zapne elektrický kotol, keď teplota v miestnosti klesne po vyhorení paliva v jednotke TT.
Metóda primárneho a sekundárneho prstenca
Ako prepojiť dva kotly do jedného systému pomocou minimálneho množstva elektroniky? Aplikácia metódy primárnych a sekundárnych cirkulačných krúžkov umožňuje vykonávať spoločné potrubie jednotky TT a elektrického kotla. Hydraulické oddelenie tokov sa vykonáva bez inštalácie hydraulického spínača.

Možnosť pripojenia dvoch typov kotlov k jednému vykurovaciemu systému
Oba kotly, kotol TÚV, ako aj všetky vykurovacie okruhy sú prepojené prívodným a vratným potrubím k jednému obehovému prstencu – sú to primárne. Minimálny pokles tlaku je zaistený malou vzdialenosťou medzi každým párom pripojení (nie viac ako 300 mm). Hlava čerpadla inštalovaná v hlavnom okruhu zaisťuje pohyb chladiacej kvapaliny pozdĺž primárneho prstenca, pričom prietok nie je ovplyvnený čerpadlami sekundárnych obvodov (ku ktorým sú pripojené spotrebiče tepla).
Aby systém správne fungoval, je potrebné vykonať komplexné hydraulické výpočty a zvoliť optimálny priemer potrubia pre všetky okruhy.
Je tiež dôležité vypočítať výkon čerpadla. Skutočný výkon čerpacej jednotky v hlavnom okruhu musí prekročiť prietok chladiacej kvapaliny v „najobjemnejšom“ sekundárnom okruhu
Fázy viazania
Najprv sa nakreslí schéma inštalácie s prihliadnutím na rozmery miestnosti a vybrané miesta pre všetky zariadenia. Potom sa označia a vyvŕtajú otvory pre vykurovací kotol a kotol. Ak sú zariadenia umiestnené na zemi, odporúča sa pre ne vytvoriť malý základ podľa veľkosti priestorov..
Ďalej, podľa rozmerov, sú propylénové rúrky narezané a navzájom spojené pomocou T -kusov pomocou spájkovačky. Namontujú sa čerpadlá, kohútiky, filtre a všetko sa spojí do jedného systému. Ak máte ďalšie okruhy, napríklad na horúcej podlahe, je nainštalovaný kolektor, ktorý rovnomerne rozdeľuje prietoky chladiacej kvapaliny.

Schéma zapojenia dvojokruhového kotla
Vyžaduje sa expanzná nádrž a bezpečnostný komplex. Pri inštalácii bezpečnostnej skupiny by ste mali vziať na vedomie, že ak funguje, bude z nej prúdiť voda. Pri expanzii preteká prebytočné množstvo chladiacej kvapaliny do expanznej nádrže.
Po všetkých pripojeniach sa spustí voda do systému a skontrolujú sa všetky pripojenia. Ak nie sú žiadne netesnosti, kotol sa spustí a skontroluje sa rýchlosť ohrevu batérií..
Páskovanie s hydraulickým výložníkom
Toto pripojenie sa používa pre volumetrické kotly (200 l alebo viac) a rozvetvené vykurovacie systémy s mnohými ďalšími obvodmi. Príkladom je vykurovací systém v dvojposchodovom dome, kde sa okrem viac okruhovej siete radiátorov používajú aj vyhrievané podlahy..

Na zjednodušenie rozloženia vykurovacieho systému a zabránenie inštalácii recirkulačných čerpadiel na každú vykurovaciu vetvu je potrebný hydraulický rozdeľovač (hydraulická šípka).
Vybavenie hydraulickej šípky vám umožňuje vyhnúť sa tepelným šokom, pretože tlak vody v každom okruhu bude rovnaký. Podľa tejto schémy je veľmi ťažké vyrobiť pásku sami, takže je lepšie kontaktovať profesionálnych inštalatérov.
Trojcestný ventil a servo
Táto metóda sa používa pri potrubí jednokruhového kotla a kotla. Vhodný pre nástenné aj podlahové spotrebiče.
Servopohon v tomto obvode slúži len na ovládanie činnosti ventilu. Táto kontrola prebieha pomocou termostatu samotného kotla. Hneď je potrebné poznamenať, že na použitie tejto konkrétnej schémy je potrebné obehové čerpadlo a expanzná nádrž. Čerpadlo slúži na prenos chladenej vody z potrubia TÚV do ohrievača vody. Preto horúca voda bude prúdiť okamžite, stojí za to otočiť kohútikovým ventilom.
Expanzná nádoba na ohrievač vody sa nesmie používať na vykurovací systém. Je to všetko o teplotnom rozdiele pracovnej tekutiny. Nádrž môže „vydržať“ vodu iba s teplotou do 70 ° C, zatiaľ čo vykurovací systém môže používať technickú kvapalinu, ktorej teplota môže dosiahnuť 120 ° C.
Podstata metódy. dominancia v dvojici bojler-ohrievač vody jednoznačne patrí kotlu. Termostat teda ovláda ventil. Keď príde signál z termostatu, trojcestný ventil presmeruje prietoky kvapaliny buď do vykurovacieho systému, alebo do TÚV.
Napríklad, ak sa kvapalina v kotle ochladila, ventil “pošle” kvapalinu do cievky ohrievača vody, aby sa zahrial. Po dokončení tejto úlohy je chladiaca kvapalina presmerovaná späť do vykurovacieho systému..
Ak je vo vašej oblasti veľmi „tvrdá“ voda, odporúčame vám použiť iba jednokruhový kotol + kotol s ventilom, a nie dvojokruhový kotol. Všetky vnútorné zostavy a ich časti sa pri neustálom kontakte s tvrdou vodou veľmi rýchlo rozpadajú.
Nezabudnite na správne nastavenie termostatu! Ak najvyššia teplota vody v nádrži ohrievača vody prekročí teplotu vody vo vykurovacom okruhu, potom sa ohreje iba voda v ohrievači vody. Obrat nedosiahne vykurovací systém, pretože maximálna úroveň teploty vody v kotle sa nikdy nedosiahne.

Systém 2 obehových čerpadiel
Ako ste už pravdepodobne pochopili z názvu, za pohyb tekutiny v každom okruhu je zodpovedné jeho vlastné čerpadlo. Mimochodom, čerpadlo pre kotol je namontované pred čerpadlom pre kotol – to nevyžaduje trojcestný ventil..
Kotol a ohrievač vody sú namontované paralelne a ich interakcia bude prebiehať na úkor čerpadla. Mimochodom, posledné slovo v páre „kotol – ohrievač vody“ opäť zostáva za okruhom TÚV.
Po každom čerpadle je potrebný spätný ventil. Pomáha to vyhnúť sa „kontaktu“ medzi týmito dvoma vláknami..
Podstata metódy. oba okruhy nemôžu spolupracovať. Keď je aktivované vedenie TÚV, vykurovací systém sa vypne. Nie je to však desivé: voda dosahuje požadovanú teplotu veľmi rýchlo (20-40 minút). Počas tohto časového obdobia teplota batérií neklesne na kritickú úroveň..
Spôsob recirkulácie TÚV

Pripojenie vykurovacích kotlov a nepriamych vykurovacích kotlov v dome
Táto metóda je realistická, ak výrobca zabezpečil tretí vstup do kotla, prostredníctvom ktorého bude voda recirkulovaná. Je to nevyhnutné na zvýšenie rýchlosti dodávky teplej vody do bodu príjmu vody. Zhruba povedané: kohútik bol otvorený a horúca voda okamžite vytekala, ako sme už povedali.
Výhoda metódy: vysoká úspora vody, pretože nebudete musieť čakať, kým sa nevypustí všetka studená voda z potrubia, kým príde rad na už horúcu.
Čo je potrebné na implementáciu tohto systému?
- Spätný ventil – vďaka nemu horúca voda nevstúpi do systému so studenou vodou, ak je tlak v kotle vysoký.
- Poistný ventil n – ochráni ohrievač vody pred poškodením v dôsledku tlakových rázov.
- Expanzná nádrž – stabilizuje tlak v TÚV, keď sú ventily zatvorené.
- Automatický odvzdušňovací ventil – odstráni zachytený vzduch.
Ako znížiť náklady na páskovanie
Základná schéma pripojenia kotla na tuhé palivá počíta s použitím trojcestného zmiešavacieho ventilu vybaveného tepelnou hlavou a snímačom upevnenia. Toto zariadenie je dosť drahé a môže byť nahradené lacnejšou možnosťou-trojcestným ventilom so vstavaným termostatickým prvkom. Takéto zariadenie má pevné nastavenie – ventil sa spustí, keď teplota média dosiahne 55 alebo 60 stupňov (v závislosti od modelu).
Inštalácia ventilu, ktorý udržuje pevnú teplotu, znižuje finančné náklady na inštaláciu ochrany jednotky na tuhé palivá pred kondenzátom a extrémnymi teplotami. Stratí sa schopnosť flexibilne ovládať teplotu chladiacej kvapaliny, odchýlky od nastavenej hodnoty môžu dosiahnuť 1-2 stupne, ale to nie je rozhodujúce.
S recirkuláciou teplonosného média
Ak je v systéme vešiak na uteráky vyhrievaný vodou, je potrebná neustála cirkulácia vody. Inak to nepôjde. Všetky spotrebiče je možné pripojiť k recirkulačnej slučke. V tomto prípade bude čerpadlo horúcu vodu neustále naháňať v kruhu. V takom prípade otvorením vody kedykoľvek dostanete horúcu vodu – nebudete musieť čakať, kým z potrubí vytečie studená voda. Toto je pozitívny bod..
Negatívom je, že pripojením recirkulácie zvyšujeme náklady na ohrev vody v kotle. Prečo? Pretože voda beží pozdĺž prstenca, ochladzuje sa, a preto bude kotol častejšie napojený na ohrev vody a vynakladanie väčšieho množstva paliva na ňu..

Pripojenie recirkulačného krúžku k špeciálnemu výstupu nepriameho okruhu
Druhou nevýhodou je, že recirkulácia stimuluje miešanie vrstiev vody. V normálnej prevádzke je najhorúcejšia voda hore, odkiaľ je privádzaná do okruhu TÚV. Za miešania celková teplota prívodu vody klesá (pri rovnakých nastaveniach). Napriek tomu je to pre vyhrievaný vešiak na uteráky snáď jediné východisko..
Ako realizovať zapojenie nepriameho vykurovacieho kotla s recirkuláciou? Existuje niekoľko spôsobov. Prvým je nájsť špeciálne nepriame zariadenia so vstavanou recirkuláciou. Je to veľmi výhodné – vyhrievaná vešiak na uteráky (alebo celá slučka) je jednoducho pripojená k zodpovedajúcim tryskám. Cena takýchto možností pre ohrievače vody je však takmer dvakrát vyššia ako cena obyčajnej nádrže rovnakého objemu..

Pripojenie nepriameho vykurovacieho kotla s recirkuláciou
Druhou možnosťou je použiť modely, ktoré nemajú vstup na pripojenie recirkulačného okruhu, ale pripájajú ho pomocou odpalísk.
Recirkulačná čiara
Ak sa z času na čas použije horúca voda, tá jej časť, ktorá je v potrubí, má čas vychladnúť. Pri otváraní vodovodného kohútika z BKN musí používateľ počkať, kým sa nevypustí. Aby sa ušetrilo, do potrubia na strane TÚV je nainštalované recirkulačné čerpadlo, ktoré periodicky cirkuluje vodou cez systém. 
Bezpečnostná skupina kotla na nepriame vykurovanie
Bezpečnostná skupina je nepostrádateľným prvkom potrubia kotla na tuhé palivo. Zabraňuje prasknutiu výmenníka tepla pri prekročení maximálneho prípustného tlaku a odvádza vzduch zo systému. Rovnakú bezpečnostnú skupinu musí mať aj kotol na nepriame vykurovanie. Môže sa vykonávať na jednom zberači alebo distribuovať v celom systéme:
- manometer je inštalovaný na prednej stene kotla;
- poistný ventil je kombinovaný so spätným ventilom (na prívode studenej vody);
- odvzdušňovací ventil je namontovaný v najvyššom bode na výstupe TÚV.
Spojenie kotla na tuhé palivá s kotlom na nepriame vykurovanie
Pripojenie ohrievača vody k bojleru na tuhé palivá rieši dva problémy naraz:
- príjem teplej vody;
- získanie spôsobu vypúšťania chladiacej kvapaliny v prípade nehody.
Vďaka tomu, že takýto systém má na batérii termostatický ventil, je pohodlie zvýšené. Existuje však nebezpečenstvo prehriatia kotla. Rovnaká hrozba vzniká aj pri výpadkoch prúdu. Pokiaľ je nainštalovaný kotol s väčším výkonom, tento proces nepredstavuje žiadne nebezpečenstvo. Pretože prebytočné teplo sa vynakladá na ohrev vody v ohrievači vody. Preto je pre normálnu prevádzku tohto systému potrebný kotol s prirodzeným vetraním..
Prečo potrebujete vyrovnávaciu nádrž pre TT alebo elektrický kotol
- po vypnutí TT kotla v dôsledku spaľovania palivového dreva alebo uhlia v noci pokračuje vykurovanie budovy;
- prehriatie a var chladiacej kvapaliny (častý výskyt počas prevádzky kotla TT) je vylúčené;
- pri inštalácii akumulačnej nádrže s okruhom TÚV môžete poskytnúť teplú vodu doma;
- nádrž s dvoma výmenníkmi tepla je možné súčasne pripojiť k bojleru, teplovodnému systému a solárnym kolektorom alebo k čerpadlu zemného zdroja.
V prípade paralelného pripojenia elektrického a kotla na tuhé palivá k jednej vykurovacej sieti plní akumulačná nádrž úlohu tepelného akumulátora a hydraulického separátora.
| Obytná plocha / výdrž batérie | 8 hodín | 10 hodín | 12 hodín | 14 hodín | 16 hodín |
| 100 m² | 587 l | 734 l | 881 l | 1028 l | 1175 l |
| 150 m² | 880 l | 1101 l | 1321 l | 1542 l | 1762 l |
| 200 m² | 1174 l | 1468 l | 1762 l | 2056 l | 2350 l |
Pripojenie potrubia tepelného akumulátora k vykurovaciemu systému
Všeobecne platí, že vyrovnávacia nádrž je pripojená k vykurovaciemu systému paralelne s vykurovacím kotlom, preto sa takýto obvod nazýva aj obvod potrubia kotla.
Tu je obvyklý diagram pripojenia TA k vykurovaciemu systému s vykurovacím kotlom na tuhé palivo (na zjednodušenie diagramu to neznamená uzatváracie ventily, automatizáciu, riadiace zariadenia a ďalšie zariadenia).
Tento diagram ukazuje nasledujúce prvky:
- Vykurovací kotol.
- Tepelný akumulátor.
- Vykurovacie zariadenia (radiátory).
- Obehové čerpadlo vo vratnom potrubí medzi kotlom a TA.
- Obehové čerpadlo v spätnom potrubí systému medzi vykurovacími zariadeniami a TA.
- Výmenník tepla (špirála) na dodávku teplej vody.
- Výmenník tepla pripojený k ďalšiemu zdroju tepla.
Jedna z horných dýz nádrže (poz. 2) je pripojená k výstupu z kotla (poz. 1) a druhá je pripojená priamo k prívodnému potrubiu vykurovacieho systému.
Jedno zo spodných odbočných potrubí TA je pripojené k vstupu do kotla, pričom medzi nimi je nainštalované čerpadlo (položka 4), ktoré zaisťuje cirkuláciu pracovnej tekutiny v kruhu od kotla k TA a zveráku naopak.
Druhé spodné odbočné potrubie TA je pripojené k spätnému vedeniu vykurovacieho systému, v ktorom je tiež nainštalované čerpadlo (poz. 5), ktoré zaisťuje dodávku ohriatej chladiacej kvapaliny do vykurovacích zariadení.
Aby sa zabezpečilo fungovanie vykurovacieho systému v prípade náhleho výpadku napájania alebo poruchy obehových čerpadiel, sú spravidla zapojené paralelne s hlavným vedením..
V systémoch s prirodzenou cirkuláciou chladiacej kvapaliny neexistujú obehové čerpadlá (poz. 4 a 5). To výrazne zvyšuje zotrvačnosť systému a súčasne ho robí úplne neprchavým..
Je možné pripojiť teplú podlahu ku kotlu alebo nie?
Pri stavbe podláh na ohrev vody by majitelia bytov alebo súkromných domov mali:
- vytvorte štruktúru, ktorá ohreje vzduch v miestnosti na požadovanú úroveň;
- vyberte si výnosnú možnosť z hľadiska inštalácie a prevádzky, ktorá bude lacná.
Na ohrev chladiacej kvapaliny sa používajú plynové alebo elektrické kotly. Plynové kotly sú častejšie inštalované v súkromných budovách. Takéto zariadenie nemožno inštalovať v bytoch s ústredným kúrením..
Okrem toho je na pripojenie k spoločnému vykurovaciemu systému potrebné špeciálne povolenie. Preto je potrebné nájsť alternatívnu metódu – toto je usporiadanie elektrického kotla.

Kotol – zariadenie na ohrev vody z elektriny na domáce účely. Je však potrebné poznamenať, že pôvodne nebolo určené na zahrievanie kvapaliny na podlahové vykurovanie. Preto to bude pre neho dodatočné zaťaženie, v dôsledku ktorého môže ohrievač vody zlyhať..
Stále je však možné dodať podlahu z kotla, ale nebude to fungovať na vykurovanie veľkých plôch týmto spôsobom. Táto možnosť je ideálna iba pre kúpeľňu alebo toaletu..
Pre tvoju informáciu! Správny výpočet zaťaženia elektrického ohrievača je dôležitý..
Pokus o pripojenie teplej podlahy k domácemu kotlu. Odôvodnenie
Výpočet a návrh vykurovacieho systému pre každého z nás predstavuje riešenie problému, v ktorom by mali existovať dve odpovede – úspora peňazí a dosiahnutie požadovaného efektu. Vo väčšine prípadov sa snažíme uľahčiť si to, aby kúrenie v našom byte bolo čo najefektívnejšie, pričom míňame minimum peňazí. Z tohto dôvodu nás núti hľadať alternatívne možnosti pripojenia vykurovacích okruhov. Myšlienka použitia elektrického kotla na tento účel však nie je ideálna a táto možnosť má právo na život..
Hlavným problémom je, že prevádzka elektrického kotla v tomto prípade bude považovaná za nesprávne použitie, čo môže prirodzene viesť k poruche vykurovacieho zariadenia v predstihu. Domáce kotly sú navrhnuté tak, aby obyvateľom domu poskytovali teplú vodu na domáce účely. Zavesenie dodatočného zaťaženia elektrického spotrebiča znamená zásadnú zmenu vyrobiteľnosti zariadenia.
Iba naliehavá potreba a túžba rýchlo vyriešiť problém s vykurovaním bývania môže tlačiť na rozhodnutie použiť kotol ako zdroj ohrevu chladiacej kvapaliny.
Podlahové vykurovanie z elektrického kotla: hlavné nuansy takéhoto systému
Vykurovanie súkromných priestorov podlahovým kúrením je medzi majiteľmi domov stále obľúbenejšie. Jedným z typov je organizácia systému založeného na vodovodnom potrubí. V tejto možnosti sa otázka správneho výberu zdroja teplej vody stáva naliehavou. A jedným z typov je použitie elektrického ohrievača vody.
Aplikácia horúcej vody
Pri inštalácii hydraulickej vyhrievanej podlahy musí vlastník bytu vyriešiť dva problémy:
- získajte pracovnú štruktúru, ktorá ohrieva vzduch v miestnosti na optimálnu teplotu,
- vyberte nákladovo efektívnu možnosť vo výrobnom kroku a počas práce.
Na podlahové vykurovanie sa používajú elektrické alebo plynové ohrievače vody, ktoré poskytujú prácu miestneho vykurovania v byte. V prípade, že je byt pripojený k hlavnému vykurovaniu, to však nebude fungovať. K systému nie je dovolené pripojiť iné spotrebiče, okrem nainštalovaných radiátorov..
V tejto situácii je potrebné hľadať alternatívne zdroje a jeden z nich je elektrický
elektrický zásobníkový ohrievač vody. Toto zariadenie samozrejme nie je určené na takúto aplikáciu a obvod TP sa preň stane ďalším zaťažením. A to môže viesť k zlyhaniu disku. Napriek tomu je vytvorenie takejto konštrukcie povolené..
Hlavnou vecou je správne vypočítať zaťaženie – nebude fungovať na vykurovanie veľkých plôch pomocou elektrického ohrievača vody. Ale pre TP, usporiadaný v kúpeľni alebo v kuchyni, tento zdroj stačí.
Špecifikácia ohrievača
Pozastavme sa nad kotlami skladovacieho typu. Pri výbere modelu by ste mali venovať pozornosť jeho technickým vlastnostiam..
Napájanie zariadenia. Práve tento parameter určuje intenzitu a rýchlosť ohrevu vody z vodovodu. Výkon ohrievača vody priamo súvisí s množstvom spotrebovanej elektriny. Domáce kotly majú spravidla kapacitu 1,5-3 kW.
Poznámka: V predaji sú elektrické kotly, ktorých výkon je oveľa vyšší ako navrhované parametre (6-10 kW). Takéto zariadenia sú špeciálne navrhnuté tak, aby pracovali v spojení s vykurovacími systémami. Jedinou nevýhodou takýchto modelov je vysoká spotreba energie.
Výkon ohrievača vody je určený v súlade s tradičnými parametrami: 1 kW – 10 m2 vykurovanej plochy. Preto sú domáce akumulačné kotly na vykurovanie obytných priestorov málo použiteľné. Môžu byť použité na inštaláciu podlahového vykurovania v obmedzených priestoroch (kúpeľňa).
Objem zásobníka. Čím viac teplej vody dostanete, tým menej často sa zariadenie bude pravidelne zapínať, aby ohrialo vodu cirkulujúcu vo vodnom okruhu. Pri domácich spotrebičoch je objem nádrží spravidla 50-100 litrov. Priemyselné ohrievače vody používané v vykurovacom systéme majú objem zásobníka 250-300 litrov..
Kotly špeciálne navrhnuté na prácu s vykurovacími systémami sa líšia od domácich spotrebičov. Hlavné rozdiely sú nasledujúce:
- takéto zariadenia majú odlišné usporiadanie vstupných a výstupných dýz;
- časť výstupných / vstupných otvorov;
- veľká veľkosť skladovacej nádrže.
Umiestnenie vstupných a výstupných potrubí vody. Vstup studenej vody je umiestnený v spodnej časti, zatiaľ čo výstup teplej vody je umiestnený v hornej časti nádrže. Vďaka tomuto usporiadaniu trysiek je dosiahnutá maximálna možná cirkulácia vody v systéme TÚV..
Pripojenie kotla na plynový kotol
Pre správnu funkciu kotla s plynovým kotlom obsahuje teplotný snímač. Aby mohli spolupracovať, je pripojený trojcestný ventil. Ventil reguluje prietok medzi hlavným okruhom a okruhom TÚV.

Do plynového kotla s jedným horákom
Na takéto spojenie sa používa potrubie s dvoma čerpadlami. Je to ona, ktorá je schopná prísť nahradiť obvod trojcestným senzorom. Hlavnou vecou je oddeliť toky chladiacej kvapaliny. V tomto prípade by bolo správnejšie povedať o synchrónnej prevádzke dvoch obvodov.

Potrubný materiál BKN
- Studená voda – je možné nainštalovať bežnú polypropylénovú rúrku. Materiál je vhodný na tvrdé spájkovanie celého systému studenej vody.
- Zásobovanie horúcou vodou – teplota teplej vody dodávanej užívateľovi sa udržuje na 65 – 70 °. Je dovolené používať polypropylén so sklolaminátovou (vystuženou) alebo hliníkovou výstužou, určenou na dodávku teplej vody. Ďalšia možnosť: vykonať páskovanie medenou rúrkou. Pri pokladaní medenou rúrkou je nevyhnutné použiť tepelnú izoláciu. Meď je dobrým vodičom tepla, čo nevyhnutne povedie k zníženiu teploty ohriatej vody počas prepravy ku konečnému spotrebiteľovi. Tepelná izolácia potrubí ochráni pred tepelnými stratami.
Možnosti pre potrubie kotla na nepriame vykurovanie
Ďalším dôležitým faktorom, ktorý je potrebné zvážiť pri výbere typu pripojenia, je volatilita. Existujú gravitačné systémy, v ktorých cirkulácia vody a chladiva prebieha nezávisle, ako aj schémy s vytváraním núteného tlaku (čerpanie). Ten druhý nemôže fungovať bez elektriny. Výrobcovia BKN v návode na obsluhu uvádzajú odporúčanú schému potrubia, ktorá sa berie do úvahy aj pri pripájaní.
- rýchly ohrev TÚV;
- úspory pri neustálom používaní kotla;
- schopnosť automatizovať ohrev vody.
Dve obehové čerpadlá
Táto možnosť je vhodná pre tých, ktorí nechcú používať BKN stále. V tomto prípade budú nainštalované dve obehové čerpadlá naraz – jedno pôjde na prevádzku vykurovacieho systému, druhé – na dodávanie kvapaliny do nádrže kotla. Potom sa ukáže, že chladiaca kvapalina priamo cirkuluje neustále vo vykurovacom systéme domu. Jedno z čerpadiel (ku kotlu) je pripojené k snímaču teploty a akonáhle sa kvapalina vo vodovodných potrubiach ochladí, vydá sa signál, ktorý o tom informuje. Potom sa vytvorí tlak, ktorý môže zmeniť smer pohybu chladiacej kvapaliny a odoslať ju do kotla. Ukazuje sa, že chladiaca kvapalina preteká rôznymi potrubiami vďaka špeciálne inštalovaným čerpadlám.
Schéma inštalácie kotla v systéme s dvoma obehovými čerpadlami
Dôležité! Aby ste zabránili miešaniu chladiacej kvapaliny, musíte pred každé čerpadlo vložiť spätný ventil.
Rozdiel medzi touto schémou a predchádzajúcou je v tom, že termostat riadi činnosť dvoch čerpadiel naraz. To znamená, že ak čerpadlo beží a dodáva užívateľovi vodu, vykurovacie čerpadlo sa vypne..
Do dvojokruhového plynového kotla
Dva magnetické ventily sa stanú hlavným v tomto schéme pripojenia. Pointa je, že kotol sa používa ako nárazník. Studená voda pochádza z vodovodnej siete. Ventil pre vstup TÚV je zatvorený. Ak ho otvoríte, najskôr bude tiecť voda z vyrovnávacej pamäte, ktorou je kotol. Pufr obsahuje ohriatu vodu, ktorej spotreba je regulovaná kapacitou kotla a nastavenou teplotou.

Aké kotly sa odporúčajú používať
Na vykurovanie a organizáciu dodávky teplej vody môžete použiť dvojokruhové a jednokruhové kotly s kotlami.
Ak máte jeden alebo dva body analýzy v súkromnom dome, veľa vody sa nevyžaduje. V tomto prípade bude jednotka umiestnená vo vnútri domu a vašou voľbou je dvojokruhový kotol.
Ale na organizáciu dodávky teplej vody a vykurovanie vo veľkom, dvojpodlažnom dome s kotolňou na ulici je potrebný iba jednokruhový kotol s kotlom. Bude to stáť viac, ale ak organizujete dodávku teplej vody v súkromnej obytnej chate, nešetrite na tom, k takémuto rozhodnutiu predsa dôjdete.
Dvojkruhové kotly nie sú určené pre niekoľko kúpeľní a musia byť tiež umiestnené priamo vedľa miesta použitia vody, inak budú tepelné straty veľké.
Dodatočné pripojenie kotla na nepriame vykurovanie
V tých súkromných domoch, kde už existuje dvojokruhový kotol a nie je možné ho zmeniť na jednokruhový kotol, môžete zvýšiť množstvo teplej vody pripojením prídavného nepriameho vykurovacieho kotla.
Ide o časovo náročnejší proces, možno budete potrebovať ďalšie zariadenia, ktoré musia ovládať toky teplej vody a vykurovania, pretože nie sú k dispozícii vo všetkých dvojokruhových jednotkách. Je celkom možné kúpiť také zariadenia na pripojenie kotla, ale je zrejmé, že takáto inštalácia bude stáť viac..
Ako funguje kotol pripojený k vykurovaciemu kotlu?
Externé zariadenie na nepriame vykurovanie je veľmi podobné akumulačnému zariadeniu, ktoré pracuje na elektrinu. Na prevádzku BKN je však potrebný vykurovací kotol. Činnosť ohrievača nepriameho vykurovania je založená na princípe termosky. Jeho obsah – to znamená voda, sa ohrieva z výmenníka tepla vo vnútri. Vzhľadom na to, že neexistuje priame vykurovanie, ohrievač vody sa nazýva nepriamy.
Keď je vykurovacie zariadenie spojené s BKN, cirkuluje akékoľvek chladivo, čo vedie k ohrevu vody v ňom. Pohyb vody prebieha dvoma rúrkami – ktoré privádzajú a vracajú. Prívodné potrubie rovnomerne dodáva horúcu vodu do radiátorov a kotla. Po prechode kotlom sa voda vracia spätným potrubím do kotla. Ukazuje sa, že obsah kotla sa ohrieva ako batéria.
Výhody BKN sú:
- vysoký výkon a vysoká účinnosť;
- nezávislosť na elektrine;
- rôzne možnosti zdrojov tepla.
Vodu ohriatu v ohrievači je možné podľa potreby spotrebovať súčasne z rôznych kohútikov v rôznych miestnostiach.
DÔLEŽITÉ! Kvalita kotla má priamy vplyv na to, ako skoro sa voda zahreje – čím je pevnejšia, tým rýchlejšie proces prebieha. Teplota vody vo vnútri ohrievača sa vždy blíži stupňu ohrevu chladiacej kvapaliny cirkulujúcej v cievke
Ak je teplota kotla nastavená na max. + 50 ° C, voda v zásobníku sa ohreje na + 50 ° C, nie viac. Ak chcete, aby sa obsah nádrže viac zahrial, môžete si kúpiť kombinovaný ohrievač vody. Líši sa v tom, že okrem cievky, ktorá ohrieva vodu, má vykurovacie teleso, zvyšuje teplotu na zamýšľanú značku. Kombinované ohrievače vody sú vhodné pre kotly na tuhé palivá, pretože voda už je teplá, aj keď palivo už vyhorelo.
Teplota vody vo vnútri ohrievača sa vždy blíži stupňu ohrevu chladiacej kvapaliny cirkulujúcej v cievke. Ak je teplota kotla nastavená na max. + 50 ° C, voda v zásobníku sa ohreje na + 50 ° C, nie viac. Ak chcete, aby sa obsah nádrže viac zahrial, môžete si kúpiť kombinovaný ohrievač vody. Líši sa v tom, že okrem cievky, ktorá ohrieva vodu, má vykurovacie teleso, zvyšuje teplotu na zamýšľanú značku. Kombinované ohrievače vody sú vhodné pre kotly na tuhé palivá, pretože voda už je teplá, aj keď palivo už vyhorelo..
Existujú ohrievače vody so vstavaným ovládaním alebo bez neho. Ak existuje ovládanie, kotol je možné pripojiť k vykurovaciemu systému, ktorý zahŕňa kotly bez ovládania. Kotol je vybavený snímačom teploty a nezávisle riadi pohyb alebo vypnutie horúcej vody prechádzajúcej cievkou. Na aktiváciu prevádzky takéhoto zariadenia je potrebné priviesť napájacie a vratné potrubie z vykurovania na zodpovedajúce vstupy. Ďalej by ste mali dodať studenú vodu do horného výstupu a postarať sa o pripojenie teplej vody. Potom sa nádrž naplní a voda sa zahreje..
Pripojenie kotla k vodovodnému systému z rôznych materiálov
Kotol je uviazaný v systéme dodávky tepla pomocou tradičných oceľových rúrok a modernejších polypropylénových a kovoplastových rúrok. Lacnejšia možnosť – polypropylén.

Voľba bude závisieť od ceny projektu a prevádzkovej teploty vykurovacieho média na výstupe z kotla. Napríklad v kotle na tuhé palivá je ťažké nastaviť teplotu chladiacej kvapaliny, môžu nastať prípady, kedy bude spontánne rásť až do 100 ° C, takže v tomto prípade je lepšie nainštalovať oceľové rúry.
Napriek tomu, že sú menej trvanlivé, sú navrhnuté pre vysokoteplotný režim prevádzky zariadení na tuhé palivá..
Polypropylénové potrubia
Polypropylénové rúry sa ľahko montujú pomocou špeciálnej spájkovačky a nožníc na rezanie rúrok. Po výbere miesta zaradenia do potrubia sa sekcia vyreže na šírku rovnajúcu sa odpalisku s odpočítaním 20 mm: 10 mm pre každé.
Spájkovačkou zahrejte rúrku a tvarovku na požadovaný technický stav a spojte ich. Ich posúvanie je zároveň zakázané, pretože to môže narušiť hustotu spojenia..

Ďalej, spájaním častí rúrok rôznych dĺžok a rohov, sa vykonáva dodávka do odbočných rúrok BKN. Na koniec rúrkového úseku je spájkované závitové puzdro a potom je celé vedenie pevne spojené.
Pripojenie do kovového potrubia
Dnes je možné BKN pripojiť k inžinierskym sieťam vodovodu bez použitia zvárania, na to existuje moderný adaptér "upír", ktorý má technologický otvor a svorku v tele. Inštalácia tohto dizajnu je veľmi jednoduchá. Vyberte bod viazania, vyčistite oblasť.
Na vrch pripravenej plochy je nainštalovaná svorka s tepelne odolným tesnením a na jej upevnenie je utiahnutá skrutkami. Potom zatvorte prívod vody a vypustite ho z požadovanej časti potrubia otvorením kohútika teplej vody na mixéri.

Ďalej sa cez otvor v svorke vyvŕta časť potrubia elektrickou vŕtačkou a potom sa ventil naskrutkuje a pokračuje sa v páskovaní BKN podľa schémy.
Kov-plast
Toto je najspoľahlivejšia a najjednoduchšia možnosť pripojenia kotla BKN k dvojokruhovému kotlu. Kovový plast sa jednoducho ohne v požadovanom uhle ohybu a spojenia uzlov sa vykonajú pomocou rôznych krimpovacích tvaroviek..
Pred páskovaním BKN sa odreže rúrka požadovanej dĺžky a veľkosti. Ďalej vyberte bod pripojenia, pričom vezmite do úvahy veľkosť odpaliska a časť potrubia, ktoré bude zaberať pripojenie.
Na prípravu otvoru na malej ploche sa používajú špeciálne nožnice. Matice sa odstránia z odpaliska a spolu s fixačnými krúžkami sa nasadia na rôzne konce rúrky. Konce kovového plastu zapáľte pomocou špeciálneho kalibrátora alebo skrutkovača.
T -kus je zasunutý úplne, potom sú krúžky posunuté a matice sú upnuté kľúčom. Môžete tiež použiť tvarovky pre kovoplastové rúry, ktoré vyžadujú krimpovanie a ďalšie špecializované nástroje a príslušenstvo..
Montáž kotlov vlastnými rukami
V závislosti od jeho typu musíte nainštalovať ohrievač vody vlastnými rukami v súlade s existujúcimi pravidlami a požiadavkami. Funkcie inštalácie prietokového zariadenia sa teda budú trochu líšiť od inštalácie pamäťového zariadenia. Zoberme do úvahy jeden aj druhý prípad..
Postup pripojenia
Po výbere najvhodnejšej schémy musíte vybrať zariadenie. Okrem hlavných zariadení sú potrebné aj rozdeľovacie potrubia, guľové ventily, ventily, spätné alebo trojcestné ventily..
Pripojenie sa vykonáva v nasledujúcom poradí:
- Príprava staveniska (stena, podlaha).
- Elektroinštalačné zariadenie, farebne označené prívody studenej / teplej vody.
- Montáž odpalísk a tlakového ventilu. Spoje sú zaistené lepiacim tmelom.
- Inštalácia kohútikov na teplú a studenú vodu.
- Elektrické pripojenie, inštalácia automatizácie a teplotného senzora.
- Voľba prevádzkového režimu.
- Kontrola spojenia.
Paralelné pripojenie
- umiestnenie vykurovacieho kotla je nástenné;
- akumulačná nádrž kotla má malý objem;
- vykurovací systém je jednoduchá štruktúra rovnakých radiátorov alebo teplých podláh.
Táto schéma pripojenia je vhodná iba pre malé domy s obmedzenými dĺžkami slučiek a malým počtom batérií. Existuje niekoľko dôvodov:
- aby sa chladiaca kvapalina správne zahriala, musíte ju dodať do kotla pri teplote 70 stupňov. To je na radiátory priveľa. Ak sa teplota zníži, zariadenie jednoducho nebude schopné ohriať požadovaný objem kvapaliny, pretože časť tepelnej energie sa odoberá z už ohriatej vody;
- súčasný postup zahrievania môže viesť k nedostatočnej produkcii tepla;
- v systéme je potrebné nainštalovať spätný ventil, aby sa zabránilo toku ohriatej chladiacej kvapaliny v zlom smere.
S deliacim uzlom

V tomto prípade je tok chladiacej kvapaliny rozdelený na dve samostatné časti: jedna ide do systému dodávky teplej vody a druhá do vykurovania. Na tento účel sa používa špeciálny prvok – trojcestný termostatický ventil. Je namontovaný na prívodnom potrubí z kotla a potrubie vedúce k kotlu je pripojené k výstupu prvku. Celá táto štruktúra je riadená teplotným senzorom, ktorý je vytiahnutý.
Princíp činnosti tohto obvodu je nasledujúci..
- Kým sa chladiaca kvapalina zahrieva, cirkulácia prebieha výlučne v kotle. Čerpadlo patriace do kotla je zodpovedné za jeho intenzitu. Trojcestný ventil usmerňuje prietok do systému teplej vody.
- Keď chladiaca kvapalina dosiahne požadovanú úroveň teploty, senzor reaguje a stimuluje ventil, aby nasmeroval vodu do vykurovacieho systému, pričom vypne prívod teplej vody.
- V prípade zníženia teploty chladiacej kvapaliny dôjde k opačnému procesu – snímač opäť zareaguje a trojcestný ventil vráti všetko do pôvodnej polohy. V súlade s tým tok prúdi späť do systému dodávky teplej vody..
Ak je teda veľká spotreba teplej vody – napríklad ak sa niekoľko ľudí súčasne rozhodne osprchovať sa v rôznych kúpeľniach – generátor tepla jednoducho nebude mať čas ohriať požadovaný objem chladiacej kvapaliny, aby ju mohol odoslať do radiátory alebo vyhrievané podlahy. Medzi podmienky pre organizáciu takejto schémy teda patrí po prvé malá plocha domu a za druhé malý počet ľudí, ktorí v nej žijú..
S hrebeňom rozdeľovača
Zabezpečenie všetkých účelov s požadovaným objemom chladiacej kvapaliny sa vykonáva vďaka inštalácii hydraulického rozdeľovača s rozdeľovacím potrubím. Práve s ňou je spojený nepriamy ohrievač vody. Navyše má vlastné čerpadlo, pripojené prostredníctvom termostatu z dôvodu úspory energie a obmedzenia objemu prietoku chladiacej kvapaliny..
Výhody takéhoto systému sú zrejmé:
- ak vyberiete vykurovací kotol s požadovanou úrovňou výkonu, bude schopný ohriať objem chladiacej kvapaliny dostatočný na rovnaké rozdelenie cez všetky prvky vykurovacieho systému, ako aj na nepriamy kotol;
- vetvy sú oddelené od seba a od generátora tepla, preto sú vykurovanie a dodávka teplej vody autonómnymi systémami;
- pre akýkoľvek objem spotreby teplej vody bude takýto systém fungovať bezchybne, bez toho, aby vôbec znížil úroveň dodávky.
Vážení čitatelia, potrubné vykurovacie zariadenie nie je vždy jednoduchou záležitosťou. Ak si nie ste istí svojimi schopnosťami, je lepšie zveriť to odborníkom. Ale v prípade, že sa stále rozhodnete vykonávať nezávislú prácu – úspech pre vás!
Optimálne umiestnenie montáže
Na správnu inštaláciu kotla sa odporúča umiestniť ho čo najbližšie k potrubiam studenej vody v byte. To sa robí za účelom skrátenia inštalačných liniek, zníženia strát tepla a hlavy po celej dĺžke..

Vyberte umiestnenie v závislosti od veľkosti kotolne
Maloobjemové ohrievače vody je možné pripevniť na rôzne steny a pre výrobky s nádržou viac ako 80 litrov je dovolené používať iba nosné tehlové alebo betónové steny. Aj keď je vlastná hmotnosť zásobníkového ohrievača vody zanedbateľná, potom spolu s vodou a pod tlakom média vytvárajú na stenu veľké zaťaženie..
Vzhľadom na to, že v malom byte nie je veľa vhodných inštalačných zón, je s najväčšou pravdepodobnosťou možné umiestniť ohrievač:
- nad toaletou, ak to veľkosť nádrže umožňuje;
- v kúpeľni;
- v kuchyni pod drezom pre mini štruktúry 15 litrov a pod stropom pre objemy nad 30 litrov;
- v kuchyni na podlahe na inštaláciu skladovacej nádrže nad 100 litrov;
- na chodbe – pre kompaktné horizontálne modely.
Materiály a nástroje
Domáci remeselník si pred inštaláciou kotla musí dôkladne preštudovať jeho pokyny, najmä časť inštalácie a uvedenia do prevádzky. Nevyhnutne naznačuje schému a postup potrubia kotla s prívodom vody, požiadavky na elektrickú sieť a jej ochranu pred preťažením a tiež uvádza špecifikáciu náhradných dielov, ktoré budú potrebné pre inštalačné práce..

Základné nástroje, základné vybavenie a pomocný materiál, ktoré si musíte kúpiť pred inštaláciou kotla vlastnými rukami:
- ohrievač vody s kotvami – dodáva výrobca;
- poistný ventil – dodáva výrobca;
- príklepová vŕtačka pre otvory v betónovej alebo tehlovej stene;
- stavebná úroveň pre prísnu inštaláciu ohrievača vody tak, aby nedochádzalo k vetraniu a odhaľovaniu vykurovacích telies;
- sada zámočníckych nástrojov s kladivom, kliešťami, skrutkovačom a kľúčmi;
- tmel, napríklad páska FUM;
- vodovodné hadice, 2 kusy;
- odpaliská, podľa priemeru výstupných rúrok, 3 kusy;
- ventily DN 15, 3 kusy;
- elektrický vodič a istič podľa údajov výrobcu.
Opravujeme ohrievač vody
Aby sa zabezpečilo pevné pripevnenie kotla k stene, výrobca si dal záležať, dodáva montážne háky, kotvy a pásy kompletné s ohrievačom, ktoré sú profesionálne navrhnuté tak, aby držali spolu s vodnou hmotou..

Príklad montáže na stenu
Špecializovaný pás, pripevnený k stene pomocou kotvových úchytiek, a potom je naň zariadenie zavesené.
Algoritmus upevnenia nádrže na stenu:
- Pred správnou inštaláciou kotla zmerajte rozmery nádrže..
- Zaujmú polohu konštrukcie na stene tak, aby medzery zostali v hornej časti najmenej 70 mm a na strane najmenej 30 mm od jej okrajov, a kryt by bolo možné demontovať na účely opravy a obnovy a v procese údržba.
- Pripravte si šablónu pre otvory, označte ich a vyvŕtajte pre spojovacie prvky. V prípade, že má stena povlak, napríklad dlaždicu, najskôr sa vyvŕta vrtákom do dlaždíc. Potom sa tehlová alebo betónová časť steny vyvŕta výkonným vrtákom so špeciálnym vrtákom do betónu.
- Nainštalujte hmoždinky do otvorov a zabaľte háčiky alebo vložte kotvu cez otvory v montážnej doske a utiahnite ich kľúčom.
- Zaveste nádrž na upevňovacie prvky.
- Úroveň budovy je skontrolovaná, neexistujú žiadne odchýlky. Vertikálne konštrukcie sa nesmú montovať horizontálne.
Pripojíme sa k vodovodu
Pri pripájaní zásobníka na ohrev vody sa na inštaláciu bezpečnostnej skupiny zariadenia používa odtokové potrubie. Je to sada bezpečnostných a spätných ventilov a armatúr. Jeho účelom je chrániť kotol pred núdzovými situáciami počas prevádzky..
Najbežnejšia schéma ochrany kotla: americká, na ktorú je naskrutkovaný bronzový odpal a k dolnému výstupu je pripojený spätný ventil, voda z kotla sa nevrátila do mestského vodovodu pri nízkom tlaku v sieti.
K bočnému odpalisku T je pripojené ďalšie odpalisko, na ktorom je nainštalovaný poistný ventil 6 atm. Zmierňuje tlak média v nádrži pri núdzovom raste, napríklad pri prehriatí vody. Toto odpalisko je tiež spojené s tvarovkou na vypúšťanie vody do kanalizácie..
V najnovších konštrukciách ohrievačov je nainštalovaný komplexný poistný ventil, v ktorom je v jednom kryte umiestnený bezpečnostný aj spätný ventil. Po inštalácii skontrolujte, či je otvorenie poistného ventilu otvorené, inak ochrana nebude fungovať. Okrem toho môže obvod zabezpečiť vyhrievané vedenie recirkulácie vody pre vyhrievanú vešiak na uteráky.

Schéma pripojenia kotla na vodovod
Pri inštalácii kotla je potrebné správne dodržať postupnosť zapojení. Na potrubie so studenými a teplovodnými sieťami je dovolené používať oceľové a kovoplastové rúry.
DIYers často používajú plastové rúrky, pretože sú ľahšie utesnené. Niektorí používatelia používajú flexibilné hadice, ale odborníci to neodporúčajú, pretože veľmi rýchlo zlyhávajú..
Technologické operácie na potrubí kotla s vlastnými stúpačkami:
- Pred spojením sa potrubia uzatvoria kohútikmi pri vchode do bytu..
- Stojan na studenú vodu a kotol sa odpojia inštaláciou uzatváracieho ventilu na opravu a údržbu.
- Je zavedené potrubie spájajúce ohrievač vody s vlastným systémom teplej vody. Na tomto vedení je nainštalovaný aj uzatvárací ventil medzi stúpačkou TÚV a elektrickým ohrievačom. Tento kohútik je inštalovaný v bytovom dome, aby sa voda a byty nedostali do všeobecnej siete zásobovania teplou vodou. Musí byť pripojený tak, aby v núdzovom režime mohol vlastník bytu prejsť na prácu zo siete spoločného domu.
- Všetky spoje sú utesnené a utesnené a počkajte 4 hodiny, kým tmel nevytvrdne.
- Pre hustotu zostaveného obvodu sa vykoná predbežný tlakový test. Naplňte nádrž vodou a skontrolujte tesnosť. Potom sa voda vypustí.
Podávame jedlo
V skutočnosti je pripojenie kotla k domácej sieti 220 V jednoduchou operáciou, ak je zásuvka navrhnutá pre jeho zaťaženie. Parametre elektrického zariadenia sú nevyhnutne uvedené v technických pokynoch pre ohrievač vody.

Ak sa ukáže, že parametre existujúcej zásuvky nie sú dostatočné alebo sú z nej napájané iné elektrické spotrebiče, potom bude potrebné do kotla viesť nezávislé vedenie. Túto prácu môžu vykonávať elektrikári, ktorí majú príslušnú tolerančnú skupinu..
Najbezpečnejšou a najspoľahlivejšou možnosťou je viesť napájacie vedenie oddelene od elektrického panelu bytu. Je dôležité správne kúpiť kábel podľa úpravy špecifikovanej výrobcom..
V prípade, že je elektrický ohrievač umiestnený v miestnosti s vysokou vlhkosťou: toaleta, kúpeľňa a kuchyňa, je potrebné použiť špeciálne vodotesné elektrické zásuvky.
Je potrebné kúpiť elektrický kábel s okrajom, aby nebol natiahnutý ako struna. Napájacie vedenie kotla musí byť chránené proti skratu a uzemnené..
Kontrola inštalácie a skúšobná prevádzka
Potom, čo je kotol zviazaný pozdĺž vodovodného a elektrického vedenia, začnú kontrolovať inštaláciu. Najprv skontrolujte hustotu vody v systéme. Za týmto účelom sa kontroluje neporušenosť nádrže, do ktorej sa plní voda:
- Vypol som parné armatúry na stúpačke teplej vody.
- Otvorte kohútiky na vstupe / výstupe kotla.
- Otvorte kohútik horúcej vody na mixéri, kým z neho nevyjde rovnomerný prúd vody bez vzduchových bublín.
- Zatvorte mixér a skontrolujte tesnosť všetkých spojov pod tlakom v prívode vody.
Ak nádrž a prípojky netečú, zapnite vykurovanie kotla cez výstup alebo cez difavtomat. Počkajú, kým kotol zohreje vodu na parameter nastavený výrobcom a zaznamená sa čas ohrevu, ktorý musí zodpovedať údajom z pasu.
Akékoľvek zistené porušenia môžu naznačovať nekvalitný ohrievač vody, ktorý je lepšie vymeniť, pokiaľ je v záruke. Aj keď je potrebné poznamenať, že moderné kotly sú veľmi spoľahlivé, takže takéto situácie sú extrémne zriedkavé..
Ako nainštalovať prietokový ohrievač vody
Jednou z kľúčových vlastností prietokových ohrievačov vody je ich kompaktnosť, ktorá im umožní umiestniť ich do kuchyne alebo kúpeľne priamo pod umývadlo. Tekutina v takýchto zariadeniach sa ohrieva v špeciálnej kovovej rúrke, ktorá obsahuje výkonné vykurovacie telesá.
Takéto konštrukčné vlastnosti zariadenia vyžadujú, aby elektrické vedenie v dome alebo byte fungovalo správne a bolo schopné odolávať ťažkým nákladom. Odporúča sa nainštalovať samostatný stroj pre prietokový ohrievač a pripojiť k nemu drôt s veľkým prierezom..
Po dokončení práce s dodávkou elektriny môžete nainštalovať samotný kotol. Inštaluje sa dočasne alebo stacionárne..
Dočasná schéma počíta s tým, že do potrubia studenej vody bude vyrezané ďalšie odpalisko, ktoré bude pripojené k ohrievaču vody pomocou špeciálneho ventilu. Aby ste to urobili, musíte na ohrievač vody použiť napätie a otvoriť kohútik dodávajúci horúcu vodu.
Stacionárna schéma však predpokladá, že dodávka a príjem vody v potrubiach sa bude vykonávať súbežne so všeobecným systémom zásobovania vodou. Na inštaláciu konštrukcie podľa stacionárnej schémy sú do rúr pre horúcu a studenú vodu narezané odpaliská. Potom musíte dať uzatváracie ventily a utesniť ich jednoduchým kúskom alebo dymovou páskou.
Ďalšie akcie sú nasledovné:
- pripojte vstup kotla k potrubiu, ktoré dodáva studenú vodu;
- pripojte výstupné potrubie k vodovodnému kohútiku teplej vody;
- privádzajte vodu do potrubí a pri zapínaní vody z vodovodu a sprchy sa uistite, že sú všetky spoje tesné;
- počas normálnej prevádzky systému môžete dodávať elektrickú energiu do ohrievača vody, potom by mala teplá voda prúdiť z požadovaného kohútika;
- na zvýšenie úrovne bezpečnosti celého vodovodného systému a ohrievača vody s ním okamžite nainštalujte poistný ventil.
Nepriame vykurovacie nádrže
Ak porovnáme konštrukcie rôznych ohrievačov vody, potom je nepriamy kotol najjednoduchšou a najspoľahlivejšou verziou zásobníka na dodávku teplej vody. Jednotka nevyrába teplo sama, ale prijíma energiu zvonku, z akéhokoľvek teplovodného kotla. Za týmto účelom je do izolovanej nádrže nainštalovaný výmenník tepla – cievka, do ktorej je dodávaná horúca chladiaca kvapalina.

Štruktúra kotla opakuje predchádzajúce návrhy, iba bez horákov a vykurovacích prvkov. Hlavný výmenník tepla je umiestnený v spodnej zóne hlavne, sekundárny výmenník tepla v hornom. Všetky odbočné potrubia sú usporiadané zodpovedajúcim spôsobom, nádrž je chránená pred koróziou horčíkovou anódou. Ako funguje „nepriame“:
- Z kotla do cievky pochádza chladiaca kvapalina zahriata na 80 – 90 stupňov (minimálne – 60 ° C). Cirkuláciu cez výmenník tepla zabezpečuje čerpadlo kotlového okruhu.
- Voda v nádrži sa ohrieva na 60-70 ° C. Rýchlosť nárastu teploty závisí od výkonu generátora tepla a počiatočnej teploty studenej vody..
- Príjem vody ide z hornej zóny nádrže, prívod z hlavného – do dolného.
- Zvýšenie objemu vody počas zahrievania je vnímané expanznou nádržou inštalovanou na „studenej“ strane a odolávajúcou tlaku 7 barov. Jeho užitočný objem sa vypočíta ako 1/5 objemu nádrže, najmenej 1/10.
- Vedľa nádrže musí byť nainštalovaný odvzdušňovací ventil, poistný ventil a spätný ventil.
- V tele je puzdro na snímač teploty termostatu. Ten ovláda trojcestný ventil, ktorý prepína prietoky vykurovacieho média medzi vetvami vykurovania a TÚV.

Vodné potrubia nádrže nie sú konvenčne znázornené
Pozitívne a negatívne body
V porovnaní s plynovými modelmi kotlov sú „nepriame“ kotly lacné. Napríklad nástenná jednotka maďarského výrobcu Hajdu AQ IND FC 100 l stojí 290 USD. e. Nezabudnite však: nádrž na teplú vodu nie je schopná pracovať nezávisle, bez zdroja tepla. Je potrebné vziať do úvahy náklady na potrubia – nákup ventilov, termostatu, obehového čerpadla a potrubí s armatúrami.
Čo je dobré na kotle na nepriame vykurovanie:
- ohrev vody z akéhokoľvek tepelného zariadenia, slnečných kolektorov a elektrických vykurovacích telies;
- veľká ponuka výkonu TÚV;
- spoľahlivosť v prevádzke, minimálna údržba (raz za mesiac zahriatie na maximum z legionelly a včasná výmena anódy);
- čas načítania kotla je možné nastaviť, napríklad vložiť cez noc.
Hlavnou podmienkou správneho fungovania jednotky je dostatočná kapacita vykurovacieho zariadenia. Ak je kotol vybraný čisto pre vykurovací systém bez rezervy, pripojený kotol vám neumožní zahriať obydlie alebo zostanete bez teplej vody..

Aby mohla horúca voda prúdiť priamo zo zmiešavačov, stojí za to nainštalovať spätné recirkulačné potrubie so samostatným čerpadlom
Nevýhodami nádrže na nepriamy ohrev sú slušné rozmery (malé sú inštalované menej často) a potreba ohrievať kotol v lete na zabezpečenie dodávky teplej vody. Tieto nevýhody nemožno nazvať kritickými, najmä na pozadí vysokého výkonu a univerzálnosti takéhoto zariadenia..
Pripojenie na strane vody
Ak sú body odberu umiestnené v blízkosti vykurovacej nádrže, pripojenie sa vykoná podľa typickej schémy uvedenej nižšie. Vysvetlíme funkcie niektorých prvkov:
- redukčný ventil sa odporúča používať s tlakovými rázmi nad 6 bar;
- spätný ventil na prívode studenej vody neumožňuje vyprázdnenie nádrže do vodovodu;
- expanzná nádrž kompenzuje nárast objemu ohriatej kvapaliny;
- poistný ventil nastavený na 7 barov vypúšťa vodu do kanalizácie v prípade zvýšenia tlaku na kritickú úroveň;
- vypúšťací ventil slúži na vypúšťanie vody podľa spôsobu komunikácie nádob.
Je dôležité nechať vypúšťacie potrubie naplnené – potom pri otvorení vypúšťacieho ventilu bude voda vytekať podľa zákona komunikujúcich nádob
Keď sú spotrebitelia mimo kotla, stojí za to umiestniť recirkulačné potrubie s prídavným čerpadlom a spätným ventilom. Ak váš model ohrievača nie je vybavený samostatným pripojením pre toto potrubie, jednoducho prerežte spätné potrubie do potrubia na vstupe studenej vody..

Ako uviazať kotly na tuhé palivá
Schéma zapojenia generátora tepla spaľujúceho drevo je navrhnutá tak, aby riešila 3 problémy (okrem napájania batérií chladiacou kvapalinou):
- Prevencia prehriatia a varu kotla TT.
- Ochrana pred studeným „návratom“, bohatá kondenzácia vo vnútri ohniska.
- Pracujte s maximálnou účinnosťou, to znamená v režime úplného spaľovania a vysokého prenosu tepla.
Predložená schéma potrubia pre kotol na tuhé palivá s trojcestným zmiešavacím ventilom vám umožňuje chrániť sa pred kondenzátom v ohnisku a uviesť generátor tepla do režimu maximálnej účinnosti. Ako to funguje:
- Zatiaľ čo systém a ohrievač nie sú zahriate, čerpadlo poháňa vodu malým okruhom kotla, pretože trojcestný ventil je na boku radiátorov uzavretý..
- Keď sa chladiaca kvapalina zahreje na 55-60 stupňov, ventil nastavený na zadanú teplotu začne miešať vodu zo studeného „návratu“. Vykurovací systém vidieckeho domu sa postupne zahrieva.
- Po dosiahnutí maximálnej teploty ventil úplne uzavrie obtok, všetka voda z kotla TT ide do systému.
- Čerpadlo inštalované na spätnom potrubí čerpá vodu cez plášť jednotky, čím zabraňuje prehriatiu a varu jednotky. Ak dáte čerpadlo na prívod, komora s obežným kolesom sa môže naplniť parou, čerpanie sa zastaví a kotol zaručene vykypí..
Princíp vykurovania trojcestným ventilom sa používa na potrubie akýchkoľvek generátorov tepla na tuhé palivo-pyrolýza, pelety, priame a dlhodobé spaľovanie. Výnimkou je distribúcia gravitácie, kde sa voda pohybuje príliš pomaly a nevyvoláva kondenzáciu. Ventil vytvára vysoký hydraulický odpor, ktorý zabraňuje gravitácii.
Ak výrobca vybavil jednotku na tuhé palivá vodným okruhom, cievku je možné použiť na núdzové chladenie v prípade prehriatia. Poznámka: poistka v bezpečnostnej skupine je aktivovaná tlakom, nie teplotou, preto nie je vždy schopná chrániť kotol.
Osvedčené riešenie – cievku TÚV pripájame k prívodu vody pomocou špeciálneho tepelného poistného ventilu, ako je znázornené na obrázku. Prvok bude spustený snímačom teploty a v správnom čase prejde veľkým objemom studenej vody cez výmenník tepla.
Použitie vyrovnávacej nádrže
Najlepším spôsobom, ako zvýšiť účinnosť kotla TT, je pripojiť ho k vykurovaniu prostredníctvom vyrovnávacej nádrže. Na vstupe tepelného akumulátora zostavíme osvedčený obvod s trojcestným mixérom, na výstup umiestnime druhý ventil, ktorý udržiava v batériách požadovanú teplotu. Cirkuláciu vo vykurovacej sieti zabezpečuje druhé čerpadlo.
Čo získavame tepelným akumulátorom:
- kotol horí na maximum a dosahuje deklarovanú účinnosť, palivo sa používa efektívne;
- pravdepodobnosť prehriatia je výrazne znížená, pretože jednotka vypúšťa prebytočné teplo do vyrovnávacej nádrže;
- tepelný akumulátor plní úlohu hydraulickej šípky, k nádrži je možné pripojiť niekoľko vykurovacích vetiev, napríklad radiátory 1. a 2. poschodia, okruhy podlahového vykurovania;
- plne vyhrievaný zásobník udržiava prevádzku systému po dlhú dobu, keď je palivové drevo v kotle spálené.
TT-kotol a zásobníkový ohrievač vody
Aby bolo možné „nepriamy“ kotol naložiť pomocou generátora tepla spaľujúceho drevo, musí byť tento zapojený do kotlového okruhu, ako je znázornené na obrázku. Vysvetlíme funkcie jednotlivých prvkov obvodu:
- spätné ventily neumožňujú, aby chladiaca kvapalina prúdila v inom smere pozdĺž obrysov;
- druhé čerpadlo (stačí vziať model s nízkym výkonom 25/40) cirkuluje cez špirálový výmenník tepla ohrievača vody;
- termostat vypne toto čerpadlo, keď kotol dosiahne nastavenú teplotu;
- prídavný odvzdušňovací ventil zabraňuje vetraniu prívodného potrubia, ktoré bude vyššie ako štandardná bezpečnostná skupina.
Podobným spôsobom môžete kotol ukotviť k akémukoľvek kotlu, ktorý nie je vybavený elektronickou riadiacou jednotkou..
Kovanie na páskovanie BKN
- zabezpečiť nepretržitú cirkuláciu chladiacej kvapaliny z kotla do ohrievača vody;
- zabrániť hydraulickému a tepelnému šoku;
- udržiavať nastavenú teplotu ohrevu vody v automatickom režime.
- Membránová expanzná nádrž – navrhnutá tak, aby kompenzovala tepelnú rozťažnosť v systéme TÚV a predchádzala núdzovým situáciám. Po pripojení je BKN nainštalovaný spolu s bezpečnostnou skupinou. Expanzná nádrž musí obsahovať najmenej 10% celkového objemu kotla na nepriame vykurovanie.
- Poistný ventil – potrebný na núdzové odvádzanie vody z BKN. Ak tlak stúpne príliš vysoko, otvorí sa a vypustí vodu z kotla. Ventil sa počas prevádzky používa na plnenie akumulátora chemickými činidlami, ktoré odstraňujú vodný kameň.
- Bezpečnostná skupina kotla na nepriamy ohrev – obsahuje manometer, pretlakový ventil a odvzdušňovací ventil. Jednotka je navrhnutá tak, aby normalizovala tlak v prívode teplej vody a zabraňovala vodnému rázu. Inštalácia bezpečnostnej skupiny a expanznej nádrže, to je požiadavka výrobcov na potrubie BKN.
- Snímač teploty kotla – pripája sa k obehovému čerpadlu, ktoré riadi tlak v cievke. Ponorný termostat pracuje podľa reléového princípu. Keď sa dosiahne dostatočný ohrev vody, senzor vydá signál na vypnutie čerpacieho zariadenia. Voda sa prestane zahrievať. Po vychladnutí spustí automatika kotla obeh.
- Trojcestný ventil – funguje ako zmiešavacia jednotka, ktorá otvára a zatvára prívod vody do kotla z vykurovacieho systému. Existujú jednoduché mechanické zariadenia a presné trojcestné ventily poháňané servomotorom.
- Obehové čerpadlo – v závislosti od zvolenej schémy potrubia je nainštalovaný jeden alebo dva moduly. Čerpadlo slúži na vytváranie konštantného tlaku a recirkulácie v systéme TÚV.
Inštalácia prietokového ohrievača vody
Vykurovacia voda v prietokovom ohrievači vody, napriek jednoduchému princípu činnosti v obytných, sa používa menej často ako akumulačný typ. Dôvodom je skutočnosť, že na rýchle zahriatie studenej vody sú potrebné výkonné vykurovacie telesá od 3 do 27 kW a nie každé elektrické vedenie v byte bude schopné vydržať také zaťaženie..
Príprava – kontrola napájania
Pred rozhodnutím o inštalácii prietokového ohrievača vody by ste mali skontrolovať možnosti vnútornej elektrickej siete. Jeho potrebné parametre sú uvedené v pase pre ohrievač vody a ak nezodpovedajú skutočným údajom, bude potrebná rekonštrukcia vnútorného napájacieho vedenia.
Na pripojenie väčšiny prietokových ohrievačov je potrebný stacionárny spôsob inštalácie, sieť 220 V AC, trojžilový medený kábel s prierezom najmenej 3 x 2,5 mm a automatickou ochranou najmenej 30 A. Prietok -k uzemňovaciemu systému musí byť tiež pripojený priechodný ohrievač vody.
Výber sedadla
Beztlakové ohrievače vody majú vo všeobecnosti schopnosť zaručiť prevádzku iba jedného odberného bodu, v dôsledku toho otázka výberu oblasti inštalácie nestojí za to.
Je umiestnená namiesto mixéra v kúpeľni alebo v kuchyni. Výber výkonných tlakových ohrievačov s prietokom, ktoré slúžia na niekoľko kohútikov, sa musí vykonať starostlivo. Spravidla je umiestnená približne od maximálneho odberu alebo stúpačky.
Napriek tomu, že modifikácie IP 24 a IP 25 sú konštrukčne chránené pred priamym prienikom vody, je napriek tomu spoľahlivejšie ich umiestniť na miesta, kde priame prenikanie vody nehrozí..
Okrem toho je potrebné mať na pamäti, že zariadenia, ktoré majú mechanický systém na úpravu tlaku a teploty prívodu teplej vody, musia byť umiestnené na dĺžku ramena. Na základe vyššie uvedeného bude inštalácia kotla do kúpeľne najvhodnejšia.
Montáž na stenu
Prietokové ohrievače nemajú veľkú váhu, nekladú na ich inštaláciu požiadavky podobné kapacitným zariadeniam. Montáž na stenu budovy spočíva v vyvŕtaní otvorov a upevnení ohrievača pomocou špeciálnych konzol dodaných v súprave.
Hlavné podmienky profesionálnej inštalácie:
- Pevnosť obkladu steny;
- perfektné horizontálne usporiadanie.
Ak je ohrievač umiestnený so sklonom, existuje riziko vzniku vzduchových dutín, čo povedie k prehriatiu vykurovacieho telesa a zlyhaniu ohrievača vody..
Ako sa pripojiť k vodovodu
Pripevnenie beztlakového prietokového ohrievača je celkom jednoduché. Pripojenie sa vykonáva flexibilnou hadicou vybratou zo zmiešavača k prípojke zariadenia. Za týmto účelom nainštalujte špeciálne tesnenie pod prevlečnú maticu a zabaľte ho najskôr ručne a potom malým tlakom pomocou kľúča..
Je dôležité dodržať pravidlo, že za ohrievačom nie sú nainštalované žiadne uzatváracie ventily. Vodu by malo uzatvárať iba vykurovacie zariadenie alebo mixér, ku ktorému je pripojená
S rôznym vývojom udalostí v dôsledku nedostatku pohybu vody sa vykurovacie teleso prehrieva a zlyhá.
Pripojenie k elektrickej sieti
Malé beztlakové úpravy ohrievačov vody sa realizujú hlavne požadovaným zástrčkovým drôtom. V tomto ohľade je zahrnutie obmedzené na skutočnosť, že musíte vložiť zástrčku do uzemnenej elektrickej zásuvky.
Elektrický ohrievač je výkonný elektrický spotrebič, je zakázané ho zapínať rôznymi predlžovacími káblami. V dôsledku obrovského elektrického prúdu sa kontakty môžu prehriať a spôsobiť požiar v elektroinštalácii..
Kotol na ohrev vody elektrickou energiou: ako si vyrobiť ohrievač z plynovej fľaše sami
Ak je v zime kotol na nepriamy ohrev zahrievaný vykurovacím systémom, potom je v letnom období vhodné vybaviť ho vykurovacím telesom. Jedna alebo dve plynové fľaše, ktoré nájdete doma, môžu slúžiť ako nádrž pre kotol. Vhodný pre nový aj použitý valec.
Môžete použiť jeden valec, ale keďže jeho kapacita je malá (zvyčajne 50 litrov), je vhodnejšie vziať dva valce naraz a zvariť ich dohromady, pričom odrezať dno oboch nádob. Steny valcov sú vyrobené z nehrdzavejúcej ocele, ktorá je vynikajúca pre dlhodobú interakciu s horúcou vodou.
Na zostavenie kotla budete potrebovať:
- samotný valec alebo dva, ak plánujete vyrobiť veľkoobjemový ohrievač;
- Bulharčina;
- uhlová brúska na čistenie povrchov;
- cievka (nezávisle vyrobená z medenej alebo mosadznej rúrky) alebo rúrka;
- základný náter nitro;
- elektrická vŕtačka s korunkovou tryskou;
- armatúry a guľové ventily na pripojenie konštrukcie k potrubiu;
- ohýbačka rúrok na tvarovanie závitov alebo guľatina, rúrka vhodnej veľkosti (ak konštrukcia zahŕňa použitie cievky, a nie rovnej rúry);
- hustý polyetylén alebo tkanina, ako aj striekaný polyuretán na tepelnú izoláciu;
- držiaky na zavesenie alebo podperu.
Návod na výrobu
Plynová fľaša na kotol
- Najprv sa pripraví plynová fľaša. Musí sa dôkladne vyčistiť a rezať brúskou..
- Potom sa vnútorný povrch uhladí pomocou uhlovej brúsky, umyje, vysuší a natrie nitro základným náterom, aby sa počas prevádzky zabránilo zápachu plynu z vody..
zhromaždenie
Montáž sa vykonáva v nasledujúcom poradí:
- Vo valci sú vyvŕtané otvory elektrickou vŕtačkou na prívod studenej vody a odvádzanie horúcej vody. Vytvorí sa aj otvor pre cievku alebo rúrku.
Zostavenie kotla z plynovej fľaše
- Otvory sa vyčistia a nainštalujú sa do nich tvarovky a guľové ventily.
- V spodnej časti nádrže je vyvŕtaný ďalší otvor, cez ktorý bude odtekať stojatá voda.
- Pomocou ohýbačky rúrok je cievka vyrobená z medenej rúrky s priemerom 10 mm. Stojí za to to urobiť podľa vopred vypočítaných výpočtov. Konce cievky sú ohnuté v jednom smere vo vzdialenosti 20-30 cm.
- Do otvorov vyrezaných pre cievku sú zvárané závitové tvarovky.
- Cievka je vložená do otvorov, ktoré sú pre ňu vyvŕtané, a zvárané.
- Pri rezaní valca v strede je v spodnej časti namontovaný vykurovací prvok, ktorý pod ním vyvŕta otvor a zaskrutkuje závitovú dýzu. Ak konštrukcia nádrže vyžaduje oddelené dno, veko a stred, na konci zostavy je možné nainštalovať elektrický ohrievač..
- Vonkajšie je nádrž izolovaná tepelne izolačným materiálom. Všetky rúrky sú chránené polyetylénom a tkaninou a potom sa nastrieka polyuretánom. Ak chcete ušetriť nejaké peniaze. Môžete použiť polyuretánovú penu zabalenú v izolácii karosérie potiahnutej fóliou.
Tepelná izolácia pre kotol
- K kotlu sú zvarené prílohy a umiestnené na vybrané miesto.
Na konci práce sú naskrutkované armatúry, kohútiky a namontovaný horný kryt. Je lepšie ho nezvárať, ale upevniť ho skrutkami alebo oceľovým drôtom, aby bol prístup do vnútra nádrže..
Možnosti pre domáce kotly na nepriame vykurovanie popísané v texte sú len niektoré z možných. Spolu s valcovými kotlami amatérski inštalatéri montujú aj konštrukcie na základe štvorcových kontajnerov a namiesto jednovrstvového vinutia robia viacvrstvové vinutie. Hlavnou vecou je správne vypočítať dizajn tak, aby nádrž mala dostatočný objem a cievka poskytovala požadovanú úroveň vykurovania..
Nuansy odpichu do potrubia
Kotol je pripojený k vykurovaciemu systému pomocou akýchkoľvek potrubí: oceľ, kov-plast, PP.
Voľba závisí od rozpočtu a teploty chladiacej kvapaliny. Napríklad v kotloch na tuhé palivá teplota prakticky nie je regulovaná, existujú prípady, keď stúpne na 100 ° C. Preto sa v tomto prípade odporúča inštalácia oceľových rúr..
Pripojenie na PP-potrubie
PP-rúry sa ľahko inštalujú. Na potrubné zariadenie potrebujete iba spájkovačku a špeciálne nožnice na rezanie sekcií požadovanej dĺžky. Po vytvorení bodu pripojenia sa v potrubí vyreže časť, ktorej dĺžka sa rovná dĺžke odpaliska mínus 10 mm v každom smere.
Kovanie a rúrka sa zahrievajú spájkovačkou do požadovaného stavu a spoja sa. Posúvanie v ľubovoľnom smere nie je povolené, pretože to môže viesť k úniku spojenia.

Pripojenie rohov a úsekov rúrok rôznych dĺžok sa dodáva k dýzam kotla. Na konci úseku je spájkované závitové puzdro, nakoniec je celé vedenie spojené.
Upevnenie oceľovej rúry
Pripojenie BKN k oceľovému potrubiu je možné bez zvárania – pomocou svorky a špeciálneho adaptéra typu „upír“ s otvorom v tele.
Na predtým pripravenú a vyčistenú časť spojovacieho prvku je nainštalovaná svorka spolu s tepelne odolným tesnením a skrutky sú utiahnuté. Prívod vody je uzavretý a jeho zvyšky sú odstránené z pripájacej časti.
Prostredníctvom otvoru v svorke je časť potrubia vyvŕtaná vŕtačkou a ventil je naskrutkovaný. Ďalej sa páskovanie BKN vykonáva podľa zvolenej schémy.
Zapojte sa do vystuženého plastového potrubia
Možnosť je jednoduchá a spoľahlivá, používa sa na pripojenie BKN k dvojokruhovému kotlu. Na pripojenie uzlov sa používajú tvarovky a na vytvorenie ohybov a zákrut sa rúrka jednoducho ohne v požadovanom uhle..

Pred potrubím do kotla sa odreže rúrka požadovaného prierezu a dĺžky. Potom sa miesto pripojenia zvolí s prihliadnutím na dĺžku odpaliska a časť obsadenú potrubným spojením..
Na zariadenie otvoru sa používajú špeciálne nožnice. Matice sa odstránia z odpaliska a naskrutkujú sa na rôzne konce rúrky. Na zapaľovanie sa používa skrutkovač alebo špeciálny kalibrátor. Po vložení odpaliska sa krúžky pohybujú, matice sú utiahnuté kľúčom.
Namiesto odpalísk je možné použiť potrubné tvarovky, na ich inštaláciu je však potrebné ďalšie tlakové testovanie..
Stručný prehľad dôležitých faktov: poistný ventil
Samostatná časť si zaslúži taký prvok uvažovaného systému ako poistný ventil. Vylučuje možnosť spätného toku kvapaliny do vodovodného systému a tiež pomáha normalizovať tlak v systéme vypúšťaním prebytočnej vody počas jeho zahrievania..
Dôležitá nuansa: je zakázané inštalovať spätný ventil namiesto bezpečnostného. Mohlo by dôjsť k rozbitiu teplotného spínača a následnému výbuchu kotla..
Poistný ventil je inštalovaný na vstupe studenej vody do ohrievača. Technológia pripojenia zakazuje umiestnenie uzatváracích prvkov medzi vstupom do nádrže a poistným ventilom.
Dôležité! Monitorujte stav ventilu, keď je nádrž v prevádzke. Ak mosadzné zariadenie zostane dlho suché, môže to znamenať poruchu. Zlyhaný prvok je potrebné čo najskôr vymeniť..
Teraz môžete ohrievač pripojiť k vodovodnému systému v súlade so všetkými požiadavkami a nuansami technológie. Je to skvelá príležitosť, ako ušetriť peniaze za inštalatérske služby a mať celý proces pod osobnou kontrolou..
Náklady na nepriamy vykurovací kotol
Na trhu s vykurovacími zariadeniami existuje mnoho modelov kotlov od rôznych výrobcov. Tieto modely sa medzi sebou líšia objemom nádrže, značkou, materiálom, ďalšími funkciami atď..
Kritériá ovplyvňujúce náklady na vykurovaciu jednotku:
- Výrobca. Čím je spoločnosť známejšia, tým vyššie sú náklady na zariadenie. Najpopulárnejšie modely sú od spoločností Viessmann, Buderus, Vaillant, Baxi, Protherm, Drazice alebo Gorenje. Nedávno sú však na trhu veľmi žiadané jednotky ruskej výroby, ktoré v žiadnom prípade nie sú kvalitou nižšie ako ich zahraničné náprotivky, ale zároveň majú nižšie náklady..
- Dizajn. Použitý typ výmenníka tepla výrazne ovplyvňuje náklady na jednotku ako celok. Najnižšia cena je za kotly s nižším umiestnením ohrievača a najvyššia za kotly s vnútorným zásobníkom..
- Materiály použité na výrobu zariadenia. Najdrahšie zariadenia sú tie, ktoré používajú oceľ a mosadz. Tanky vyrobené z plastu majú výrazne nižšiu cenu.
- Objem nádrže. Čím väčšia je kapacita jednotky, tým viac materiálu sa spotrebuje na jej výrobu, a v dôsledku toho sa zvyšujú aj jej náklady..
- Ďalšie možnosti. Prítomnosť ďalších zariadení a funkcií výrazne zvyšuje náklady na vykurovaciu jednotku (elektronický teplomer, termostat, schopnosť pripojiť recirkulačné potrubie atď.).
V závislosti od materiálu a firmy výrobcu sa cena za nepriamy kotol s objemom nádrže 100 litrov pohybuje od 20 000 do 80 000 rubľov. S nárastom objemu na 300 litrov sa náklady na jednotku zvýšia na 100 000 rubľov a za zariadenie s nádržou 1 000 litrov budete musieť zaplatiť 300 000 – 400 000 rubľov.
Časté chyby pri inštalácii
Počas inštalácie alebo počas procesu inštalácie sa musíte pokúsiť vyhnúť mnohým chybám:
- Kotol a kotol sú inštalované ďaleko od seba. Ich inštalácia by mala byť vykonaná nielen čo najbližšie k sebe. Na zjednodušenie inštalácie sú však rúry správne odkryté.
- Nesprávne spojenie potrubia s chladiacou kvapalinou.
- Negramotná inštalácia obehového čerpadla.

Kompetentná inštalácia, uvedenie do prevádzky a nastavenie zaručujú stabilný prívod teplej vody a umožňujú normálnu prevádzku všetkých systémov a zariadení. Tým sa zabráni opotrebovaniu dielov a ušetrí sa na predčasných opravách.
tipy a triky
Aby ste zhodnotili, či je povedzme nepriamy vykurovací kotol na 200 litrov, musíte zistiť:
- koľko bodov odberu vody sa použije;
- aká je ich oddelená a všeobecná potreba;
- ako rýchlo by sa mala voda ohriať v každom kohútiku;
- na akú teplotu by sa mala kvapalina zahriať.

Rovnakých 200 litrov dokáže pokryť všetky potreby rodiny pre 5 osôb. V takom prípade budete musieť nainštalovať kotol s minimálnym výkonom 33 kW.
Profesionálny výpočet by mal tiež vziať do úvahy:
- oblasti výmenníkov tepla;
- tepelná kapacita vody;
- dĺžka a konfigurácia cievky;
- aktuálna spotreba (ak je nainštalované vykurovacie teleso).

Inštalácia kotla na nepriame vykurovanie: potrubie kotla s kotlom, schéma zapojenia, inštalácia
Čo je to kotol na nepriame vykurovanie a aké sú to?
Ohrievač vody alebo kotol na nepriamu výmenu je nádrž na vodu, v ktorej je umiestnený výmenník tepla (cievka alebo, podobne ako vodný plášť, valec vo valci). Výmenník tepla je pripojený k vykurovaciemu kotlu alebo k akémukoľvek inému systému, v ktorom cirkuluje teplá voda alebo iný nosič tepla.
Vykurovanie je jednoduché: teplá voda z kotla prechádza cez výmenník tepla, ohrieva steny výmenníka tepla a oni zase prenášajú teplo do vody v nádrži. Pretože vykurovanie neprebieha priamo, takýto ohrievač vody sa nazýva “nepriame vykurovanie”. Vyhrievaná voda sa spotrebúva podľa potreby pre potreby domácnosti.
Zariadenie kotla na nepriame vykurovanie
Jednou z dôležitých drobností v tomto dizajne je horčíková anóda. Znižuje intenzitu koróznych procesov – nádrž vydrží dlhšie.
Čo je to nepriamy vykurovací kotol
Aby sme pochopili zariadenie nepriameho vykurovacieho kotla, musíme si predstaviť veľkú nádrž naplnenú vodou, vo vnútri ktorej je zabudovaný výmenník tepla. Vykuruje sa vykurovacím kotlom, ktorý má schopnosť pripojenia k vodnému okruhu.
Voda ohrievaná kotlom cirkuluje cez cievku a odovzdáva teplo cez steny do vody, ktorá sa naleje do nádrže. Kotol je navrhnutý tak, že keď sa spotrebuje voda, naplní sa novou časťou a proces pokračuje. Kotol sa nazýva “nepriamy”, pretože dodávka teplej vody je v tomto prípade “bočným” alebo “nepriamym” účinkom výmenníka tepla kotla, ktorého hlavnou úlohou je vykurovať miestnosť.
Dôležité. Na ochranu stien nádrže pred koróziou je v nej namontovaná horčíková anóda. Stroj s touto časťou vydrží oveľa dlhšie..
Všeobecné požiadavky
Aby potrubný systém jednokruhového kotla s kotlom fungoval normálne, bez prerušenia a núdzových situácií, musia byť splnené nasledujúce požiadavky:
Z bezpečnostných dôvodov nesmie byť na prívodnom potrubí vody do kotla nainštalovaný spätný ventil, aby sa zabránilo spätnému toku..
Zariadenie s riadiacou jednotkou
Dnes existujú dve možnosti pre kotly – jednoduché (lacnejšie) a so vstavanou riadiacou jednotkou. Malo by sa pamätať na to, že takáto jednotka je povinná, ak hlavné vykurovacie zariadenie, napríklad plynový kotol, nemá riadiacu funkciu..
Vo vstavanej riadiacej jednotke je často nainštalovaný teplotný snímač. Je tiež možné zastaviť alebo zapnúť prívod vody do výmenníka tepla. Zariadenie môže pracovať v automatickom režime. Na pripojenie zariadenia musíte vykonať nasledujúce kroky:
Potom zostáva len spustiť systém, po ktorom sa voda začne zahrievať a prúdiť v požadovanom smere. Potrubie recirkulačného kotla je možné vykonať niekoľkými spôsobmi..
Mnoho ľudí si myslí, že pomocou riadiacej jednotky je možné nastaviť teplotu vody v kotle. Tento názor je nesprávny. Maximálna dosiahnuteľná teplota je stupeň samotného tepelného nosiča, ktorý je dodávaný priamo z kotla. Kvapalina sa zvyčajne zahreje o 1-2 stupne menej. Ak potrebujete vodu s vyššou teplotou, potom je lepšie vybrať si model so vstavaným vykurovacím telesom. Obvykle je takáto schéma potrebná v prítomnosti nízkoteplotného kotla..
Je lepšie kúpiť také jednotky spolu s kotlom na tuhé palivá. Aj keď drevo vyhorí, vždy tu bude prístup k horúcej vode na dlhý čas..
Výhody, nevýhody, typy zariadení
Na čo je taký kotol dobrý? A čo je najdôležitejšie, vodu v nej je možné ohriať bez ďalších nákladov. To znamená, že nebudete musieť platiť za elektrinu alebo plyn, na rozdiel od rovnakých kotlov s priamym ohrevom, ktoré majú vo svojom dizajne špeciálne vykurovacie prvky, ako sú horáky. Kotol KN používa hotový zdroj vykurovacieho systému v dome.
Tento aspekt nám tiež umožňuje hovoriť o zníženom zaťažení elektrickej siete v dome. Výkon kotla je zároveň pomerne vysoký, je bezpečný a môže slúžiť mnoho rokov bez sťažností, pretože jeho vnútorná časť je dokonca chránená pred kontaktom s tečúcou vodou. Voda z takého kotla sa dodáva spotrebiteľovi hneď, ako je to potrebné..
Zariadenie má samozrejme nevýhody. V prvom rade ide o vysoké náklady – je to drahšie ako kotol na priame vykurovanie. Tiež stojí za to pochopiť, že voda v nej sa zahrieva dlhšie, ale zostane horúca dlhšie. Áno, a taký kotol zaberá veľa miesta, je lepšie ho dať úplne do samostatnej miestnosti. A ešte jedna hlavná nevýhoda – na ohrev vody v lete budete musieť spustiť vykurovací kotol.
Pri vybavovaní systému zásobovania teplou vodou v súkromnom dome sa vlastník často musí rozhodnúť, čo je lepšie – kotol na nepriame vykurovanie alebo dvojokruhový kotol
Na poznámku! Existuje niekoľko typov nepriamych vykurovacích kotlov. Pozrime sa, ako sa navzájom líšia..
Tabuľka. Typy kotlov KN.
Na poznámku! Je dôležité pochopiť, že čím menší je kotol, tým rýchlejšie sa v ňom voda zahreje. Napriek tomu, že moderné konštrukcie niekedy umožňujú zahriať veľký objem vody vo veľmi krátkom čase.
Vlastnosti dizajnu a princíp činnosti
Čo znamená nepriame vykurovanie? Zariadenia s funkciou priameho ohrevu pripojením na elektrickú energiu alebo plynový horák má BKN iný zdroj tepla. Voda sa ohrieva pripojením k prívodu teplej vody, to znamená, že sa ukazuje, že zdrojom je nosič tepla – horúca voda (alebo jej náhrada).
Navonok sa BKN podobá štandardnému ohrievaču vody – to znamená, že má sudovitý tvar, aj keď moderné modely sú ergonomickejšie. Na uľahčenie použitia a inštalácie majú obdĺžnikovú konfiguráciu.
Ak vezmeme do úvahy nové modely známych značiek, všimneme si, že plynové kotly a kotly KH majú často rovnaký dizajn. Sú namontované vedľa seba alebo pod sebou – týmto spôsobom môžete ušetriť na mieste umiestnenia.
Hlavným prvkom, ktorý vykonáva funkciu vykurovania, je oceľový alebo mosadzný výmenník tepla (cievka) s veľkým povrchom, ktorý je umiestnený vo vnútri kovovej nádrže pokrytej ochrannou vrstvou smaltu. Aby sa zabránilo chladeniu vodou príliš rýchlo, zvonku je puzdro obklopené vrstvou tepelnej izolácie a niektorých modelov – a plášťom.
Ak chcete, aby sa voda v kotle rýchlo zahriala, zvoľte model s niekoľkými výmenníkmi tepla a pomaly chladnite – s kvalitnou tepelnou izoláciou
Dôležitou súčasťou, ktorá je teraz vybavená väčšinou vykurovacích zariadení, je horčíková anóda. Tyč upevnená v hornej časti zariadenia chráni kovové časti pred koróziou, v dôsledku čoho ohrievač vody vydrží oveľa dlhšie.
Vysokotlakové bariéry sú poistný ventil a vstavaný termostat. Ak nádrž nie je vybavená bezpečnostnou skupinou, inštaluje sa samostatne pri usporiadaní potrubia.
Voda cirkulujúca vo vykurovacom systéme často nepresahuje 65-70 ° C. Mnohí spochybnili jeho účinnosť, keď v BKN funguje ako zdroj tepla na vykurovanie. Uvedená teplota je v skutočnosti dostačujúca, pretože rýchlosť a množstvo prenosu tepla do značnej miery závisí od oblasti (pomerne veľkej) kontaktu cievky s vodou.
Ako prebieha proces zahrievania? Studená voda na vykurovanie vstupuje samostatným otvorom a vypĺňa celú nádobu. Voda tiež prúdi z kotla do výmenníka tepla, ale už je zahriata. Horúce cievkové steny prenášajú teplo do studenej vody, ktorá má na výstupe už teplotu vhodnú na sprchovanie alebo umývanie riadu.
Výhody kontrolovaného zariadenia
Ovládateľnosť je charakteristika, ktorá ovplyvňuje montáž celého systému ohrevu vody. Existujú dva typy BKN: jednoduché (lacnejšie) a so vstavanou funkciou ovládania..
Riadenie procesu vykurovania je povinné, ak hlavné vykurovacie zariadenie – napríklad plynový kotol alebo kotol na tuhé palivo – nemá riadiacu jednotku
Charakteristickou črtou kontrolovaných modelov je dodatočné vybavenie s teplotným snímačom a schopnosťou dodávať / zastavovať prívod vody do výmenníka tepla. Takéto zariadenie pracuje v automatickom režime..
Ak chcete začať, musíte sa pripojiť:
Potom môžete spustiť kotol – voda sa začne ohrievať.
Ak kotol pracuje v automatickom režime, nie je potrebné kotol ovládať. Stále je však lepšie vybaviť ho snímačom teploty, pretože v kufri je miesto
Proces pripojenia a potrubia nepriameho vykurovacieho kotla prebieha jedným zo spôsobov (popis – nižšie).
Ako môže manažment ovplyvniť teplotu vody? Takmer nič. Maximálna hodnota, ktorú môže výstupná teplota dosiahnuť, nepresahuje parametre chladiacej kvapaliny v systéme TÚV. S najväčšou pravdepodobnosťou bude nižšia o 1-2 ° С.
Ak je potrebné intenzívnejšie vykurovanie (to sa môže stať, ak kotol zvyčajne pracuje v nízkoteplotnom režime), potom je lepšie zvoliť model so vstavaným vykurovacím telesom.
Odporúča sa kúpiť takéto zariadenie spolu s kotlami na tuhé palivá (voda zostáva horúca aj po vychladnutí kotla).
Čo sú to kotly
Nepriame vykurovacie kotly sú dvoch typov:
So vstavaným ovládaním vyzerá pripojenie nepriameho vykurovacieho kotla k kotlu jednoducho: z kotla je dodávka (výkon) teplej vody dodávaná do cievky, studená voda je dodávaná do nádrže a odbočné potrubie pre výstup ohriatej vody na distribúciu je umiestnený v hornej časti. Zostáva len naplniť kotol vodou a „civilizácia“ môže byť použitá. Takéto zariadenia majú svoje vlastné snímače teploty a autonómne ovládanie, ktoré otvára alebo zatvára prietok vody z kotla do výmenníka tepla. Vykurovanie kotlom sa v zásade vypláca z finančného hľadiska..
Existujú možnosti, keď je kotol spárovaný s automatizovaným kotlom. Na určitom mieste je nainštalovaný teplotný snímač, ktorý je pripojený k vykurovacej jednotke. Potom je kotol napojený na nepriamy vykurovací kotol podľa schémy. V tomto prípade by mal potrubie kotla na nepriame vykurovanie vykonať skúsený odborník. K energeticky nezávislým kotlom je možné pripojiť ohrievače vody.
Na trhu sú kotly vyrobené z rôznych materiálov: nehrdzavejúca oceľ, oceľ so špeciálnym smaltovaným povlakom. Medzi najnovšími modelmi ohrievačov vody sa dobre osvedčili hliníkové nádrže. Nemajú švy a môžu odolávať korózii.
Je dôležité si uvedomiť: teplotu vody v kotle nie je možné ohriať nad teplotu chladiacej kvapaliny špirály. Ak je teda vykurovacia jednotka nastavená na 45 stupňov, voda v kotle sa nezahreje nad tento prah..
Túto miernu nepríjemnosť je možné obísť inštaláciou kombinovaného ohrievača vody so vstavaným vykurovacím telesom. V tomto prípade bude hlavný ohrev vody spôsobený cievkou z kotla a elektrický ohrievač teplotu upraví. Takýto systém sa ukázal dobre, ak sa ako hlavný zdroj tepla používa kotol na tuhé palivá: voda zostane teplá, keď je palivo vyhorené. Kotol na kotol na tuhé palivá je ideálnou možnosťou, ako pohodlne získať teplú vodu.
Názory
Existujú dva typy nepriamych vykurovacích kotlov: so vstavaným ovládaním a bez neho. Nepriame vykurovacie kotly so vstavaným ovládaním sú napojené na vykurovací systém napájaný kotlami bez regulácie. Majú vstavaný snímač teploty, vlastné ovládanie, ktoré zapína / vypína prívod horúcej vody do cievky. Pri pripájaní zariadení tohto typu stačí uviesť prívod a návrat z vykurovania na zodpovedajúce vstupy, pripojiť prívod studenej vody a k hornému výstupu pripojiť výdajník teplej vody. To je všetko, môžete naplniť nádrž a začať ju ohrievať.
Konvenčné nepriame kotly pracujú hlavne s automatizovanými kotlami. Pri inštalácii je potrebné nainštalovať snímač teploty na konkrétne miesto (v telese je otvor) a pripojiť ho ku konkrétnemu vstupu kotla. Ďalej je potrubie kotla na nepriame vykurovanie vyrobené v súlade s jednou zo schém. Môžete ich pripojiť k energeticky nezávislým kotlom, ale to vyžaduje špeciálne obvody (nižšie).
Je potrebné pamätať na to, že vodu v kotle na nepriame vykurovanie je možné ohriať mierne pod teplotu chladiacej kvapaliny cirkulujúcej v cievke. Ak teda váš kotol pracuje v nízkoteplotnom režime a produkuje povedzme + 40 ° C, maximálna teplota vody v nádrži bude presne taká. Už nemôžete zahriať. Aby ste toto obmedzenie obišli, existujú kombinované ohrievače vody. Majú cievku a vstavané vykurovacie teleso. Hlavné vykurovanie je v tomto prípade spôsobené cievkou (nepriame zahrievanie) a vykurovacie teleso privádza teplotu iba na nastavenú teplotu. Také systémy sú dobré aj v spojení s kotlami na tuhé palivá – voda bude teplá, aj keď je palivo vyhorené..
Čo ešte môžete povedať o funkciách dizajnu? Vo veľkých objemoch je nainštalovaných niekoľko výmenníkov tepla – to skracuje čas na ohrev vody. Na skrátenie doby ohrevu vody a pomalšie chladenie nádrže je lepšie zvoliť modely s tepelnou izoláciou.
Tečie
Flow-through-kompaktná nádrž so štvorcovým tvarom tena, ktorá je napojená na prívod studenej vody. Po zapnutí sa voda zahreje takmer okamžite. Výkon takýchto ohrievačov je 6 – 10 kW, takže zaťažujú elektrickú sieť..
Charakteristiky a typy
Flexibilná hadica na pripojenie vodovodných potrubí je hadica rôznych dĺžok vyrobená z netoxického syntetického kaučuku. Vďaka pružnosti a mäkkosti materiálu ľahko zaujme požadovanú polohu a umožňuje inštaláciu na ťažko dostupných miestach. Na ochranu flexibilnej hadice je navrhnutá horná výstužná vrstva vo forme opletu, ktorá je vyrobená z nasledujúcich materiálov:
Ako spojovacie prvky sa používajú páry matice a matice a matice, ktoré sú vyrobené z mosadze alebo nehrdzavejúcej ocele. Zariadenia s rôznymi prípustnými teplotami sa líšia farbou vrkoča. Modré sa používajú na pripojenie k potrubiu so studenou vodou a červené s horúcou vodou.
Pri výbere očnej linky do vody musíte venovať pozornosť jej pružnosti, spoľahlivosti spojovacích prvkov a účelu. Je tiež povinné mať certifikát, ktorý vylučuje emisie toxických zložiek gumou počas prevádzky.
Odrody zariadení s ďalšími funkciami
Nádrže s jednoduchým dizajnom sú len časťou sortimentu na trhu zariadení na ohrev vody. Existuje mnoho modelov kotlov, ktorých funkcie sú veľmi užitočné pre integráciu do systému TÚV..
Napríklad jedným z účelov drahších modelov je akumulácia tepla. Ak sú pravdepodobné výpadky prúdu alebo príliš vysoká denná spotreba, režim akumulácie bude veľmi užitočný. Konštrukčné vlastnosti takýchto modelov sú vylepšená tepelná izolácia a zvýšený objem nádrže (300 litrov alebo viac).
Ďalšou možnosťou, ktorá implementuje najrýchlejšiu dodávku teplej vody do kohútikov, je recirkulačný kotol. Na rozdiel od konvenčného dizajnu je tento vybavený tromi odbočkami pre komunikáciu so systémom zásobovania teplou vodou. Teplá voda je dodávaná v dvoch, studená voda v jednej. Zásobovanie vodou sa vykonáva pomocou čerpadla.
Pri použití modelu s recirkuláciou môžete vybaviť ďalší užitočný obvod, napríklad na inštaláciu vyhrievaného držiaka na uteráky.
Menej časté ako modely s cievkami sú modely tank-in-tank. Nádoba s vodou na zahriatie je vo vnútri, vykurovací okruh je vonku
Voda v takejto nádrži sa zahrieva rýchlejšie ako v jednotkách s výmenníkom tepla, ale jej cena je tiež vyššia.
Veľkosť a význam nádrže
Cylindrické a kubické nádrže sa líšia svojimi rozmermi. Ich objem je uvedený v litroch: existujú malé modely s objemom 80-100 litrov, ale existujú aj objemné, ktoré môžu pojať až 1 400-1 500 litrov. Veľkosť sa vyberá na základe potreby rodiny na teplú vodu.
Pri inštalácii sú dôležité rozmery. Na montáž na stenu sú vhodné iba ľahké modely – do 200 litrov, všetky ostatné sú stojace. Horizontálne aj vertikálne nástenné zariadenia v súprave majú špeciálne držiaky, stojace zariadenia sú vybavené nohami alebo malým stojanom.
Dýzy potrebné na pripojenie vody a tepelného nosiča sa zvyčajne vyberajú zozadu a zhora, takže je pohodlnejšie pripojiť nádrž k rúrkam. Predný panel radu modelov je vybavený snímačom teploty (relé) a technickým otvorom
Obdĺžnikové jednotky zaberajú o niečo menej miesta ako valcové, pretože tesne priliehajú k rúrkam.
Výpočet výkonu a výber zariadenia
Na výber schémy BKNsR a výberu zariadenia je najskôr potrebné vypočítať tepelné zaťaženie dodávky teplej vody pre konkrétneho spotrebiteľa. Nesprávny spôsob pripojenia povedie k neúčinnosti systému recirkulácie TÚV alebo k poruche hlavného a čerpacieho zariadenia.
Napríklad, aby sa vykonal výpočet, pre rodinu 4 osôb vezmite normy teplej vody podľa SNiP 2.04.01-85 „Vnútorné zásobovanie vodou a kanalizácia budov“.
Jednoduché výpočty ukazujú, že umývanie riadu bude vyžadovať 336 l / týždeň, sprcha – 1280 l / týždeň, pri malých akciách ďalších 280 l / týždeň, celkom 2856 l / týždeň alebo 17 l / hod..
Vzorec výkonu:
17×0,0375 = 0,637kW
Vypočítané parametre ohrievača:
Čo sa stane, keď je kotol v prevádzke?
Schéma práce je neuveriteľne jednoduchá. Studená kvapalina vstupuje do nádrže vstupom, chladiaca kvapalina cirkuluje cievkou alebo medzi stenami nádrží, v závislosti od konštrukcie jednotky, privádza kvapalinu na požadovanú teplotu a potom ju udržuje v tomto stave. Chladiaca kvapalina sa ohrieva vykurovacím zariadením.
Konštrukcia navyše poskytuje vstupné a výstupné dýzy, ktoré zabezpečujú dodávku do plynového alebo iného kotla a priamo do miest spotreby. Termostat reguluje teplotu vykurovacieho média. Hneď ako klesne pod normál, toto zariadenie vydá vhodné signály.
Elektrické a naftové generátory tepla
Pripojenie kotla na naftu k chladiacemu systému sa vykonáva identicky s potrubím plynových zariadení. Dôvod: dieselová jednotka pracuje na podobnom princípe – elektronicky riadený horák ohrieva výmenník tepla plameňom, pričom udržuje nastavenú teplotu chladiacej kvapaliny.
Na vykurovanie sú priamo napojené aj elektrické kotly, v ktorých sa voda ohrieva vykurovacími telesami, indukčným jadrom alebo v dôsledku elektrolýzy solí. Za udržiavanie teploty a bezpečnosti zodpovedá automatizácia umiestnená v elektrickej skrini pripojenej k sieti podľa danej schémy zapojenia. Ďalšie možnosti pripojenia sú uvedené v samostatnej publikácii o inštalácii elektrických vykurovacích kotlov..
Nástenné mini kotolne vybavené rúrkovými ohrievačmi sú určené iba pre uzavreté vykurovacie systémy. Na prácu s gravitačným zapojením budete potrebovať elektródu alebo indukčnú jednotku, ktorá je viazaná podľa štandardnej schémy:
Ak sa na to pozriete, obtok tu nie je potrebný – kotol nebude fungovať ani bez elektriny.
Príjem vody pri vypnutom prívode
Väčšina zásobníkových ohrievačov vody je uzavretého typu a neodvádzajú vodu samospádom. Existuje však množstvo prídavných potrubí, ktoré umožňujú čerpať vodu bez tlaku. Tieto doplnky najľahšie vyprázdňujú nádrž, ak ju vyberiete z prevádzky..
Po prvé, teória: horúca odbočná rúrka nádrže dosahuje samotný vrchol nádrže, studená je umiestnená v spodnej časti pod krytom difuzéra. Voda je odvádzaná studenou tryskou a vzduch je nasávaný do nádrže dlhou horúcou výstupnou rúrkou..
Najjednoduchším riešením je vložiť odpalisko do horúceho kolena do bodu, kde je nainštalovaný guľový ventil. Pomocou týchto dvoch kohútikov môžete nádrži poskytnúť nasávanie vzduchu a použiť horúcu vodu zo „studeného“ potrubia. Tento prístup však nie je úplne bezpečný: ak zabudnete vypnúť ventil prívodu vzduchu, riskujete zaplavenie svojho domu, keď sa v systéme dodávky studenej vody objaví tlak..
Problém je vyriešený dvoma spôsobmi. Prvým je inštalácia spätného ventilu na ventil prívodu vzduchu na horúcom vstupe. Problém je v tom, že vo vysokej trubici naplnenej nádrže je takmer vždy malé množstvo vody, takže systém nefunguje veľmi stabilne – vodný stĺpec bráni otvoreniu ventilu, aj keď je v nádrži relatívne vákuum. Pri prvom otvorení systému musíte vodu z trubice vypustiť ručne.
Je tiež možné nainštalovať spätný ventil obchádzajúci uzatvárací ventil studeného prívodu. V tomto prípade je ventil inštalovaný oproti normálnemu prietoku vody a pri pôsobení tlaku blokuje jeho vstup do nádrže. Rovnako ako predtým je možné túto úlohu vyriešiť ešte menším počtom 3-cestných ventilov..
Na ktoré vykurovacie jednotky je možné pripojiť
Pre kotol na tuhé palivá je vhodný nepriamy vykurovací kotol, pričom voda zostáva dlho teplá. Kotol je vhodný pre plynové, elektrické alebo olejové vykurovacie telesá. Na druh paliva nie sú žiadne obmedzenia. To znamená, že inštalácia nepriameho vykurovacieho kotla sa vykonáva v tandeme s akýmkoľvek kotlom, ktorý má výstup do vodného okruhu. Kombinovaný typ vyrieši problém, keď je vykurovanie hlavného výmenníka tepla vypnuté.
Inštalácia závisí od zvoleného modelu: s autonómnym systémom riadenia ohrevu vody alebo nie. Autonómny riadiaci systém je oveľa pohodlnejší. V druhom prípade budete musieť premyslieť systém regulácie teploty. Pripojenie nepriameho vykurovacieho kotla k jednokruhovému kotlu je zodpovedný proces, ku ktorému je potrebné pristupovať vopred. V každom prípade, ak je v dome jednokruhový kotol, potom je kotol považovaný za najlepšie riešenie pre organizáciu dodávky teplej vody..
Rada. Ak majú kotly veľký objem, má zmysel nainštalovať niekoľko výmenníkov tepla, aby sa skrátil čas ohrevu vody. Na ten istý účel, ako aj na to, aby voda dlho udržiavala teplotu, sú kotly vyrobené s tepelnou izoláciou.
Na ktoré kotly je možné pripojiť
Nepriame kotly je možné prevádzkovať s akýmkoľvek zdrojom teplej vody. Vhodný je akýkoľvek teplovodný kotol – na tuhé palivo – na drevo, uhlie, brikety, pelety. Je možné ho pripojiť k akémukoľvek typu plynového kotla, elektrického alebo olejového.
Schéma pripojenia k plynovému kotlu so špeciálnym výstupom pre kotol na nepriame vykurovanie
Proste, ako už bolo uvedené vyššie, existujú modely s vlastným ovládaním a potom je ich inštalácia a pripútanie jednoduchšou úlohou. Ak je model jednoduchý, musíte premyslieť systém regulácie teploty a prepnúť kotol z vykurovacích telies na ohrev teplej vody.
Tvary nádrží a spôsoby inštalácie
Nepriamy vykurovací kotol je možné nainštalovať na podlahu, zavesiť na stenu. Nástenné verzie majú objem maximálne 200 litrov a stojanové verzie môžu mať objem až 1 500 litrov. V oboch prípadoch ide o horizontálne a vertikálne modely. Pri inštalácii nástennej verzie je upevnenie štandardné – konzoly, ktoré sú namontované na vhodnom type hmoždinky.
Ak hovoríme o tvare, potom sú tieto zariadenia najčastejšie vyrobené vo forme valca. Takmer vo všetkých modeloch sú všetky pracovné výstupy (pripojovacie dýzy) vyvedené zozadu. Je jednoduchšie sa pripojiť a vzhľad je lepší. Na prednej strane panelu sú miesta na inštaláciu teplotného senzora alebo tepelného relé, v niektorých modeloch je možné nainštalovať vykurovacie teleso – na dodatočné ohrev vody v prípade nedostatku vykurovacieho výkonu.
Podľa typu inštalácie sú nástenné a podlahové s objemom od 50 litrov do 1500 litrov.
Pri inštalácii systému stojí za to pamätať, že systém bude fungovať efektívne iba vtedy, ak je výkon kotla dostatočný..
Nuansy páskovacieho zariadenia
Je jednoduchšie vykonať zapojenie a potrubie, ak je kotol KN inštalovaný spolu s kotlom, čerpadlami a iným zariadením zapojeným do montáže systému TÚV. Vstavanie ďalšieho zariadenia do existujúcej siete je oveľa ťažšie..
V každom prípade pre normálnu prevádzku zariadení budete musieť dodržiavať niekoľko pravidiel:
Z bezpečnostných dôvodov sa nepokúšajte zaistiť ťažké zariadenia na sadrokartónové dosky alebo tenké drevené priečky. Vhodné sú betónové a tehlové steny. Konzoly alebo iné typy držiakov sú upevnené konzolami, kotvami, hmoždinkami.
Bez ohľadu na typ zariadenia – podlaha alebo stena – pokiaľ je to možné, je namontovaný nad úrovňou, na ktorej je kotol inštalovaný, alebo na rovnakej úrovni. Na podlahu môžete vytvoriť podstavec alebo pevný stojan vysoký až 1 m
Pri inštalácii sú dýzy nasmerované na kotol (aj keď sú maskované vzadu alebo za falošnou stenou). Nepoužívajte nespoľahlivé zariadenia, ako sú vlnité hadice, ktoré nevydržia tlak a tlak vody.
Zásada prioritného pripojenia
Pred inštaláciou kotla na nepriamy ohrev v systéme TÚV je potrebné zvoliť princíp jeho pripojenia: s prioritou alebo bez nej. V prvom prípade, keď je potrebné rýchlo získať veľké množstvo horúcej vody, sa celý objem chladiacej kvapaliny čerpá cez cievku BKN, v dôsledku čoho sa voda ohrieva oveľa rýchlejšie.
Potom, čo teplota vody dosiahne požadovanú úroveň (meranú termostatom), existuje spôsob, ako presmerovať prietok do radiátorov.
Pripojenie bez priority neumožňuje prejsť celým objemom chladiacej kvapaliny a kotol slúži iba časti celkového prietoku. S vybavením takejto schémy sa voda zahrieva dlhšie.
Schéma pripojenia BKN bez priority: ku kotlu je pripojený samostatný okruh, preto nie je možné prerušiť radiátory (alebo iné vykurovacie zariadenia)
Prioritná schéma je efektívnejšia, pretože umožňuje rýchlo ohriať požadované množstvo vody bez ohrozenia ohrevu. Ak sú vykurovacie zariadenia vypnuté na 30-50 minút, je nepravdepodobné, že by teplota v miestnostiach v takom krátkom časovom období klesla, ale postačí ohriata voda.
Potrebuje kotol expanznú nádrž?
Nepriamy kotol obsahuje veľký objem vody, ktorá sa v dôsledku zahrievania rozširuje. Aby sa kompenzoval nárast objemu, musí byť do systému vyrezaná expanzná nádrž. V opačnom prípade bude „prebytočná“ voda vypustená cez pretlakový poistný ventil. Veľkosť expanznej nádrže sa volí v pomere 10-12% objemu kotla. Expanzné nádoby pre vykurovacie systémy nesmú byť umiestnené na horúcu vodu. Líšia sa vo výkone a veľmi rýchlo zlyhajú..
Ako si vybrať kotol na nepriame vykurovanie
V zásade je výber BKN veľmi podobný výberu konvenčného skladovacieho kotla. ale stručne zrekapitulujte hlavné body.
Hlasitosť je úplne prvá vec, ktorú si vyberiete. Zjednodušime si úlohu: v priemere 1 člen rodiny by mal mať 40-80 litrov vody. S výberom modelu vhodnej kapacity nebudú žiadne problémy. Dnes sú na trhu kotlov na nepriame vykurovanie predstavené modely s objemom 200 l až 1500 l..
Prietok vody vykurovacím okruhom – túto charakteristiku si pozrite z technického listu modelu.
Hodnota tejto charakteristiky by nemala byť väčšia ako 40% z celkového objemu vody, ktorá prechádza vykurovacím kotlom..
Materiál nádrže a tepelná izolácia – viete, najlepšou voľbou pre nádrž je nehrdzavejúca oceľ. Ako izoláciu je lepšie zvoliť polyuretánovú penu alebo minerálnu vlnu – majú najlepšie tepelnoizolačné vlastnosti..
Odborníci neodporúčajú vyberať modely s penovou izoláciou. Veľmi dobre neudržiava teplo.
Výpočet objemu skladovacej nádrže
Na približný výpočet objemu akumulačnej nádrže môžete použiť jednoduché odčítanie vodomeru. Keď do domu neustále prichádza rovnaký počet ľudí, denná spotreba bude mať rovnaké údaje..
Presnejší výpočet objemu je založený na spočítaní bodov vody s prihliadnutím na ich účel a počet žijúcich členov rodiny. Aby sme neprešli do zložitých vzorcov, spotrebu teplej vody odoberáme z tabuľky..
Schémy pripojenia k vykurovaciemu systému
Pri výbere schémy pripojenia pre nepriamy kotol na ohrev vody vezmite do úvahy umiestnenie zariadenia v dome, ako aj vlastnosti zapojenia vykurovacieho systému.
Jednoduchá a často používaná schéma je založená na pripojení nepriameho zariadenia cez trojcestný ventil. V dôsledku toho sa vytvoria dva vykurovacie okruhy: vykurovanie a teplá voda. Za kotlom sa pred ventil rozreže obehové čerpadlo.
Ak je dopyt po teplej vode malý, je vhodný systém s dvoma čerpadlami. Nepriamy ohrievač vody a kotol tvoria dva paralelné vykurovacie okruhy. Každý riadok má svoje vlastné čerpadlo. Schéma je vhodná pre vidiecke domy, kde sa zriedka používa teplá voda.
Schéma pripojenia je komplikovanejšia, ak je v dome nainštalovaný systém “teplá podlaha” spolu s radiátormi. Na distribúciu tlaku pozdĺž všetkých potrubí a spolu s nepriamym kotlom budú tri z nich, je nainštalovaný hydraulický rozdeľovač. Jednotka normalizuje cirkuláciu vody cez „teplú podlahu“, ohrievač vody a radiátory. Čerpacie zariadenie bez distribútora zlyhá.
Pri spotrebičoch na nepriamy ohrev vody s recirkuláciou vychádzajú z tela tri odbočné potrubia. Na pripojenie k vykurovaciemu systému sa tradične používajú dva výstupy. Z tretieho odbočného potrubia vedie slučková slučka.
Ak zariadenie na nepriame ohrev vody nemá tretiu odbočku a je potrebné vykonať recirkuláciu, potom je okruh spätného potrubia pripojený k potrubiu studenej vody a recirkulačné čerpadlo je dodatočne zapnuté.
Recirkulácia vám umožňuje získať horúcu vodu na výstupe z kohútika ešte predtým, ako sa kvapalina v akumulačnej nádrži kotla úplne zahreje.
Výkon výmenníka tepla
Tento parameter sa vyberá na základe toho, či bude vykurovací systém pripojený k tomuto zariadeniu, koľko ľudí žije v rodine. Voľba výkonu zariadenia závisí aj od plochy domu a od počtu miest príjmu vody.
Dôležité vlastnosti
Okrem výberu geometrických a tepelných charakteristík BKN je potrebné vziať do úvahy mnoho parametrov, aby bola tepelná schéma na pripojenie nepriameho vykurovacieho kotla k plynovému kotlu čo najefektívnejšia..
Na to musí používateľ splniť určité podmienky:
Kritériá pre bezchybnú inštaláciu zariadenia
Medzi hlavné body inštalácie, na ktoré by sme sa mali zamerať, aby sme neurobili chyby, je zhoda priemerov potrubí s ohľadom na vstupné armatúry, ako aj prierez kábla, ktorý napája elektrický ohrievač kotol..
Priemer prívodných potrubí musí zaisťovať voľný tok vody pozdĺž vstupných / výstupných potrubí. Preto je stále prípustný väčší priemer hadíc s prechodom na veľkosť armatúr, ale prierez potrubí menší ako vstupné potrubia kotla je už považovaný za hrubú chybu.
Živý príklad vybavenia inštalácie kotla elektrickým vykurovaním všetkým potrebným príslušenstvom. Tu je potrebné poznamenať, že izolácia všetkých prichádzajúcich a odchádzajúcich vedení je vysoko kvalitná (bez chýb).
Na priereze napájacieho kábla je obrázok podobný. Nie je zakázané používať kábel väčšieho prierezu a kábel menšieho prierezu je prísne zakázaný..
Je pravda, že kábel s prierezom zvýšeným oproti norme spôsobuje problémy pri kladení do kanálov a zaberá viac voľného miesta. Tu sa zdá logické byť presné v závislosti od zaťažovacieho prúdu.
Zásuvka je obvykle namontovaná priamo na zariadení. Výška montáže zásuvky od úrovne podlahy nie je menšia ako 1,5 m. Domáce kotly sú určené na napájanie jednofázovým striedavým prúdom 220-250 W. Aktuálne zaťaženie spravidla nie je menšie ako 10 A..
Pripojenie kotlového systému podľa elektrickej schémy. Túto verziu spojení je možné považovať za vytvorenú bez chyby. Prierez vodiča zodpovedá prierezu uvedenému v dokumentácii, je prítomný uzemňovací obvod
Presná hodnota je určená výkonom ohrievača a je uvedená v technickej dokumentácii. Práve pre uvedenú hodnotu prúdu je potrebné vybrať istič.
Pre prietokové ohrievače (tabuľka) sú napríklad relevantné nasledujúce súčasné normy prerušenia pre automatické stroje:
V návode na kotol sú spravidla stanovené všetky požadované parametre pripojení. Používateľská príručka vysvetľuje presne všetky body inštalácie. Dokumenty, ktoré sú súčasťou balenia zariadenia, sa preto odporúča pred inštaláciou starostlivo preštudovať..
Prečo inštalovať malé ohrievače vody
Existuje niekoľko dôvodov pre inštaláciu takéhoto zariadenia, výber vhodného modelu do značnej miery závisí od nich..
Významné vlastnosti a vybavenie
Elektrické ohrievače sú rozdelené na prietokové a akumulačné. Na dodávku teplej vody sa často používajú prietokové modely, na vykurovanie je potrebný akumulačný kotol (kotol).
S kotlom na viactarifové platby za energie môžete ušetriť: väčšinou bude kotol fungovať v nočnej zóne, keď je elektrina lacnejšia.
Odborníci odporúčajú vypočítať objem pohonu na základe pomeru 25 litrov na kilowatt výkonu. Základná požiadavka na kotol: dobrá tepelná izolácia stien.
Požadovaný výkon kotla sa vypočíta ako 1 kilowatt na desať metrov plochy plus korekčný faktor.
V regiónoch s miernym podnebím stačí pridať 15 percent k vypočítanej kapacite, v severných oblastiach – zvýšiť ho o jeden a pol až dvakrát. V prípade dvojokruhového kotla pripočítajte k výslednej hodnote najmenej štvrtinu na TÚV.
Vykurovacie teleso, bez ohľadu na jeho typ, je umiestnené v nádrži výmenníka tepla. Samotná nádrž je vybavená dýzami na pripojenie prívodného potrubia a spiatočky.
Medzi ovládacie zariadenia nevyhnutne patrí:
Ovládanie výkonu je možné stupňovité a plynulé (ak je v riadiacom systéme zabudovaný reostat).
Vysoko kvalitný importovaný model je spravidla vybavený ďalšími funkciami: plynulé spustenie, displej z tekutých kryštálov, možnosť naprogramovať nastavenia.
Ako zvoliť veľkosť kotla pre drez
Na inštaláciu pod drez je vhodný ako malokapacitný zásobníkový ohrievač vody, napríklad séria Thermex Hit na 10 alebo 15 litrov, tak aj zariadenie s prietokovým princípom činnosti. V prípade inštalácie druhej možnosti bude samozrejme viac voľného miesta, ale nie každá kabeláž môže odolať svojmu silnému vykurovaciemu prvku a použitie takéhoto zariadenia bude mať väčší vplyv na účty za elektrinu..
Pokiaľ ide o kotly, ktoré je možné nainštalovať pod umývadlo, líšia sa objemom zásobníka vody..
Ak to znamená aktívne používanie ohrievača vody pre veľký počet ľudí a neexistuje spôsob, ako nainštalovať kapacitné zariadenie, potom je lepšie nainštalovať prietokovú verziu pod umývadlo. Dokáže ohriať vodu v požadovanom objeme bez obmedzení. V tomto prípade by však malo byť zrejmé, že spotreba elektrickej energie sa môže niekoľkokrát zvýšiť. Všetko závisí od toho, ako efektívne sa bude používať..
Výrobcovia drezových ohrievačov vody
Pri nákupe sa odporúča venovať pozornosť krajine pôvodu. Čínska výroba sa spravidla javí ako najekonomickejšia, ale po krátkom čase bude potrebná výmena hlavných častí, čo povedie k dodatočným nákladom. Medzi tieto firmy patria výrobcovia Polaris, Ballu. Práve tieto ekonomické možnosti sú však dnes najžiadanejšie. Spoľahlivejšie sú modely nemeckej, švajčiarskej alebo domácej výroby, napríklad Thermex, Electrolux, AEG, Gorenje.
Rada:
Schémy a funkcie pripojenia
Pre pripojenie nepriameho vykurovacieho kotla existujú dva princípy: s prioritou ohrevu teplej vody a bez nej. Pri prioritnom ohreve sa v prípade potreby čerpá celé vykurovacie médium cez výmenník tepla kotla. Zahrievanie trvá trochu času. Akonáhle teplota dosiahne nastavenú (riadenú snímačom, termostatickým ventilom alebo termostatom), všetok prietok je opäť smerovaný do radiátorov.
V schémach bez priority ohrevu vody je iba určitá časť toku chladiacej kvapaliny smerovaná na nepriamy ohrev vody. To vedie k tomu, že voda sa dlho ohrieva..
Pri pripájaní kotla na nepriame vykurovanie je lepšie zvoliť schému s prioritou – poskytuje teplú vodu v požadovanom množstve. Vykurovanie zároveň veľmi netrpí-20-40 minút zvyčajne stačí na zahriatie celého objemu vody a 3-8 minút na udržanie teploty na prietoku vo všeobecnosti. Za taký čas nemôže žiadny dom dostatočne vychladnúť, aby to cítil. Je to však za predpokladu, že kapacita kotla je porovnateľná s kapacitou kotla. V ideálnom prípade je kotol účinnejší s rezervou 25-30%.
Všeobecné pravidlá
Aby bola zaistená normálna prevádzka všetkých zariadení pripojených k teplovodnej koľajnici, je na výstupe z kotla (nie na vykurovanie) inštalovaná expanzná nádoba na teplú vodu. Jeho objem je 10% objemu nádrže. Je potrebná na neutralizáciu tepelnej rozťažnosti..
Podrobný diagram potrubia nepriameho vykurovacieho ohrievača vody
V každej vetve spojenia sú tiež nainštalované uzatváracie ventily (guľové ventily). Sú potrebné na to, aby bolo možné použiť každé zariadenie – trojcestný ventil, obehové čerpadlo atď. – v prípade potreby odpojte a vykonajte servis.
Na prívodných potrubiach sú spravidla inštalované aj spätné ventily. Sú nevyhnutné na vylúčenie možnosti protiprúdu. V tomto prípade bude pripojenie nepriameho vykurovacieho kotla bezpečné a ľahko sa udržiava..
Inštalácia vedľa kotla v systéme s núteným obehom (s 3-cestným ventilom)
Ak v systéme už je obehové čerpadlo a je nainštalované na prívode a kotol s núteným ohrevom je možné umiestniť vedľa kotla, je lepšie zorganizovať samostatný okruh, ktorý prechádza z vykurovacieho kotla. Toto pripojenie kotla na nepriame vykurovanie sa realizuje s väčšinou nástenných plynových alebo iných kotlov, v ktorých je na prívodnom potrubí nainštalované obehové čerpadlo. Pri tejto schéme pripojenia sa ukazuje, že ohrievač vody a vykurovací systém sú zapojené paralelne..
Ak je v prietokovom potrubí čerpadlo a ohrievač vody umiestnený vedľa kotla
Pri tomto spôsobe potrubia je za obehovým čerpadlom nainštalovaný trojcestný ventil ovládaný snímačom teploty (inštalovaným na kotle). Jeden z výstupov trojcestného ventilu je pripojený na odbočné potrubie kotla na pripojenie vykurovania. Pred vstupom do kotla je do spätného potrubia vyrezané odpalisko, do ktorého je pripojené odbočné potrubie na vypúšťanie vody z výmenníka tepla. V skutočnosti je zapojenie do vykurovacieho systému ukončené..
Postup pre túto schému je nasledujúci:
Čo robiť, ak je potrebná recirkulácia?
Často nastáva situácia, keď je v kúpeľni vyhrievaný vešiak na uteráky, cez ktorý musí voda neustále cirkulovať. Do tohto procesu môže byť zapojený kotol aj kotol..
V tomto prípade bude ohrievaná voda nepretržite cirkulovať v uzavretom kruhu pomocou čerpadla. Výhodou takejto schémy je, že voda z kohútika bude tiecť okamžite horúca (nemusíte ju vypúšťať).
Existuje však aj nevýhoda: spotreba paliva sa počas recirkulácie zvyšuje. Pohybom po vyhrievanom vešiaku na uteráky sa voda rýchlo ochladí, kotol bude musieť byť častejšie „rozptyľovaný“ prívodom teplej vody a súčasne spotrebovávať ďalšie palivo. Toto bude obzvlášť cítiť v schémach, kde sú zapojené kotly na tuhé palivá a kotly na nepriame vykurovanie..
Ale ani tento moment mnohých neodradí od používania tejto metódy. Počas recirkulácie sa vodné vrstvy zmiešajú a celková teplota ohrevu vody v okruhu TÚV klesá. V normálnom režime sa najskôr použije horná vrstva vody v nádrži a je teplejšia. Ale uteráky budú vždy suché..
Ako sa vyhnúť týmto nedostatkom? Existujú už špeciálne modely kotlov s nepriamym ohrevom vody s recirkuláciou. Vyhrievaná vešiak na uteráky je pripojená k rúrkam na to určeným na kotle. Zariadenia sú oveľa drahšie ako podobné možnosti pre ohrievače vody s rovnakým objemom, iba bez recirkulačného systému.
Pokyny na inštaláciu recirkulácie
Často sa stáva, že vodovodné armatúry sú umiestnené v dome v značnej vzdialenosti od kotla alebo v horných poschodiach. V tomto prípade majitelia budovy na získanie horúcej vody spravidla musia počkať, kým stagnujúci a chladený v potrubí odtečie z kohútikov v kúpeľniach. A to je samozrejme nepohodlné a nie obzvlášť ekonomické..
Túto situáciu je možné napraviť zostavením recirkulačného systému vo vidieckom dome. Inštalácia takejto siete je približne nasledovná:
Pri použití takejto schémy voda v potrubiach medzi kotlom a spotrebiteľom po zapnutí čerpadla do elektrickej siete nebude stagnovať a podľa toho sa ochladí. To znamená, že obyvatelia domu budú môcť použiť horúcu vodu bezprostredne po odskrutkovaní kohútikov..
Užitočné vlastnosti
Objem zariadenia sa môže líšiť od 30 do 1500 litrov, závisí to od jeho účelu. Jednotky s objemom až 200 litrov sa vyrábajú nástenné, viac-stojace. 200 litrový kotol spravidla postačuje na splnenie potrieb teplej vody v jednej rodine. Účinnosť tohto zariadenia je vysoká a je asi 90%.
Moderné modely sú vybavené ďalšími elektrickými prvkami, vykurovacími prvkami alebo majú schopnosť ich pripojiť. To im umožňuje používať ich ako dodatočný zdroj ohrevu vody a počas horúcich mesiacov kotol vypnúť, čo výrazne zvyšuje životnosť kotla..
Schéma s dvoma obehovými čerpadlami
Pri inštalácii ohrievača vody do systému v obehovom čerpadle, ale nie vedľa neho, ale v určitej vzdialenosti, je lepšie nainštalovať obehové čerpadlo do okruhu na ohrievači vody. Pripojenie nepriameho vykurovacieho kotla je v tomto prípade znázornené na obrázku nižšie..
Schéma zapojenia kotla s automatickým ovládaním
Cirkulačné čerpadlo môže byť inštalované buď na prívodnom potrubí, alebo na opačnom konci. V tejto schéme nie je trojcestný ventil, obvod je pripojený prostredníctvom bežných odpalísk. Prepínanie toku chladiacej kvapaliny sa vykonáva zapnutím / vypnutím čerpadiel a je ovládané teplotným snímačom, ktorý má dva páry kontaktov.
Ak je voda v nádrži chladnejšia než voda nastavená na snímači, zapne sa výkonový obvod obehového čerpadla v okruhu kotla. Po dosiahnutí stanoveného stupňa zahrievania sú kontakty čerpadla zatvorené, čo poháňa chladiacu kvapalinu do vykurovacieho systému.
Schéma energeticky nezávislého kotla
V schéme s neprchavým kotlom je na zaistenie priority kotla žiaduce, aby bol vyšší ako radiátory. To znamená, že v tomto prípade je inštalácia stenových modelov žiaduca. V ideálnom prípade je spodok nepriameho ohrievača vody nad kotlom a radiátormi. Takéto usporiadanie však nie je vždy možné..
Okruhy budú fungovať aj vtedy, keď je kotol umiestnený na podlahe, ale voda sa bude ohrievať pomalšie a v spodnej časti nebude dostatočne horúca. Jeho teplota bude porovnateľná so stupňom zahrievania vratného potrubia, to znamená, že dodávka teplej vody bude menšia.
Pri neprchavom zahrievaní dochádza k pohybu chladiacej kvapaliny v dôsledku gravitačnej sily. V zásade je možné pripojiť nepriamy vykurovací kotol podľa tradičnej schémy – s obehovým čerpadlom v okruhu na jeho vykurovanie. Jednoducho v tomto prípade, keď je elektrina vypnutá, nebude teplá voda. Ak nie ste s týmto obratom spokojní, existuje niekoľko schém, ktoré budú fungovať s gravitačnými systémami..
Schéma pripojenia nepriameho ohrievača vody na gravitačný systém
Pri implementácii tejto schémy je okruh, ktorý prechádza do ohrievača vody, vyrobený s rúrkou s priemerom o 1 stupeň väčším ako je vykurovací. Práve to dáva prednosť.
V tejto schéme je po odbočke do vykurovacieho systému nainštalovaná termostatická hlavica s upínacím senzorom. Funguje na batérie a nevyžaduje externé napájanie. Na regulátore termostatu je nastavená požadovaná teplota ohrevu vody (nie vyššia ako teplota na napájaní kotla). Kým je voda v nádrži studená, termostat otvorí prívod do kotla, prietok chladiacej kvapaliny ide hlavne do kotla. Pri zahriatí na požadovaný stupeň je chladiaca kvapalina presmerovaná do vykurovacej vetvy.
Uzavretý typ s prirodzenou cirkuláciou
Tiež pomerne jednoduchá schéma potrubia s malým počtom spotrebičov tepla. Schéma je veľmi podobná otvorenému typu. Vyznačuje sa zahrnutím uzavretej expanznej nádrže s membránou, ktorá je inštalovaná na vratnom potrubí. Nezabudnite tiež na skupinu zabezpečenia. Niektoré modely sú ním už vybavené vo výrobe.
Pri viazaní vykurovacieho kotla na polypropylén je tu niekoľko dôležitých bodov. Odbočka z generátora tepla do bezpečnostnej skupiny je vyrobená z kovu, potom je položená z polypropylénu. Časť spätného potrubia s nainštalovaným trojcestným ventilom a snímačom je tiež kovová. Polypropylén má nízku tepelnú vodivosť. Ak je na ňom nainštalovaný trojcestný ventil, bude reagovať oneskorene na zvýšenie teploty a senzor poskytne informácie nesprávne..
Otvorený okruh
Existuje niekoľko spôsobov, ako pripútať zdroj tepla. Najbežnejšou je schéma pripojenia kotla na tuhé palivá k vykurovaciemu systému otvoreného typu. Medzi výhody takéhoto páskovania patrí:
Medzi nevýhody patrí zložitosť regulácie teploty chladiacej kvapaliny. Vnikanie kyslíka do systému cez otvorenú expanznú nádobu vedie k korózii vnútorného povrchu potrubí.
Aby sa obmedzil prienik kyslíka do expanznej nádrže, musí sa pridať olejová kvapalina, aby sa po celej ploche chladiacej kvapaliny vytvoril film.
Pripojenie na nástenný jednokruhový kotol
Nástenné plynové kotly sú spravidla vybavené vstavaným obehovým čerpadlom a ventilom, ktorý je zodpovedný za prepínanie medzi vykurovaním a vykurovacím okruhom kotla. V tomto prípade nie je potrebná dodatočná inštalácia obehového čerpadla alebo trojcestného ventilu. Stačí pripojiť 2 potrubia – prívod a spiatočku, zakúpiť teplotný snímač pre kotol a používať plnohodnotný systém.
Príklad pripojenia kotla na nepriame vykurovanie na kotol Buderus Logamax U072. Všetky pripojenia sú bližšie k stene za kotlom.
Nosič tepla je dodávaný do hornej časti výmenníka tepla z kotla, prechádza cievkou a vracia sa potrubím do kotla. Tento princíp pripojenia kotla k nepriamo vykurovaciemu kotlu sa používa na zabezpečenie toho, aby pri vstupe vody do nádrže. Najprv sa začalo ohrievať relatívne studenou časťou výmenníka tepla a potom ohrievačom.
Schéma potrubia pre kotol na nepriame vykurovanie s nástenným jednokruhovým kotlom
Medzi dvoma systémami na prívode a na spiatočke musia byť uzatváracie ventily. Guľové ventily sú inštalované v blízkosti kotla alebo na vstupe a výstupe, priamo na ohrievač vody. Kotol je pripojený pomocou rýchleho konektora. Toto pripojenie slúži na jednoduchú údržbu alebo výmenu kotla v prípade potreby..
Ak je guľový ventil namontovaný v blízkosti kotla na vstupe a výstupe, potom sú medzi ventil a ohrievač vody nainštalované odnímateľné spojenia. Nástenné jednokruhové kotly sú napojené na nepriamy vykurovací kotol podľa rôznych schém-ak je k dispozícii iba jeden výstup, napríklad napájanie, potom je možné návratnosť zdieľať s vykurovacím systémom. Existujú 2 východy, a to ako pre dodávku, tak aj pre návrat. Niektoré elektrické kotly a plynové kotly nemajú vývod na potrubie kotla na nepriame vykurovanie. V takom prípade je potrebné zakúpiť súpravu na pripojenie kotla. Sada však musí obsahovať ventil a servomotor, ktoré by sa mali použiť na pripojenie k automatizácii kotla.
Vyzerá to ako príklad plynového kotla Baxi Ecofour:
Pripojenie k podlahovému jednokruhovému kotlu
Pripojenie k jednokruhovému kotlu prvého typu sa v zásade nelíši od druhého. Majú tiež prietok a spiatočku – tok je privádzaný zhora a spiatočka sa vracia zospodu. Jedinou výhradou je, že v hornej časti sa môže vytvoriť vzduchový uzáver. Aby sa tomu zabránilo, musí byť nainštalovaný automatický odvzdušňovací ventil..
Ako pripojiť kotol na nepriame vykurovanie k podlahovému kotlu? Podlahové kotly nemajú vstavané čerpadlo a trojcestný ventil, preto je potrebné dodatočne nainštalovať buď trojcestný ventil, alebo obehové čerpadlo. Pozrime sa podrobnejšie na diagram, ako viazať kotol na podlahový kotol s obehovým čerpadlom.
Návrat z kotla spájame priamo s podlahovým plynovým kotlom pomocou odpalísk. Na spätné vedenie alebo na prívod inštalujeme obehové čerpadlo. Nezabudnite na uzatváracie ventily – namontujeme guľový ventil pred a za čerpadlo, ako aj filter a spätný ventil. Pri pripájaní kotla inštalujeme odpojiteľné spojenia: guľový ventil inštalujeme iba na spätné potrubie, pretože guľový ventil je už nainštalovaný v blízkosti čerpadla na prívode. Pri tejto schéme pripojenia je čerpadlo riadené automatizáciou kotla – zapína a vypína sa v závislosti od toho, kedy je potrebné vykurovať kotol..
Pripojenie pomocou rozdeľovača alebo hydraulickej šípky
Pri druhej možnosti pripojenia je za hydraulickou šípkou zapojený prívod a spiatočka z kotla s vlastným samostatným čerpadlom. Po hydraulickej šípke je obvykle nainštalované kolektorové vedenie s vlastnými samostatnými čerpadlami, napríklad na vykurovaný podlahový okruh, na radiátorový okruh a je tam spojený vykurovací okruh kotla s vlastným samostatným čerpadlom. V tomto prípade bude potrebná ďalšia automatizácia, ktorá bude ovládať kotol a všetky čerpadlá, ktoré sú v tejto schéme prítomné..
Táto schéma pripojenia je vhodná pre veľké domy dvoch až troch úrovní. Z kotla ide napájanie do kolektora a tam je už distribuované na vykurovanie každého poschodia a do kotla na nepriame vykurovanie.
Zostáva vyriešiť iba jeden problém – pochopiť, kedy je potrebné ohriať nádrž. Za týmto účelom namontujte termostat s ponornou žiarovkou a pripojte ho k obehovému čerpadlu. Keď sa kotol ochladí, termostat signalizuje zapnutie čerpadla a naopak.
Prirodzene existujú aj ďalšie možnosti pripojenia kotla a kotla, ale hovorili sme o najbežnejších schémach pre dnešok.
Pripojenie hydraulického akumulátora
Zvážte pripojenie kotla podľa schémy dodávky teplej vody – ako nástenný plynový kotol pripojený k kotlu sa výmenník tepla zahrieva. Studená voda, stúpajúca potrubím, prechádza hrubým filtrom a potom ide pozdĺž steny, priamo do kotla. Pred pripojením potrubia studenej vody k kotlu je potrebné nainštalovať guľový ventil s odnímateľným pripojením, ktorý musí smerovať k nádrži. Potom by ste mali nainštalovať bezpečnostný spätný ventil, takzvaný dva v jednom. Potom nainštalujte odpalisko pre pripojenie hydraulického akumulátora (expanzná nádrž) a až potom pripojte potrubie studenej vody k kotlu..
Pri pripájaní studenej vody musíte presne dodržať vyššie uvedenú postupnosť:
Je vhodné vykonať také páskovanie pri vchode, to znamená vedľa kotla. Bezpečnostný spätný ventil pre kotol sa spravidla dodáva s ohrievačom vody. Ak nie je súčasťou súpravy alebo sa stratil, musíte si ju kúpiť. Poistný spätný ventil si môžete kúpiť hotový alebo samostatne, to znamená samostatný poistný ventil a samostatný spätný ventil a spojiť ich dohromady. Studená voda po guľovom ventile musí prechádzať spätným ventilom a potom cez poistný ventil a ísť do rozšírenej nádrže.
Pred kúpou bezpečnostného spätného ventilu sa musíte pozrieť do pasu kotla, aký tlak by mal fungovať. Do kotla sme teda dodávali studenú vodu, pretože sme všetko správne uviazali. Na výstup horúcej vody nám stačí nainštalovať guľový ventil s odpojiteľným pripojením, ktorý musí byť inštalovaný medzi kohútikom a kotlom. V prípade potreby je možné nainštalovať expanznú nádobu pre kotol a na výstup horúcej vody medzi kohútik a kotol je nainštalované odpalisko a je pripojená expanzná nádrž. Nádrže sú univerzálne, na prívod teplej alebo studenej vody, alebo len na prívod teplej vody. Hlavná vec je, že teplota vody funguje – až +70 stupňov.
Expanzné nádoby, ktoré sa používajú na vykurovanie, nie sú vhodné na dodávku teplej vody. Expanzné nádrže pre systémy TÚV sa vyberajú v závislosti od kapacity kotla. Spravidla nie menej ako 10% z celkového objemu.
Odporúča sa vybrať akumulátory s malou rezervou:
Pripojenie niekoľkých kotlov do jedného systému
V regiónoch, kde sú nestabilné dodávky plynu alebo elektriny, sa uchýlia k inštalácii dvoch kotlov, napríklad na tuhé palivo a plyn. Tieto dve jednotky môžu fungovať rôznymi spôsobmi:
Ako pripojiť podlahové vykurovanie?
Kotol s výkonom 3 kW je možné prispôsobiť vykurovaciemu systému „teplá podlaha“. Vykurovať bude môcť plochu 30 m2. Optimálna teplota podlahy je 24 ° C. Na dosiahnutie tohto režimu je potrebná chladiaca kvapalina s teplotou asi 40 ° C..
Na podlahové vykurovanie budete potrebovať ohrievač vody s vývodmi pre teplé a studené okruhy. Optimálny priemer trysiek je 26 mm. K nim sú pripojené kovové rúrky, ktoré odvádzajú chladiacu kvapalinu do vykurovacieho systému..
V ohrievači vody na podlahové vykurovanie chladiaca kvapalina dosiahne určitú teplotu a je vypúšťaná dýzou do horúceho okruhu. Voda vstupuje do hlavného potrubia pod tlakom. Hlavu zabezpečuje obehové čerpadlo.
Tekutina prúdi potrubím do podlahového okruhu. Chladená voda prúdi cez kolektor do vratného potrubia. Ak teplota chladiacej kvapaliny prekročí stanovenú normu, automatizácia na trojcestnom ventile uzavrie prístup k horúcej vode a otvorí výstup pre chladenú chladiacu kvapalinu; sú kombinované v zmiešavacej komore.
Teplota teplej vody postupne klesá. Keď sa chladiaca kvapalina ochladí, tepelná hlava zablokuje prístup chladenej kvapaliny a voda z kotla opäť vstúpi do systému..
Na ohrievači vody podlahového vykurovania a na kolektore sú nainštalované samostatné automatické zariadenia, ktoré regulujú teplotu vody. Tepelná hlava na rozdeľovači riadi činnosť tekutinového okruhu na podlahe. Termostat na kotle reguluje ohrev vody v kotle.
Odporúčame nákup akumulačných kotlov týchto značiek: Ariston, Timberk, Zanussi, Gorenje. Pre vybavenie nie je potrebné ísť do Moskvy. Ohrievače vody sa nakupujú prostredníctvom online obchodných platforiem v obchodoch s vykurovacími zariadeniami.
Vyberte si kotly s možnosťou pripojenia vedenia pre teplú podlahu alebo pre radiátorový vykurovací systém.
Inštalácia s elektrickou alebo plynovou jednotkou
Do jedného vykurovacieho systému je možné nainštalovať dva generátory tepla, z ktorých hlavným je jednotka na tuhé palivá a ďalším je plynový alebo elektrický kotol. Táto možnosť je výhodná, pretože v noci môžete zapnúť kotol, ktorý pracuje v automatickom režime. Plyn vo valcoch je nepohodlné používať ako hlavný nosič energie z dôvodu potreby starať sa o pravidelné dodávky paliva. Elektrická energia je najdrahším zdrojom energie a je najziskovejšie prevádzkovať takúto kotolňu iba v noci, ak má región systém lacných nočných taríf.
Ako pripojiť kotly na tuhé palivá a plyn do jedného systému na vykurovanie veľkého domu? Najjednoduchšou možnosťou je prepojiť dva generátory tepla paralelne prostredníctvom tepelného akumulátora, ktorý bude navyše fungovať ako zberač s nízkymi stratami.
Plynový kotol pracuje v pohotovostnom režime, zatiaľ čo voda v vyrovnávacej nádrži je ohrievaná jednotkou na tuhé palivo. Po vyhorení paliva sa chladiaca kvapalina začne ochladzovať a akonáhle snímač teploty vyšle príslušný signál do ovládača plynovej jednotky, automaticky sa zapne. Keď sa generátor tepla na tuhé palivo opäť spustí, dôjde k opačnému procesu – zahriatie chladiacej kvapaliny nad určitú teplotu povedie k vypnutiu plynového horáka.
Systém s elektrickým kotlom vo veľkých domoch je namontovaný podľa podobného princípu. Ale pre malé súkromné domy je relevantná jednoduchšia a lacnejšia možnosť pripojenia TT a elektrického kotla (pozri diagram).
Schéma zapojenia kotla na tuhé palivo a elektrického kotla
Kotlové jednotky sú zapojené paralelne s inštaláciou spätných ventilov na každom výstupe. Elektrický kotol je vybavený vstavaným obehovým čerpadlom, ktoré sa nedá vypnúť, preto je pre generátor tepla na tuhé palivo potrebné zvoliť výkonnejšie čerpadlo, aby mal kotol TT výhodu oproti elektrickému, keď pracovať spolu.
Systém je doplnený:
Metóda primárneho a sekundárneho prstenca
Ako prepojiť dva kotly do jedného systému pomocou minimálneho množstva elektroniky? Aplikácia metódy primárnych a sekundárnych cirkulačných krúžkov umožňuje vykonávať spoločné potrubie jednotky TT a elektrického kotla. Hydraulické oddelenie tokov sa vykonáva bez inštalácie hydraulického spínača.
Možnosť pripojenia dvoch typov kotlov k jednému vykurovaciemu systému
Oba kotly, kotol TÚV, ako aj všetky vykurovacie okruhy sú prepojené prívodným a vratným potrubím k jednému obehovému prstencu – sú to primárne. Minimálny pokles tlaku je zaistený malou vzdialenosťou medzi každým párom pripojení (nie viac ako 300 mm). Hlava čerpadla inštalovaná v hlavnom okruhu zaisťuje pohyb chladiacej kvapaliny pozdĺž primárneho prstenca, pričom prietok nie je ovplyvnený čerpadlami sekundárnych obvodov (ku ktorým sú pripojené spotrebiče tepla).
Aby systém správne fungoval, je potrebné vykonať komplexné hydraulické výpočty a zvoliť optimálny priemer potrubia pre všetky okruhy.
Je tiež dôležité vypočítať výkon čerpadla. Skutočný výkon čerpacej jednotky v hlavnom okruhu musí prekročiť prietok chladiacej kvapaliny v „najobjemnejšom“ sekundárnom okruhu
Fázy viazania
Najprv sa nakreslí schéma inštalácie s prihliadnutím na rozmery miestnosti a vybrané miesta pre všetky zariadenia. Potom sa označia a vyvŕtajú otvory pre vykurovací kotol a kotol. Ak sú zariadenia umiestnené na zemi, odporúča sa pre ne vytvoriť malý základ podľa veľkosti priestorov..
Ďalej, podľa rozmerov, sú propylénové rúrky narezané a navzájom spojené pomocou T -kusov pomocou spájkovačky. Namontujú sa čerpadlá, kohútiky, filtre a všetko sa spojí do jedného systému. Ak máte ďalšie okruhy, napríklad na horúcej podlahe, je nainštalovaný kolektor, ktorý rovnomerne rozdeľuje prietoky chladiacej kvapaliny.
Schéma zapojenia dvojokruhového kotla
Vyžaduje sa expanzná nádrž a bezpečnostný komplex. Pri inštalácii bezpečnostnej skupiny by ste mali vziať na vedomie, že ak funguje, bude z nej prúdiť voda. Pri expanzii preteká prebytočné množstvo chladiacej kvapaliny do expanznej nádrže.
Po všetkých pripojeniach sa spustí voda do systému a skontrolujú sa všetky pripojenia. Ak nie sú žiadne netesnosti, kotol sa spustí a skontroluje sa rýchlosť ohrevu batérií..
Páskovanie s hydraulickým výložníkom
Toto pripojenie sa používa pre volumetrické kotly (200 l alebo viac) a rozvetvené vykurovacie systémy s mnohými ďalšími obvodmi. Príkladom je vykurovací systém v dvojposchodovom dome, kde sa okrem viac okruhovej siete radiátorov používajú aj vyhrievané podlahy..
Na zjednodušenie rozloženia vykurovacieho systému a zabránenie inštalácii recirkulačných čerpadiel na každú vykurovaciu vetvu je potrebný hydraulický rozdeľovač (hydraulická šípka).
Vybavenie hydraulickej šípky vám umožňuje vyhnúť sa tepelným šokom, pretože tlak vody v každom okruhu bude rovnaký. Podľa tejto schémy je veľmi ťažké vyrobiť pásku sami, takže je lepšie kontaktovať profesionálnych inštalatérov.
Trojcestný ventil a servo
Táto metóda sa používa pri potrubí jednokruhového kotla a kotla. Vhodný pre nástenné aj podlahové spotrebiče.
Servopohon v tomto obvode slúži len na ovládanie činnosti ventilu. Táto kontrola prebieha pomocou termostatu samotného kotla. Hneď je potrebné poznamenať, že na použitie tejto konkrétnej schémy je potrebné obehové čerpadlo a expanzná nádrž. Čerpadlo slúži na prenos chladenej vody z potrubia TÚV do ohrievača vody. Preto horúca voda bude prúdiť okamžite, stojí za to otočiť kohútikovým ventilom.
Expanzná nádoba na ohrievač vody sa nesmie používať na vykurovací systém. Je to všetko o teplotnom rozdiele pracovnej tekutiny. Nádrž môže „vydržať“ vodu iba s teplotou do 70 ° C, zatiaľ čo vykurovací systém môže používať technickú kvapalinu, ktorej teplota môže dosiahnuť 120 ° C.
Podstata metódy. dominancia v dvojici bojler-ohrievač vody jednoznačne patrí kotlu. Termostat teda ovláda ventil. Keď príde signál z termostatu, trojcestný ventil presmeruje prietoky kvapaliny buď do vykurovacieho systému, alebo do TÚV.
Napríklad, ak sa kvapalina v kotle ochladila, ventil “pošle” kvapalinu do cievky ohrievača vody, aby sa zahrial. Po dokončení tejto úlohy je chladiaca kvapalina presmerovaná späť do vykurovacieho systému..
Ak je vo vašej oblasti veľmi „tvrdá“ voda, odporúčame vám použiť iba jednokruhový kotol + kotol s ventilom, a nie dvojokruhový kotol. Všetky vnútorné zostavy a ich časti sa pri neustálom kontakte s tvrdou vodou veľmi rýchlo rozpadajú.
Nezabudnite na správne nastavenie termostatu! Ak najvyššia teplota vody v nádrži ohrievača vody prekročí teplotu vody vo vykurovacom okruhu, potom sa ohreje iba voda v ohrievači vody. Obrat nedosiahne vykurovací systém, pretože maximálna úroveň teploty vody v kotle sa nikdy nedosiahne.
Systém 2 obehových čerpadiel
Ako ste už pravdepodobne pochopili z názvu, za pohyb tekutiny v každom okruhu je zodpovedné jeho vlastné čerpadlo. Mimochodom, čerpadlo pre kotol je namontované pred čerpadlom pre kotol – to nevyžaduje trojcestný ventil..
Kotol a ohrievač vody sú namontované paralelne a ich interakcia bude prebiehať na úkor čerpadla. Mimochodom, posledné slovo v páre „kotol – ohrievač vody“ opäť zostáva za okruhom TÚV.
Po každom čerpadle je potrebný spätný ventil. Pomáha to vyhnúť sa „kontaktu“ medzi týmito dvoma vláknami..
Podstata metódy. oba okruhy nemôžu spolupracovať. Keď je aktivované vedenie TÚV, vykurovací systém sa vypne. Nie je to však desivé: voda dosahuje požadovanú teplotu veľmi rýchlo (20-40 minút). Počas tohto časového obdobia teplota batérií neklesne na kritickú úroveň..
Spôsob recirkulácie TÚV
Pripojenie vykurovacích kotlov a nepriamych vykurovacích kotlov v dome
Táto metóda je realistická, ak výrobca zabezpečil tretí vstup do kotla, prostredníctvom ktorého bude voda recirkulovaná. Je to nevyhnutné na zvýšenie rýchlosti dodávky teplej vody do bodu príjmu vody. Zhruba povedané: kohútik bol otvorený a horúca voda okamžite vytekala, ako sme už povedali.
Výhoda metódy: vysoká úspora vody, pretože nebudete musieť čakať, kým sa nevypustí všetka studená voda z potrubia, kým príde rad na už horúcu.
Čo je potrebné na implementáciu tohto systému?
Ako znížiť náklady na páskovanie
Základná schéma pripojenia kotla na tuhé palivá počíta s použitím trojcestného zmiešavacieho ventilu vybaveného tepelnou hlavou a snímačom upevnenia. Toto zariadenie je dosť drahé a môže byť nahradené lacnejšou možnosťou-trojcestným ventilom so vstavaným termostatickým prvkom. Takéto zariadenie má pevné nastavenie – ventil sa spustí, keď teplota média dosiahne 55 alebo 60 stupňov (v závislosti od modelu).
Inštalácia ventilu, ktorý udržuje pevnú teplotu, znižuje finančné náklady na inštaláciu ochrany jednotky na tuhé palivá pred kondenzátom a extrémnymi teplotami. Stratí sa schopnosť flexibilne ovládať teplotu chladiacej kvapaliny, odchýlky od nastavenej hodnoty môžu dosiahnuť 1-2 stupne, ale to nie je rozhodujúce.
S recirkuláciou teplonosného média
Ak je v systéme vešiak na uteráky vyhrievaný vodou, je potrebná neustála cirkulácia vody. Inak to nepôjde. Všetky spotrebiče je možné pripojiť k recirkulačnej slučke. V tomto prípade bude čerpadlo horúcu vodu neustále naháňať v kruhu. V takom prípade otvorením vody kedykoľvek dostanete horúcu vodu – nebudete musieť čakať, kým z potrubí vytečie studená voda. Toto je pozitívny bod..
Negatívom je, že pripojením recirkulácie zvyšujeme náklady na ohrev vody v kotle. Prečo? Pretože voda beží pozdĺž prstenca, ochladzuje sa, a preto bude kotol častejšie napojený na ohrev vody a vynakladanie väčšieho množstva paliva na ňu..
Pripojenie recirkulačného krúžku k špeciálnemu výstupu nepriameho okruhu
Druhou nevýhodou je, že recirkulácia stimuluje miešanie vrstiev vody. V normálnej prevádzke je najhorúcejšia voda hore, odkiaľ je privádzaná do okruhu TÚV. Za miešania celková teplota prívodu vody klesá (pri rovnakých nastaveniach). Napriek tomu je to pre vyhrievaný vešiak na uteráky snáď jediné východisko..
Ako realizovať zapojenie nepriameho vykurovacieho kotla s recirkuláciou? Existuje niekoľko spôsobov. Prvým je nájsť špeciálne nepriame zariadenia so vstavanou recirkuláciou. Je to veľmi výhodné – vyhrievaná vešiak na uteráky (alebo celá slučka) je jednoducho pripojená k zodpovedajúcim tryskám. Cena takýchto možností pre ohrievače vody je však takmer dvakrát vyššia ako cena obyčajnej nádrže rovnakého objemu..
Pripojenie nepriameho vykurovacieho kotla s recirkuláciou
Druhou možnosťou je použiť modely, ktoré nemajú vstup na pripojenie recirkulačného okruhu, ale pripájajú ho pomocou odpalísk.
Recirkulačná čiara
Ak sa z času na čas použije horúca voda, tá jej časť, ktorá je v potrubí, má čas vychladnúť. Pri otváraní vodovodného kohútika z BKN musí používateľ počkať, kým sa nevypustí. Aby sa ušetrilo, do potrubia na strane TÚV je nainštalované recirkulačné čerpadlo, ktoré periodicky cirkuluje vodou cez systém.
Bezpečnostná skupina kotla na nepriame vykurovanie
Bezpečnostná skupina je nepostrádateľným prvkom potrubia kotla na tuhé palivo. Zabraňuje prasknutiu výmenníka tepla pri prekročení maximálneho prípustného tlaku a odvádza vzduch zo systému. Rovnakú bezpečnostnú skupinu musí mať aj kotol na nepriame vykurovanie. Môže sa vykonávať na jednom zberači alebo distribuovať v celom systéme:
Spojenie kotla na tuhé palivá s kotlom na nepriame vykurovanie
Pripojenie ohrievača vody k bojleru na tuhé palivá rieši dva problémy naraz:
Vďaka tomu, že takýto systém má na batérii termostatický ventil, je pohodlie zvýšené. Existuje však nebezpečenstvo prehriatia kotla. Rovnaká hrozba vzniká aj pri výpadkoch prúdu. Pokiaľ je nainštalovaný kotol s väčším výkonom, tento proces nepredstavuje žiadne nebezpečenstvo. Pretože prebytočné teplo sa vynakladá na ohrev vody v ohrievači vody. Preto je pre normálnu prevádzku tohto systému potrebný kotol s prirodzeným vetraním..
Prečo potrebujete vyrovnávaciu nádrž pre TT alebo elektrický kotol
V prípade paralelného pripojenia elektrického a kotla na tuhé palivá k jednej vykurovacej sieti plní akumulačná nádrž úlohu tepelného akumulátora a hydraulického separátora.
Obytná plocha / výdrž batérie
8 hodín
10 hodín
12 hodín
14 hodín
16 hodín
100 m²
587 l
734 l
881 l
1028 l
1175 l
150 m²
880 l
1101 l
1321 l
1542 l
1762 l
200 m²
1174 l
1468 l
1762 l
2056 l
2350 l
Pripojenie potrubia tepelného akumulátora k vykurovaciemu systému
Všeobecne platí, že vyrovnávacia nádrž je pripojená k vykurovaciemu systému paralelne s vykurovacím kotlom, preto sa takýto obvod nazýva aj obvod potrubia kotla.
Tu je obvyklý diagram pripojenia TA k vykurovaciemu systému s vykurovacím kotlom na tuhé palivo (na zjednodušenie diagramu to neznamená uzatváracie ventily, automatizáciu, riadiace zariadenia a ďalšie zariadenia).
Tento diagram ukazuje nasledujúce prvky:
Jedna z horných dýz nádrže (poz. 2) je pripojená k výstupu z kotla (poz. 1) a druhá je pripojená priamo k prívodnému potrubiu vykurovacieho systému.
Jedno zo spodných odbočných potrubí TA je pripojené k vstupu do kotla, pričom medzi nimi je nainštalované čerpadlo (položka 4), ktoré zaisťuje cirkuláciu pracovnej tekutiny v kruhu od kotla k TA a zveráku naopak.
Druhé spodné odbočné potrubie TA je pripojené k spätnému vedeniu vykurovacieho systému, v ktorom je tiež nainštalované čerpadlo (poz. 5), ktoré zaisťuje dodávku ohriatej chladiacej kvapaliny do vykurovacích zariadení.
Aby sa zabezpečilo fungovanie vykurovacieho systému v prípade náhleho výpadku napájania alebo poruchy obehových čerpadiel, sú spravidla zapojené paralelne s hlavným vedením..
V systémoch s prirodzenou cirkuláciou chladiacej kvapaliny neexistujú obehové čerpadlá (poz. 4 a 5). To výrazne zvyšuje zotrvačnosť systému a súčasne ho robí úplne neprchavým..
Je možné pripojiť teplú podlahu ku kotlu alebo nie?
Pri stavbe podláh na ohrev vody by majitelia bytov alebo súkromných domov mali:
Na ohrev chladiacej kvapaliny sa používajú plynové alebo elektrické kotly. Plynové kotly sú častejšie inštalované v súkromných budovách. Takéto zariadenie nemožno inštalovať v bytoch s ústredným kúrením..
Okrem toho je na pripojenie k spoločnému vykurovaciemu systému potrebné špeciálne povolenie. Preto je potrebné nájsť alternatívnu metódu – toto je usporiadanie elektrického kotla.
Kotol – zariadenie na ohrev vody z elektriny na domáce účely. Je však potrebné poznamenať, že pôvodne nebolo určené na zahrievanie kvapaliny na podlahové vykurovanie. Preto to bude pre neho dodatočné zaťaženie, v dôsledku ktorého môže ohrievač vody zlyhať..
Stále je však možné dodať podlahu z kotla, ale nebude to fungovať na vykurovanie veľkých plôch týmto spôsobom. Táto možnosť je ideálna iba pre kúpeľňu alebo toaletu..
Pre tvoju informáciu! Správny výpočet zaťaženia elektrického ohrievača je dôležitý..
Pokus o pripojenie teplej podlahy k domácemu kotlu. Odôvodnenie
Výpočet a návrh vykurovacieho systému pre každého z nás predstavuje riešenie problému, v ktorom by mali existovať dve odpovede – úspora peňazí a dosiahnutie požadovaného efektu. Vo väčšine prípadov sa snažíme uľahčiť si to, aby kúrenie v našom byte bolo čo najefektívnejšie, pričom míňame minimum peňazí. Z tohto dôvodu nás núti hľadať alternatívne možnosti pripojenia vykurovacích okruhov. Myšlienka použitia elektrického kotla na tento účel však nie je ideálna a táto možnosť má právo na život..
Hlavným problémom je, že prevádzka elektrického kotla v tomto prípade bude považovaná za nesprávne použitie, čo môže prirodzene viesť k poruche vykurovacieho zariadenia v predstihu. Domáce kotly sú navrhnuté tak, aby obyvateľom domu poskytovali teplú vodu na domáce účely. Zavesenie dodatočného zaťaženia elektrického spotrebiča znamená zásadnú zmenu vyrobiteľnosti zariadenia.
Iba naliehavá potreba a túžba rýchlo vyriešiť problém s vykurovaním bývania môže tlačiť na rozhodnutie použiť kotol ako zdroj ohrevu chladiacej kvapaliny.
Podlahové vykurovanie z elektrického kotla: hlavné nuansy takéhoto systému
Vykurovanie súkromných priestorov podlahovým kúrením je medzi majiteľmi domov stále obľúbenejšie. Jedným z typov je organizácia systému založeného na vodovodnom potrubí. V tejto možnosti sa otázka správneho výberu zdroja teplej vody stáva naliehavou. A jedným z typov je použitie elektrického ohrievača vody.
Aplikácia horúcej vody
Pri inštalácii hydraulickej vyhrievanej podlahy musí vlastník bytu vyriešiť dva problémy:
Na podlahové vykurovanie sa používajú elektrické alebo plynové ohrievače vody, ktoré poskytujú prácu miestneho vykurovania v byte. V prípade, že je byt pripojený k hlavnému vykurovaniu, to však nebude fungovať. K systému nie je dovolené pripojiť iné spotrebiče, okrem nainštalovaných radiátorov..
V tejto situácii je potrebné hľadať alternatívne zdroje a jeden z nich je elektrický
elektrický zásobníkový ohrievač vody. Toto zariadenie samozrejme nie je určené na takúto aplikáciu a obvod TP sa preň stane ďalším zaťažením. A to môže viesť k zlyhaniu disku. Napriek tomu je vytvorenie takejto konštrukcie povolené..
Hlavnou vecou je správne vypočítať zaťaženie – nebude fungovať na vykurovanie veľkých plôch pomocou elektrického ohrievača vody. Ale pre TP, usporiadaný v kúpeľni alebo v kuchyni, tento zdroj stačí.
Špecifikácia ohrievača
Pozastavme sa nad kotlami skladovacieho typu. Pri výbere modelu by ste mali venovať pozornosť jeho technickým vlastnostiam..
Napájanie zariadenia. Práve tento parameter určuje intenzitu a rýchlosť ohrevu vody z vodovodu. Výkon ohrievača vody priamo súvisí s množstvom spotrebovanej elektriny. Domáce kotly majú spravidla kapacitu 1,5-3 kW.
Poznámka: V predaji sú elektrické kotly, ktorých výkon je oveľa vyšší ako navrhované parametre (6-10 kW). Takéto zariadenia sú špeciálne navrhnuté tak, aby pracovali v spojení s vykurovacími systémami. Jedinou nevýhodou takýchto modelov je vysoká spotreba energie.
Výkon ohrievača vody je určený v súlade s tradičnými parametrami: 1 kW – 10 m2 vykurovanej plochy. Preto sú domáce akumulačné kotly na vykurovanie obytných priestorov málo použiteľné. Môžu byť použité na inštaláciu podlahového vykurovania v obmedzených priestoroch (kúpeľňa).
Objem zásobníka. Čím viac teplej vody dostanete, tým menej často sa zariadenie bude pravidelne zapínať, aby ohrialo vodu cirkulujúcu vo vodnom okruhu. Pri domácich spotrebičoch je objem nádrží spravidla 50-100 litrov. Priemyselné ohrievače vody používané v vykurovacom systéme majú objem zásobníka 250-300 litrov..
Kotly špeciálne navrhnuté na prácu s vykurovacími systémami sa líšia od domácich spotrebičov. Hlavné rozdiely sú nasledujúce:
Umiestnenie vstupných a výstupných potrubí vody. Vstup studenej vody je umiestnený v spodnej časti, zatiaľ čo výstup teplej vody je umiestnený v hornej časti nádrže. Vďaka tomuto usporiadaniu trysiek je dosiahnutá maximálna možná cirkulácia vody v systéme TÚV..
Pripojenie kotla na plynový kotol
Pre správnu funkciu kotla s plynovým kotlom obsahuje teplotný snímač. Aby mohli spolupracovať, je pripojený trojcestný ventil. Ventil reguluje prietok medzi hlavným okruhom a okruhom TÚV.
Do plynového kotla s jedným horákom
Na takéto spojenie sa používa potrubie s dvoma čerpadlami. Je to ona, ktorá je schopná prísť nahradiť obvod trojcestným senzorom. Hlavnou vecou je oddeliť toky chladiacej kvapaliny. V tomto prípade by bolo správnejšie povedať o synchrónnej prevádzke dvoch obvodov.
Potrubný materiál BKN
Možnosti pre potrubie kotla na nepriame vykurovanie
Ďalším dôležitým faktorom, ktorý je potrebné zvážiť pri výbere typu pripojenia, je volatilita. Existujú gravitačné systémy, v ktorých cirkulácia vody a chladiva prebieha nezávisle, ako aj schémy s vytváraním núteného tlaku (čerpanie). Ten druhý nemôže fungovať bez elektriny. Výrobcovia BKN v návode na obsluhu uvádzajú odporúčanú schému potrubia, ktorá sa berie do úvahy aj pri pripájaní.
Dve obehové čerpadlá
Táto možnosť je vhodná pre tých, ktorí nechcú používať BKN stále. V tomto prípade budú nainštalované dve obehové čerpadlá naraz – jedno pôjde na prevádzku vykurovacieho systému, druhé – na dodávanie kvapaliny do nádrže kotla. Potom sa ukáže, že chladiaca kvapalina priamo cirkuluje neustále vo vykurovacom systéme domu. Jedno z čerpadiel (ku kotlu) je pripojené k snímaču teploty a akonáhle sa kvapalina vo vodovodných potrubiach ochladí, vydá sa signál, ktorý o tom informuje. Potom sa vytvorí tlak, ktorý môže zmeniť smer pohybu chladiacej kvapaliny a odoslať ju do kotla. Ukazuje sa, že chladiaca kvapalina preteká rôznymi potrubiami vďaka špeciálne inštalovaným čerpadlám.
Schéma inštalácie kotla v systéme s dvoma obehovými čerpadlami
Dôležité! Aby ste zabránili miešaniu chladiacej kvapaliny, musíte pred každé čerpadlo vložiť spätný ventil.
Rozdiel medzi touto schémou a predchádzajúcou je v tom, že termostat riadi činnosť dvoch čerpadiel naraz. To znamená, že ak čerpadlo beží a dodáva užívateľovi vodu, vykurovacie čerpadlo sa vypne..
Do dvojokruhového plynového kotla
Dva magnetické ventily sa stanú hlavným v tomto schéme pripojenia. Pointa je, že kotol sa používa ako nárazník. Studená voda pochádza z vodovodnej siete. Ventil pre vstup TÚV je zatvorený. Ak ho otvoríte, najskôr bude tiecť voda z vyrovnávacej pamäte, ktorou je kotol. Pufr obsahuje ohriatu vodu, ktorej spotreba je regulovaná kapacitou kotla a nastavenou teplotou.
Aké kotly sa odporúčajú používať
Na vykurovanie a organizáciu dodávky teplej vody môžete použiť dvojokruhové a jednokruhové kotly s kotlami.
Ak máte jeden alebo dva body analýzy v súkromnom dome, veľa vody sa nevyžaduje. V tomto prípade bude jednotka umiestnená vo vnútri domu a vašou voľbou je dvojokruhový kotol.
Ale na organizáciu dodávky teplej vody a vykurovanie vo veľkom, dvojpodlažnom dome s kotolňou na ulici je potrebný iba jednokruhový kotol s kotlom. Bude to stáť viac, ale ak organizujete dodávku teplej vody v súkromnej obytnej chate, nešetrite na tom, k takémuto rozhodnutiu predsa dôjdete.
Dvojkruhové kotly nie sú určené pre niekoľko kúpeľní a musia byť tiež umiestnené priamo vedľa miesta použitia vody, inak budú tepelné straty veľké.
Dodatočné pripojenie kotla na nepriame vykurovanie
V tých súkromných domoch, kde už existuje dvojokruhový kotol a nie je možné ho zmeniť na jednokruhový kotol, môžete zvýšiť množstvo teplej vody pripojením prídavného nepriameho vykurovacieho kotla.
Ide o časovo náročnejší proces, možno budete potrebovať ďalšie zariadenia, ktoré musia ovládať toky teplej vody a vykurovania, pretože nie sú k dispozícii vo všetkých dvojokruhových jednotkách. Je celkom možné kúpiť také zariadenia na pripojenie kotla, ale je zrejmé, že takáto inštalácia bude stáť viac..
Ako funguje kotol pripojený k vykurovaciemu kotlu?
Externé zariadenie na nepriame vykurovanie je veľmi podobné akumulačnému zariadeniu, ktoré pracuje na elektrinu. Na prevádzku BKN je však potrebný vykurovací kotol. Činnosť ohrievača nepriameho vykurovania je založená na princípe termosky. Jeho obsah – to znamená voda, sa ohrieva z výmenníka tepla vo vnútri. Vzhľadom na to, že neexistuje priame vykurovanie, ohrievač vody sa nazýva nepriamy.
Keď je vykurovacie zariadenie spojené s BKN, cirkuluje akékoľvek chladivo, čo vedie k ohrevu vody v ňom. Pohyb vody prebieha dvoma rúrkami – ktoré privádzajú a vracajú. Prívodné potrubie rovnomerne dodáva horúcu vodu do radiátorov a kotla. Po prechode kotlom sa voda vracia spätným potrubím do kotla. Ukazuje sa, že obsah kotla sa ohrieva ako batéria.
Výhody BKN sú:
Vodu ohriatu v ohrievači je možné podľa potreby spotrebovať súčasne z rôznych kohútikov v rôznych miestnostiach.
DÔLEŽITÉ! Kvalita kotla má priamy vplyv na to, ako skoro sa voda zahreje – čím je pevnejšia, tým rýchlejšie proces prebieha. Teplota vody vo vnútri ohrievača sa vždy blíži stupňu ohrevu chladiacej kvapaliny cirkulujúcej v cievke
Ak je teplota kotla nastavená na max. + 50 ° C, voda v zásobníku sa ohreje na + 50 ° C, nie viac. Ak chcete, aby sa obsah nádrže viac zahrial, môžete si kúpiť kombinovaný ohrievač vody. Líši sa v tom, že okrem cievky, ktorá ohrieva vodu, má vykurovacie teleso, zvyšuje teplotu na zamýšľanú značku. Kombinované ohrievače vody sú vhodné pre kotly na tuhé palivá, pretože voda už je teplá, aj keď palivo už vyhorelo.
Teplota vody vo vnútri ohrievača sa vždy blíži stupňu ohrevu chladiacej kvapaliny cirkulujúcej v cievke. Ak je teplota kotla nastavená na max. + 50 ° C, voda v zásobníku sa ohreje na + 50 ° C, nie viac. Ak chcete, aby sa obsah nádrže viac zahrial, môžete si kúpiť kombinovaný ohrievač vody. Líši sa v tom, že okrem cievky, ktorá ohrieva vodu, má vykurovacie teleso, zvyšuje teplotu na zamýšľanú značku. Kombinované ohrievače vody sú vhodné pre kotly na tuhé palivá, pretože voda už je teplá, aj keď palivo už vyhorelo..
Existujú ohrievače vody so vstavaným ovládaním alebo bez neho. Ak existuje ovládanie, kotol je možné pripojiť k vykurovaciemu systému, ktorý zahŕňa kotly bez ovládania. Kotol je vybavený snímačom teploty a nezávisle riadi pohyb alebo vypnutie horúcej vody prechádzajúcej cievkou. Na aktiváciu prevádzky takéhoto zariadenia je potrebné priviesť napájacie a vratné potrubie z vykurovania na zodpovedajúce vstupy. Ďalej by ste mali dodať studenú vodu do horného výstupu a postarať sa o pripojenie teplej vody. Potom sa nádrž naplní a voda sa zahreje..
Pripojenie kotla k vodovodnému systému z rôznych materiálov
Kotol je uviazaný v systéme dodávky tepla pomocou tradičných oceľových rúrok a modernejších polypropylénových a kovoplastových rúrok. Lacnejšia možnosť – polypropylén.
Voľba bude závisieť od ceny projektu a prevádzkovej teploty vykurovacieho média na výstupe z kotla. Napríklad v kotle na tuhé palivá je ťažké nastaviť teplotu chladiacej kvapaliny, môžu nastať prípady, kedy bude spontánne rásť až do 100 ° C, takže v tomto prípade je lepšie nainštalovať oceľové rúry.
Napriek tomu, že sú menej trvanlivé, sú navrhnuté pre vysokoteplotný režim prevádzky zariadení na tuhé palivá..
Polypropylénové potrubia
Polypropylénové rúry sa ľahko montujú pomocou špeciálnej spájkovačky a nožníc na rezanie rúrok. Po výbere miesta zaradenia do potrubia sa sekcia vyreže na šírku rovnajúcu sa odpalisku s odpočítaním 20 mm: 10 mm pre každé.
Spájkovačkou zahrejte rúrku a tvarovku na požadovaný technický stav a spojte ich. Ich posúvanie je zároveň zakázané, pretože to môže narušiť hustotu spojenia..
Ďalej, spájaním častí rúrok rôznych dĺžok a rohov, sa vykonáva dodávka do odbočných rúrok BKN. Na koniec rúrkového úseku je spájkované závitové puzdro a potom je celé vedenie pevne spojené.
Pripojenie do kovového potrubia
Dnes je možné BKN pripojiť k inžinierskym sieťam vodovodu bez použitia zvárania, na to existuje moderný adaptér "upír", ktorý má technologický otvor a svorku v tele. Inštalácia tohto dizajnu je veľmi jednoduchá. Vyberte bod viazania, vyčistite oblasť.
Na vrch pripravenej plochy je nainštalovaná svorka s tepelne odolným tesnením a na jej upevnenie je utiahnutá skrutkami. Potom zatvorte prívod vody a vypustite ho z požadovanej časti potrubia otvorením kohútika teplej vody na mixéri.
Ďalej sa cez otvor v svorke vyvŕta časť potrubia elektrickou vŕtačkou a potom sa ventil naskrutkuje a pokračuje sa v páskovaní BKN podľa schémy.
Kov-plast
Toto je najspoľahlivejšia a najjednoduchšia možnosť pripojenia kotla BKN k dvojokruhovému kotlu. Kovový plast sa jednoducho ohne v požadovanom uhle ohybu a spojenia uzlov sa vykonajú pomocou rôznych krimpovacích tvaroviek..
Pred páskovaním BKN sa odreže rúrka požadovanej dĺžky a veľkosti. Ďalej vyberte bod pripojenia, pričom vezmite do úvahy veľkosť odpaliska a časť potrubia, ktoré bude zaberať pripojenie.
Na prípravu otvoru na malej ploche sa používajú špeciálne nožnice. Matice sa odstránia z odpaliska a spolu s fixačnými krúžkami sa nasadia na rôzne konce rúrky. Konce kovového plastu zapáľte pomocou špeciálneho kalibrátora alebo skrutkovača.
T -kus je zasunutý úplne, potom sú krúžky posunuté a matice sú upnuté kľúčom. Môžete tiež použiť tvarovky pre kovoplastové rúry, ktoré vyžadujú krimpovanie a ďalšie špecializované nástroje a príslušenstvo..
Montáž kotlov vlastnými rukami
V závislosti od jeho typu musíte nainštalovať ohrievač vody vlastnými rukami v súlade s existujúcimi pravidlami a požiadavkami. Funkcie inštalácie prietokového zariadenia sa teda budú trochu líšiť od inštalácie pamäťového zariadenia. Zoberme do úvahy jeden aj druhý prípad..
Postup pripojenia
Po výbere najvhodnejšej schémy musíte vybrať zariadenie. Okrem hlavných zariadení sú potrebné aj rozdeľovacie potrubia, guľové ventily, ventily, spätné alebo trojcestné ventily..
Pripojenie sa vykonáva v nasledujúcom poradí:
Paralelné pripojenie
Táto schéma pripojenia je vhodná iba pre malé domy s obmedzenými dĺžkami slučiek a malým počtom batérií. Existuje niekoľko dôvodov:
S deliacim uzlom
V tomto prípade je tok chladiacej kvapaliny rozdelený na dve samostatné časti: jedna ide do systému dodávky teplej vody a druhá do vykurovania. Na tento účel sa používa špeciálny prvok – trojcestný termostatický ventil. Je namontovaný na prívodnom potrubí z kotla a potrubie vedúce k kotlu je pripojené k výstupu prvku. Celá táto štruktúra je riadená teplotným senzorom, ktorý je vytiahnutý.
Princíp činnosti tohto obvodu je nasledujúci..
Ak je teda veľká spotreba teplej vody – napríklad ak sa niekoľko ľudí súčasne rozhodne osprchovať sa v rôznych kúpeľniach – generátor tepla jednoducho nebude mať čas ohriať požadovaný objem chladiacej kvapaliny, aby ju mohol odoslať do radiátory alebo vyhrievané podlahy. Medzi podmienky pre organizáciu takejto schémy teda patrí po prvé malá plocha domu a za druhé malý počet ľudí, ktorí v nej žijú..
S hrebeňom rozdeľovača
Zabezpečenie všetkých účelov s požadovaným objemom chladiacej kvapaliny sa vykonáva vďaka inštalácii hydraulického rozdeľovača s rozdeľovacím potrubím. Práve s ňou je spojený nepriamy ohrievač vody. Navyše má vlastné čerpadlo, pripojené prostredníctvom termostatu z dôvodu úspory energie a obmedzenia objemu prietoku chladiacej kvapaliny..
Výhody takéhoto systému sú zrejmé:
Vážení čitatelia, potrubné vykurovacie zariadenie nie je vždy jednoduchou záležitosťou. Ak si nie ste istí svojimi schopnosťami, je lepšie zveriť to odborníkom. Ale v prípade, že sa stále rozhodnete vykonávať nezávislú prácu – úspech pre vás!
Optimálne umiestnenie montáže
Na správnu inštaláciu kotla sa odporúča umiestniť ho čo najbližšie k potrubiam studenej vody v byte. To sa robí za účelom skrátenia inštalačných liniek, zníženia strát tepla a hlavy po celej dĺžke..
Vyberte umiestnenie v závislosti od veľkosti kotolne
Maloobjemové ohrievače vody je možné pripevniť na rôzne steny a pre výrobky s nádržou viac ako 80 litrov je dovolené používať iba nosné tehlové alebo betónové steny. Aj keď je vlastná hmotnosť zásobníkového ohrievača vody zanedbateľná, potom spolu s vodou a pod tlakom média vytvárajú na stenu veľké zaťaženie..
Vzhľadom na to, že v malom byte nie je veľa vhodných inštalačných zón, je s najväčšou pravdepodobnosťou možné umiestniť ohrievač:
Materiály a nástroje
Domáci remeselník si pred inštaláciou kotla musí dôkladne preštudovať jeho pokyny, najmä časť inštalácie a uvedenia do prevádzky. Nevyhnutne naznačuje schému a postup potrubia kotla s prívodom vody, požiadavky na elektrickú sieť a jej ochranu pred preťažením a tiež uvádza špecifikáciu náhradných dielov, ktoré budú potrebné pre inštalačné práce..
Základné nástroje, základné vybavenie a pomocný materiál, ktoré si musíte kúpiť pred inštaláciou kotla vlastnými rukami:
Opravujeme ohrievač vody
Aby sa zabezpečilo pevné pripevnenie kotla k stene, výrobca si dal záležať, dodáva montážne háky, kotvy a pásy kompletné s ohrievačom, ktoré sú profesionálne navrhnuté tak, aby držali spolu s vodnou hmotou..
Príklad montáže na stenu
Špecializovaný pás, pripevnený k stene pomocou kotvových úchytiek, a potom je naň zariadenie zavesené.
Algoritmus upevnenia nádrže na stenu:
Pripojíme sa k vodovodu
Pri pripájaní zásobníka na ohrev vody sa na inštaláciu bezpečnostnej skupiny zariadenia používa odtokové potrubie. Je to sada bezpečnostných a spätných ventilov a armatúr. Jeho účelom je chrániť kotol pred núdzovými situáciami počas prevádzky..
Najbežnejšia schéma ochrany kotla: americká, na ktorú je naskrutkovaný bronzový odpal a k dolnému výstupu je pripojený spätný ventil, voda z kotla sa nevrátila do mestského vodovodu pri nízkom tlaku v sieti.
K bočnému odpalisku T je pripojené ďalšie odpalisko, na ktorom je nainštalovaný poistný ventil 6 atm. Zmierňuje tlak média v nádrži pri núdzovom raste, napríklad pri prehriatí vody. Toto odpalisko je tiež spojené s tvarovkou na vypúšťanie vody do kanalizácie..
V najnovších konštrukciách ohrievačov je nainštalovaný komplexný poistný ventil, v ktorom je v jednom kryte umiestnený bezpečnostný aj spätný ventil. Po inštalácii skontrolujte, či je otvorenie poistného ventilu otvorené, inak ochrana nebude fungovať. Okrem toho môže obvod zabezpečiť vyhrievané vedenie recirkulácie vody pre vyhrievanú vešiak na uteráky.
Schéma pripojenia kotla na vodovod
Pri inštalácii kotla je potrebné správne dodržať postupnosť zapojení. Na potrubie so studenými a teplovodnými sieťami je dovolené používať oceľové a kovoplastové rúry.
DIYers často používajú plastové rúrky, pretože sú ľahšie utesnené. Niektorí používatelia používajú flexibilné hadice, ale odborníci to neodporúčajú, pretože veľmi rýchlo zlyhávajú..
Technologické operácie na potrubí kotla s vlastnými stúpačkami:
Podávame jedlo
V skutočnosti je pripojenie kotla k domácej sieti 220 V jednoduchou operáciou, ak je zásuvka navrhnutá pre jeho zaťaženie. Parametre elektrického zariadenia sú nevyhnutne uvedené v technických pokynoch pre ohrievač vody.
Ak sa ukáže, že parametre existujúcej zásuvky nie sú dostatočné alebo sú z nej napájané iné elektrické spotrebiče, potom bude potrebné do kotla viesť nezávislé vedenie. Túto prácu môžu vykonávať elektrikári, ktorí majú príslušnú tolerančnú skupinu..
Najbezpečnejšou a najspoľahlivejšou možnosťou je viesť napájacie vedenie oddelene od elektrického panelu bytu. Je dôležité správne kúpiť kábel podľa úpravy špecifikovanej výrobcom..
V prípade, že je elektrický ohrievač umiestnený v miestnosti s vysokou vlhkosťou: toaleta, kúpeľňa a kuchyňa, je potrebné použiť špeciálne vodotesné elektrické zásuvky.
Je potrebné kúpiť elektrický kábel s okrajom, aby nebol natiahnutý ako struna. Napájacie vedenie kotla musí byť chránené proti skratu a uzemnené..
Kontrola inštalácie a skúšobná prevádzka
Potom, čo je kotol zviazaný pozdĺž vodovodného a elektrického vedenia, začnú kontrolovať inštaláciu. Najprv skontrolujte hustotu vody v systéme. Za týmto účelom sa kontroluje neporušenosť nádrže, do ktorej sa plní voda:
Ak nádrž a prípojky netečú, zapnite vykurovanie kotla cez výstup alebo cez difavtomat. Počkajú, kým kotol zohreje vodu na parameter nastavený výrobcom a zaznamená sa čas ohrevu, ktorý musí zodpovedať údajom z pasu.
Akékoľvek zistené porušenia môžu naznačovať nekvalitný ohrievač vody, ktorý je lepšie vymeniť, pokiaľ je v záruke. Aj keď je potrebné poznamenať, že moderné kotly sú veľmi spoľahlivé, takže takéto situácie sú extrémne zriedkavé..
Ako nainštalovať prietokový ohrievač vody
Jednou z kľúčových vlastností prietokových ohrievačov vody je ich kompaktnosť, ktorá im umožní umiestniť ich do kuchyne alebo kúpeľne priamo pod umývadlo. Tekutina v takýchto zariadeniach sa ohrieva v špeciálnej kovovej rúrke, ktorá obsahuje výkonné vykurovacie telesá.
Takéto konštrukčné vlastnosti zariadenia vyžadujú, aby elektrické vedenie v dome alebo byte fungovalo správne a bolo schopné odolávať ťažkým nákladom. Odporúča sa nainštalovať samostatný stroj pre prietokový ohrievač a pripojiť k nemu drôt s veľkým prierezom..
Po dokončení práce s dodávkou elektriny môžete nainštalovať samotný kotol. Inštaluje sa dočasne alebo stacionárne..
Dočasná schéma počíta s tým, že do potrubia studenej vody bude vyrezané ďalšie odpalisko, ktoré bude pripojené k ohrievaču vody pomocou špeciálneho ventilu. Aby ste to urobili, musíte na ohrievač vody použiť napätie a otvoriť kohútik dodávajúci horúcu vodu.
Stacionárna schéma však predpokladá, že dodávka a príjem vody v potrubiach sa bude vykonávať súbežne so všeobecným systémom zásobovania vodou. Na inštaláciu konštrukcie podľa stacionárnej schémy sú do rúr pre horúcu a studenú vodu narezané odpaliská. Potom musíte dať uzatváracie ventily a utesniť ich jednoduchým kúskom alebo dymovou páskou.
Ďalšie akcie sú nasledovné:
Nepriame vykurovacie nádrže
Ak porovnáme konštrukcie rôznych ohrievačov vody, potom je nepriamy kotol najjednoduchšou a najspoľahlivejšou verziou zásobníka na dodávku teplej vody. Jednotka nevyrába teplo sama, ale prijíma energiu zvonku, z akéhokoľvek teplovodného kotla. Za týmto účelom je do izolovanej nádrže nainštalovaný výmenník tepla – cievka, do ktorej je dodávaná horúca chladiaca kvapalina.
Štruktúra kotla opakuje predchádzajúce návrhy, iba bez horákov a vykurovacích prvkov. Hlavný výmenník tepla je umiestnený v spodnej zóne hlavne, sekundárny výmenník tepla v hornom. Všetky odbočné potrubia sú usporiadané zodpovedajúcim spôsobom, nádrž je chránená pred koróziou horčíkovou anódou. Ako funguje „nepriame“:
Vodné potrubia nádrže nie sú konvenčne znázornené
Pozitívne a negatívne body
V porovnaní s plynovými modelmi kotlov sú „nepriame“ kotly lacné. Napríklad nástenná jednotka maďarského výrobcu Hajdu AQ IND FC 100 l stojí 290 USD. e. Nezabudnite však: nádrž na teplú vodu nie je schopná pracovať nezávisle, bez zdroja tepla. Je potrebné vziať do úvahy náklady na potrubia – nákup ventilov, termostatu, obehového čerpadla a potrubí s armatúrami.
Čo je dobré na kotle na nepriame vykurovanie:
Hlavnou podmienkou správneho fungovania jednotky je dostatočná kapacita vykurovacieho zariadenia. Ak je kotol vybraný čisto pre vykurovací systém bez rezervy, pripojený kotol vám neumožní zahriať obydlie alebo zostanete bez teplej vody..
Aby mohla horúca voda prúdiť priamo zo zmiešavačov, stojí za to nainštalovať spätné recirkulačné potrubie so samostatným čerpadlom
Nevýhodami nádrže na nepriamy ohrev sú slušné rozmery (malé sú inštalované menej často) a potreba ohrievať kotol v lete na zabezpečenie dodávky teplej vody. Tieto nevýhody nemožno nazvať kritickými, najmä na pozadí vysokého výkonu a univerzálnosti takéhoto zariadenia..
Pripojenie na strane vody
Ak sú body odberu umiestnené v blízkosti vykurovacej nádrže, pripojenie sa vykoná podľa typickej schémy uvedenej nižšie. Vysvetlíme funkcie niektorých prvkov:
Je dôležité nechať vypúšťacie potrubie naplnené – potom pri otvorení vypúšťacieho ventilu bude voda vytekať podľa zákona komunikujúcich nádob
Keď sú spotrebitelia mimo kotla, stojí za to umiestniť recirkulačné potrubie s prídavným čerpadlom a spätným ventilom. Ak váš model ohrievača nie je vybavený samostatným pripojením pre toto potrubie, jednoducho prerežte spätné potrubie do potrubia na vstupe studenej vody..
Ako uviazať kotly na tuhé palivá
Schéma zapojenia generátora tepla spaľujúceho drevo je navrhnutá tak, aby riešila 3 problémy (okrem napájania batérií chladiacou kvapalinou):
Predložená schéma potrubia pre kotol na tuhé palivá s trojcestným zmiešavacím ventilom vám umožňuje chrániť sa pred kondenzátom v ohnisku a uviesť generátor tepla do režimu maximálnej účinnosti. Ako to funguje:
Princíp vykurovania trojcestným ventilom sa používa na potrubie akýchkoľvek generátorov tepla na tuhé palivo-pyrolýza, pelety, priame a dlhodobé spaľovanie. Výnimkou je distribúcia gravitácie, kde sa voda pohybuje príliš pomaly a nevyvoláva kondenzáciu. Ventil vytvára vysoký hydraulický odpor, ktorý zabraňuje gravitácii.
Ak výrobca vybavil jednotku na tuhé palivá vodným okruhom, cievku je možné použiť na núdzové chladenie v prípade prehriatia. Poznámka: poistka v bezpečnostnej skupine je aktivovaná tlakom, nie teplotou, preto nie je vždy schopná chrániť kotol.
Osvedčené riešenie – cievku TÚV pripájame k prívodu vody pomocou špeciálneho tepelného poistného ventilu, ako je znázornené na obrázku. Prvok bude spustený snímačom teploty a v správnom čase prejde veľkým objemom studenej vody cez výmenník tepla.
Použitie vyrovnávacej nádrže
Najlepším spôsobom, ako zvýšiť účinnosť kotla TT, je pripojiť ho k vykurovaniu prostredníctvom vyrovnávacej nádrže. Na vstupe tepelného akumulátora zostavíme osvedčený obvod s trojcestným mixérom, na výstup umiestnime druhý ventil, ktorý udržiava v batériách požadovanú teplotu. Cirkuláciu vo vykurovacej sieti zabezpečuje druhé čerpadlo.
Čo získavame tepelným akumulátorom:
TT-kotol a zásobníkový ohrievač vody
Aby bolo možné „nepriamy“ kotol naložiť pomocou generátora tepla spaľujúceho drevo, musí byť tento zapojený do kotlového okruhu, ako je znázornené na obrázku. Vysvetlíme funkcie jednotlivých prvkov obvodu:
Podobným spôsobom môžete kotol ukotviť k akémukoľvek kotlu, ktorý nie je vybavený elektronickou riadiacou jednotkou..
Kovanie na páskovanie BKN
Inštalácia prietokového ohrievača vody
Vykurovacia voda v prietokovom ohrievači vody, napriek jednoduchému princípu činnosti v obytných, sa používa menej často ako akumulačný typ. Dôvodom je skutočnosť, že na rýchle zahriatie studenej vody sú potrebné výkonné vykurovacie telesá od 3 do 27 kW a nie každé elektrické vedenie v byte bude schopné vydržať také zaťaženie..
Príprava – kontrola napájania
Pred rozhodnutím o inštalácii prietokového ohrievača vody by ste mali skontrolovať možnosti vnútornej elektrickej siete. Jeho potrebné parametre sú uvedené v pase pre ohrievač vody a ak nezodpovedajú skutočným údajom, bude potrebná rekonštrukcia vnútorného napájacieho vedenia.
Na pripojenie väčšiny prietokových ohrievačov je potrebný stacionárny spôsob inštalácie, sieť 220 V AC, trojžilový medený kábel s prierezom najmenej 3 x 2,5 mm a automatickou ochranou najmenej 30 A. Prietok -k uzemňovaciemu systému musí byť tiež pripojený priechodný ohrievač vody.
Výber sedadla
Beztlakové ohrievače vody majú vo všeobecnosti schopnosť zaručiť prevádzku iba jedného odberného bodu, v dôsledku toho otázka výberu oblasti inštalácie nestojí za to.
Je umiestnená namiesto mixéra v kúpeľni alebo v kuchyni. Výber výkonných tlakových ohrievačov s prietokom, ktoré slúžia na niekoľko kohútikov, sa musí vykonať starostlivo. Spravidla je umiestnená približne od maximálneho odberu alebo stúpačky.
Napriek tomu, že modifikácie IP 24 a IP 25 sú konštrukčne chránené pred priamym prienikom vody, je napriek tomu spoľahlivejšie ich umiestniť na miesta, kde priame prenikanie vody nehrozí..
Okrem toho je potrebné mať na pamäti, že zariadenia, ktoré majú mechanický systém na úpravu tlaku a teploty prívodu teplej vody, musia byť umiestnené na dĺžku ramena. Na základe vyššie uvedeného bude inštalácia kotla do kúpeľne najvhodnejšia.
Montáž na stenu
Prietokové ohrievače nemajú veľkú váhu, nekladú na ich inštaláciu požiadavky podobné kapacitným zariadeniam. Montáž na stenu budovy spočíva v vyvŕtaní otvorov a upevnení ohrievača pomocou špeciálnych konzol dodaných v súprave.
Hlavné podmienky profesionálnej inštalácie:
Ak je ohrievač umiestnený so sklonom, existuje riziko vzniku vzduchových dutín, čo povedie k prehriatiu vykurovacieho telesa a zlyhaniu ohrievača vody..
Ako sa pripojiť k vodovodu
Pripevnenie beztlakového prietokového ohrievača je celkom jednoduché. Pripojenie sa vykonáva flexibilnou hadicou vybratou zo zmiešavača k prípojke zariadenia. Za týmto účelom nainštalujte špeciálne tesnenie pod prevlečnú maticu a zabaľte ho najskôr ručne a potom malým tlakom pomocou kľúča..
Je dôležité dodržať pravidlo, že za ohrievačom nie sú nainštalované žiadne uzatváracie ventily. Vodu by malo uzatvárať iba vykurovacie zariadenie alebo mixér, ku ktorému je pripojená
S rôznym vývojom udalostí v dôsledku nedostatku pohybu vody sa vykurovacie teleso prehrieva a zlyhá.
Pripojenie k elektrickej sieti
Malé beztlakové úpravy ohrievačov vody sa realizujú hlavne požadovaným zástrčkovým drôtom. V tomto ohľade je zahrnutie obmedzené na skutočnosť, že musíte vložiť zástrčku do uzemnenej elektrickej zásuvky.
Elektrický ohrievač je výkonný elektrický spotrebič, je zakázané ho zapínať rôznymi predlžovacími káblami. V dôsledku obrovského elektrického prúdu sa kontakty môžu prehriať a spôsobiť požiar v elektroinštalácii..
Kotol na ohrev vody elektrickou energiou: ako si vyrobiť ohrievač z plynovej fľaše sami
Ak je v zime kotol na nepriamy ohrev zahrievaný vykurovacím systémom, potom je v letnom období vhodné vybaviť ho vykurovacím telesom. Jedna alebo dve plynové fľaše, ktoré nájdete doma, môžu slúžiť ako nádrž pre kotol. Vhodný pre nový aj použitý valec.
Môžete použiť jeden valec, ale keďže jeho kapacita je malá (zvyčajne 50 litrov), je vhodnejšie vziať dva valce naraz a zvariť ich dohromady, pričom odrezať dno oboch nádob. Steny valcov sú vyrobené z nehrdzavejúcej ocele, ktorá je vynikajúca pre dlhodobú interakciu s horúcou vodou.
Na zostavenie kotla budete potrebovať:
Návod na výrobu
Plynová fľaša na kotol
zhromaždenie
Montáž sa vykonáva v nasledujúcom poradí:
Zostavenie kotla z plynovej fľaše
Tepelná izolácia pre kotol
Na konci práce sú naskrutkované armatúry, kohútiky a namontovaný horný kryt. Je lepšie ho nezvárať, ale upevniť ho skrutkami alebo oceľovým drôtom, aby bol prístup do vnútra nádrže..
Možnosti pre domáce kotly na nepriame vykurovanie popísané v texte sú len niektoré z možných. Spolu s valcovými kotlami amatérski inštalatéri montujú aj konštrukcie na základe štvorcových kontajnerov a namiesto jednovrstvového vinutia robia viacvrstvové vinutie. Hlavnou vecou je správne vypočítať dizajn tak, aby nádrž mala dostatočný objem a cievka poskytovala požadovanú úroveň vykurovania..
Nuansy odpichu do potrubia
Kotol je pripojený k vykurovaciemu systému pomocou akýchkoľvek potrubí: oceľ, kov-plast, PP.
Voľba závisí od rozpočtu a teploty chladiacej kvapaliny. Napríklad v kotloch na tuhé palivá teplota prakticky nie je regulovaná, existujú prípady, keď stúpne na 100 ° C. Preto sa v tomto prípade odporúča inštalácia oceľových rúr..
Pripojenie na PP-potrubie
PP-rúry sa ľahko inštalujú. Na potrubné zariadenie potrebujete iba spájkovačku a špeciálne nožnice na rezanie sekcií požadovanej dĺžky. Po vytvorení bodu pripojenia sa v potrubí vyreže časť, ktorej dĺžka sa rovná dĺžke odpaliska mínus 10 mm v každom smere.
Kovanie a rúrka sa zahrievajú spájkovačkou do požadovaného stavu a spoja sa. Posúvanie v ľubovoľnom smere nie je povolené, pretože to môže viesť k úniku spojenia.
Pripojenie rohov a úsekov rúrok rôznych dĺžok sa dodáva k dýzam kotla. Na konci úseku je spájkované závitové puzdro, nakoniec je celé vedenie spojené.
Upevnenie oceľovej rúry
Pripojenie BKN k oceľovému potrubiu je možné bez zvárania – pomocou svorky a špeciálneho adaptéra typu „upír“ s otvorom v tele.
Na predtým pripravenú a vyčistenú časť spojovacieho prvku je nainštalovaná svorka spolu s tepelne odolným tesnením a skrutky sú utiahnuté. Prívod vody je uzavretý a jeho zvyšky sú odstránené z pripájacej časti.
Prostredníctvom otvoru v svorke je časť potrubia vyvŕtaná vŕtačkou a ventil je naskrutkovaný. Ďalej sa páskovanie BKN vykonáva podľa zvolenej schémy.
Zapojte sa do vystuženého plastového potrubia
Možnosť je jednoduchá a spoľahlivá, používa sa na pripojenie BKN k dvojokruhovému kotlu. Na pripojenie uzlov sa používajú tvarovky a na vytvorenie ohybov a zákrut sa rúrka jednoducho ohne v požadovanom uhle..
Pred potrubím do kotla sa odreže rúrka požadovaného prierezu a dĺžky. Potom sa miesto pripojenia zvolí s prihliadnutím na dĺžku odpaliska a časť obsadenú potrubným spojením..
Na zariadenie otvoru sa používajú špeciálne nožnice. Matice sa odstránia z odpaliska a naskrutkujú sa na rôzne konce rúrky. Na zapaľovanie sa používa skrutkovač alebo špeciálny kalibrátor. Po vložení odpaliska sa krúžky pohybujú, matice sú utiahnuté kľúčom.
Namiesto odpalísk je možné použiť potrubné tvarovky, na ich inštaláciu je však potrebné ďalšie tlakové testovanie..
Stručný prehľad dôležitých faktov: poistný ventil
Samostatná časť si zaslúži taký prvok uvažovaného systému ako poistný ventil. Vylučuje možnosť spätného toku kvapaliny do vodovodného systému a tiež pomáha normalizovať tlak v systéme vypúšťaním prebytočnej vody počas jeho zahrievania..
Dôležitá nuansa: je zakázané inštalovať spätný ventil namiesto bezpečnostného. Mohlo by dôjsť k rozbitiu teplotného spínača a následnému výbuchu kotla..
Poistný ventil je inštalovaný na vstupe studenej vody do ohrievača. Technológia pripojenia zakazuje umiestnenie uzatváracích prvkov medzi vstupom do nádrže a poistným ventilom.
Dôležité! Monitorujte stav ventilu, keď je nádrž v prevádzke. Ak mosadzné zariadenie zostane dlho suché, môže to znamenať poruchu. Zlyhaný prvok je potrebné čo najskôr vymeniť..
Teraz môžete ohrievač pripojiť k vodovodnému systému v súlade so všetkými požiadavkami a nuansami technológie. Je to skvelá príležitosť, ako ušetriť peniaze za inštalatérske služby a mať celý proces pod osobnou kontrolou..
Náklady na nepriamy vykurovací kotol
Na trhu s vykurovacími zariadeniami existuje mnoho modelov kotlov od rôznych výrobcov. Tieto modely sa medzi sebou líšia objemom nádrže, značkou, materiálom, ďalšími funkciami atď..
Kritériá ovplyvňujúce náklady na vykurovaciu jednotku:
V závislosti od materiálu a firmy výrobcu sa cena za nepriamy kotol s objemom nádrže 100 litrov pohybuje od 20 000 do 80 000 rubľov. S nárastom objemu na 300 litrov sa náklady na jednotku zvýšia na 100 000 rubľov a za zariadenie s nádržou 1 000 litrov budete musieť zaplatiť 300 000 – 400 000 rubľov.
Časté chyby pri inštalácii
Počas inštalácie alebo počas procesu inštalácie sa musíte pokúsiť vyhnúť mnohým chybám:
Kompetentná inštalácia, uvedenie do prevádzky a nastavenie zaručujú stabilný prívod teplej vody a umožňujú normálnu prevádzku všetkých systémov a zariadení. Tým sa zabráni opotrebovaniu dielov a ušetrí sa na predčasných opravách.
tipy a triky
Aby ste zhodnotili, či je povedzme nepriamy vykurovací kotol na 200 litrov, musíte zistiť:
Rovnakých 200 litrov dokáže pokryť všetky potreby rodiny pre 5 osôb. V takom prípade budete musieť nainštalovať kotol s minimálnym výkonom 33 kW.
Profesionálny výpočet by mal tiež vziať do úvahy: